电脑桌面
添加小米粒文库到电脑桌面
安装后可以在桌面快捷访问

电力电缆选型表VIP免费

电力电缆选型表_第1页
1/44
电力电缆选型表_第2页
2/44
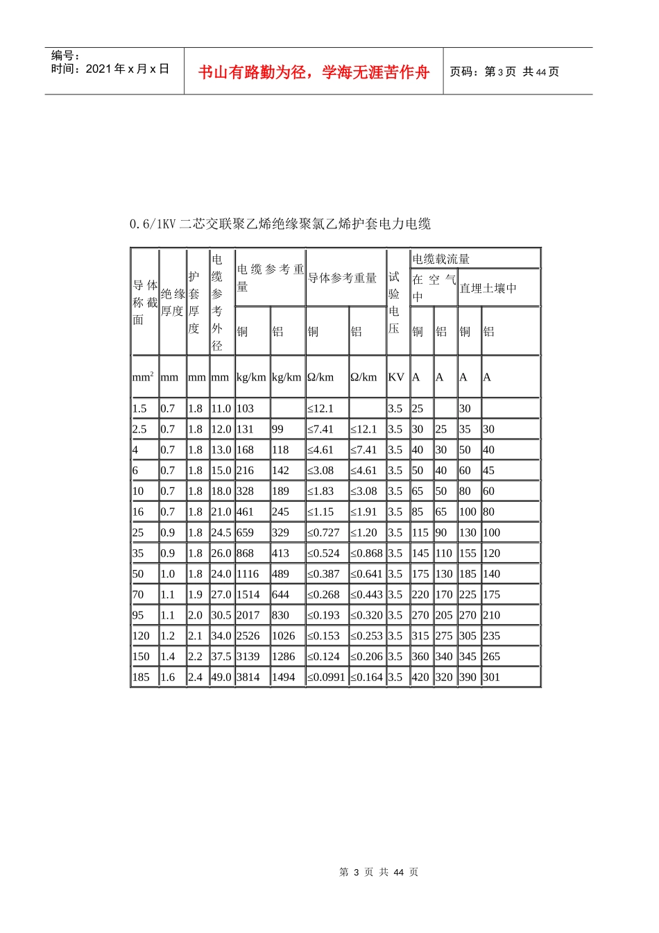
电力电缆选型表_第3页
3/44
第1页共44页编号:时间:2021年x月x日书山有路勤为径,学海无涯苦作舟页码:第1页共44页=====电力电缆=====电缆的额定电压、标称截面及芯数型号额定电压铜铝芯数0.6/13.6/16/66/108.7/108.7/1512/2018/2018/3021/3526/35YJVZR-YJVYJYWL-YJEYJLVZR-YJLVYJLYWL-YJLE11.5-50025-50025-50025-50035-50035-50035-50035-50031.5-30025-30025-30025-30025-30025-30025-30025-30021.5-1853+14-3003+2、4+14-24051.5-185ZR-YJV22ZR-YJV32YJV22YJV32YJV42YJV23YJV33YJV43ZR-YJV42WL-YJE23WL-YJE33WL-YJE43ZR-YJLV22ZR-YJLV32YJLV22YJLV32YJLV42YJLV23YJLV33YJLV43ZR-YJLV42WL-YJLE23WL-YJLE33WL-YJLE4332.5-30025-30025-30025-30025-30025-30025-30025-30024-1503+14-3003+2、4+14-24052.5-185第2页共44页第1页共44页编号:时间:2021年x月x日书山有路勤为径,学海无涯苦作舟页码:第2页共44页电缆结构尺寸及主要技术参数0.6/1KV单芯交联聚乙烯绝缘聚氯乙烯护套电力电缆导体称截面绝缘厚度护套厚度电缆参考外径电缆参考重量导体参考重量试验电压电缆载流量在空气中直埋土壤中铜铝铜铝铜铝铜铝mm2mmmmmmkg/kmkg/kmΩ/kmΩ/kmKVAAAA1.50.71.47.053≤12.13.525352.50.71.48.06853≤7.41≤12.13.53025453540.71.48.58764≤4.61≤7.413.54535605060.71.49.511073≤3.08≤4.613.555457055100.71.411.011595≤1.83≤3.083.575609575160.71.412.0220120≤1.15≤1.913.510080125100250.91.414.0345190≤0.727≤1.203.5140115160130350.91.415.0424207≤0.524≤0.8683.5175140190180501.01.47.0555245≤0.387≤0.6413.5210170225225701.11.519.0770336≤0.268≤0.4433.5270215280270951.11.522.01040455≤0.193≤0.3203.53402753353051201.21.623.51290550≤0.153≤0.2533.54003203803401501.41.626.01590650≤0.124≤0.2063.54603704253751851.61.829.01944804≤0.0991≤0.1643.55304154804352401.71.832.525101021≤0.0754≤0.1253.56254905554953001.82.035.030761238≤0.0601≤0.1003.57205656305554002.02.238.040961528≤0.0470≤0.07783.5845640705第3页共44页第2页共44页编号:时间:2021年x月x日书山有路勤为径,学海无涯苦作舟页码:第3页共44页0.6/1KV二芯交联聚乙烯绝缘聚氯乙烯护套电力电缆导体称截面绝缘厚度护套厚度电缆参考外径电缆参考重量导体参考重量试验电压电缆载流量在空气中直埋土壤中铜铝铜铝铜铝铜铝mm2mmmmmmkg/kmkg/kmΩ/kmΩ/kmKVAAAA1.50.71.811.0103≤12.13.525302.50.71.812.013199≤7.41≤12.13.53025353040.71.813.0168118≤4.61≤7.413.54030504060.71.815.0216142≤3.08≤4.613.550406045100.71.818.0328189≤1.83≤3.083.565508060160.71.821.0461245≤1.15≤1.913.5856510080250.91.824.5659329≤0.727≤1.203.511590130100350.91.826.0868413≤0.524≤0.8683.5145110155120501.01.824.01116489≤0.387≤0.6413.5175130185140701.11.927.01514644≤0.268≤0.4433.5220170225175951.12.030.52017830≤0.193≤0.3203.52702052702101201.22.134.025261026≤0.153≤0.2533.53152753052351501.42.237.531391286≤0.124≤0.2063.53603403452651851.62.449.038141494≤0.0991≤0.1643.5420320390301第4页共44页第3页共44页编号:时间:2021年x月x日书山有路勤为径,学海无涯苦作舟页码:第4页共44页0.6/1KV三芯交联聚乙烯绝缘聚氯乙烯护套电力电缆导体称截面绝缘厚度护套厚度电缆参考外径电缆参考重量导体参考重量试验电压电缆载流量在空气中直埋土壤中铜铝铜铝铜铝铜铝mm2mmmmmmkg/kmkg/kmΩ/kmΩ/kmKVAAAA1.50.71.812.0145≤12.13.525302.50.71.813.0185140≤7.41≤12.13.53025353040.71.814.0250175≤4.61≤7.413.54030504060.71.815.5320210≤3.08≤4.613.550406045100.71.817.5450260≤1.83≤3.083.565508060160.71.820.0640340≤1.15≤1.913.5856510080250.91.825.0940470≤0.727≤1.203.511590130100350.91.828.01260600≤0.524≤0.8683.5145110155120501.01.832.01670730≤0.387≤0.6413.5175130185140701.12.036.02280970≤0.268≤0.4433.5220170225175951.12.1...

1、当您付费下载文档后,您只拥有了使用权限,并不意味着购买了版权,文档只能用于自身使用,不得用于其他商业用途(如 [转卖]进行直接盈利或[编辑后售卖]进行间接盈利)。
2、本站所有内容均由合作方或网友上传,本站不对文档的完整性、权威性及其观点立场正确性做任何保证或承诺!文档内容仅供研究参考,付费前请自行鉴别。
3、如文档内容存在违规,或者侵犯商业秘密、侵犯著作权等,请点击“违规举报”。

碎片内容

电力电缆选型表

您可能关注的文档

确认删除?
VIP
微信客服
  • 扫码咨询
会员Q群
  • 会员专属群点击这里加入QQ群
客服邮箱
回到顶部