电脑桌面
添加小米粒文库到电脑桌面
安装后可以在桌面快捷访问

某啤酒企业研发岗岗位说明书VIP免费

某啤酒企业研发岗岗位说明书_第1页
1/4
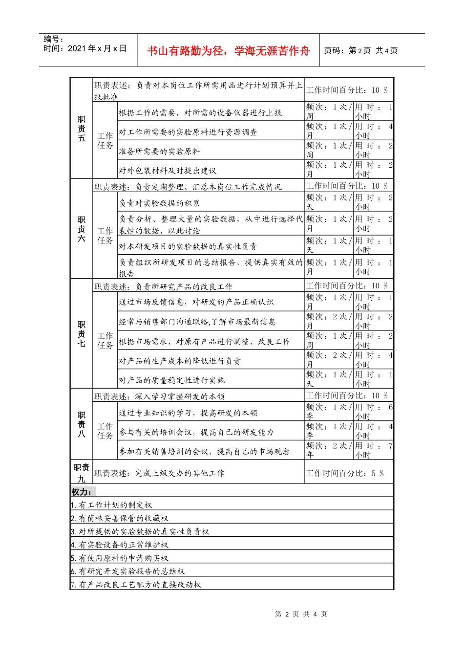
某啤酒企业研发岗岗位说明书_第2页
2/4
某啤酒企业研发岗岗位说明书_第3页
3/4
第1页共4页编号:时间:2021年x月x日书山有路勤为径,学海无涯苦作舟页码:第1页共4页某啤酒企业研发岗岗位说明书岗位名称研发岗岗位编号所在部门技术中心岗位定员13直接上级研发主管岗岗位工资直接下级无分析人所辖人员无分析日期本职:负责对新产品的具体研发,提供有关实验数据,对产品的种类进行创新性研究,改善现有产品的质量,降低生产成本,搜集相关的信息资料,维护公司的总体利益职责与工作任务:职责一职责表述:负责根据项目开发计划拟定本岗位的工作方案并加以实施工作时间百分比:15%工作任务搜集整理市场上的反馈信息频次:1次/天用时:2小时查阅相关研发的资料信息,寻求技术支持频次:2次/月用时:3小时根据研发项目制订工作的方案频次:4次/年用时:4小时根据工作方案进行组织落实实施频次:1次/天用时:3小时职责二职责表述:负责根据计划对本公司酵母菌种及其他菌株进行保藏、分离和复壮,并做好过程记录工作时间百分比:15%工作任务参与定期进行保藏菌种的活性检测和微生物检测活动频次:3次/年用时:2小时参与对生产用菌种定期进行分离筛选、复壮优化的过程频次:2次/年用时:3小时参与定期对保藏的菌种进行活化转接并进行两种形式的菌种保藏工作频次:1次/年用时:2小时参与为生产工厂提供性能优良、稳定的生产菌种频次:2次/年用时:2小时职责三职责表述:负责对研究开发工作的有关数据进行分析、总结和保存工作时间百分比:15%工作任务参与实验实验过程的检测分析频次:1次/天用时:1小时负责定期整理并保存本岗位工作的有关数据频次:1次/天用时:1小时负责定期汇总并上报本岗位工作的有关数据频次:1次/周用时:2小时职责四职责表述:负责根据相关制度对本岗位所属仪器设备维护保养工作时间百分比:10%工作任务负责对仪器正常运转进行判断频次:1次/天用时:1小时对仪器的正常保养进行维护频次:1次/天用时:2小时对仪器的卫生进行清洁频次:1次/天用时:1小时第2页共4页第1页共4页编号:时间:2021年x月x日书山有路勤为径,学海无涯苦作舟页码:第2页共4页职责五职责表述:负责对本岗位工作所需用品进行计划预算并上报批准工作时间百分比:10%工作任务根据工作的需要,对所需的设备仪器进行上报频次:1次/周用时:1小时对工作所需要的实验原料进行资源调查频次:1次/月用时:4小时准备所需要的实验原料频次:1次/周用时:2小时对外包装材料及时提出建议频次:1次/月用时:2小时职责六职责表述:负责定期整理、汇总本岗位工作完成情况工作时间百分比:10%工作任务负责对实验数据的积累频次:1次/天用时:2小时负责分析、整理大量的实验数据,从中进行选择代表性的数据,以此讨论频次:1次/月用时:2小时对本研发项目的实验数据的真实性负责频次:1次/天用时:1小时负责组织所研发项目的总结报告,提供真实有效的报告频次:1次/月用时:1小时职责七职责表述:负责所研究产品的改良工作工作时间百分比:10%工作任务通过市场反馈信息,对研发的产品正确认识频次:1次/月用时:1小时经常与销售部门沟通联络,了解市场最新信息频次:2次/月用时:2小时根据市场需求,对原有产品进行调整、改良工作频次:1次/周用时:2小时对产品的生产成本的降低进行负责频次:2次/月用时:4小时对产品的质量稳定性进行实施频次:1次/天用时:1小时职责八职责表述:深入学习掌握研发的本领工作时间百分比:10%工作任务通过专业知识的学习,提高研发的本领频次:1次/季用时:6小时参与有关的培训会议,提高自己的研发能力频次:1次/季用时:4小时参加有关销售培训的会议,提高自己的市场观念频次:2次/年用时:7小时职责九职责表述:完成上级交办的其他工作工作时间百分比:5%权力:1.有工作计划的制定权2.有菌株妥善保管的收藏权3.对所提供的实验数据的真实性负责权4.有实验设备的正常维护权5.有使用原料的申请购买权6.有研究开发实验报告的总结权7.有产品改良工艺配方的直接改动权第3页共4页第2页共4页编号:时间:2021年x月x日书山有路勤为径,学海无涯苦作舟页码:第3页共4页8.有权要求参加相关的知识学习和业务培训9.有所在岗位相关工作的合理化建议权10.有上级指令的提出...

1、当您付费下载文档后,您只拥有了使用权限,并不意味着购买了版权,文档只能用于自身使用,不得用于其他商业用途(如 [转卖]进行直接盈利或[编辑后售卖]进行间接盈利)。
2、本站所有内容均由合作方或网友上传,本站不对文档的完整性、权威性及其观点立场正确性做任何保证或承诺!文档内容仅供研究参考,付费前请自行鉴别。
3、如文档内容存在违规,或者侵犯商业秘密、侵犯著作权等,请点击“违规举报”。

碎片内容

某啤酒企业研发岗岗位说明书

中小学文库+ 关注
实名认证
内容提供者

精品资料应用尽有

确认删除?
VIP
微信客服
  • 扫码咨询
会员Q群
  • 会员专属群点击这里加入QQ群
客服邮箱
回到顶部