电脑桌面
添加小米粒文库到电脑桌面
安装后可以在桌面快捷访问

模具制造检查标准0830VIP免费

模具制造检查标准0830_第1页
1/51
模具制造检查标准0830_第2页
2/51
模具制造检查标准0830_第3页
3/51
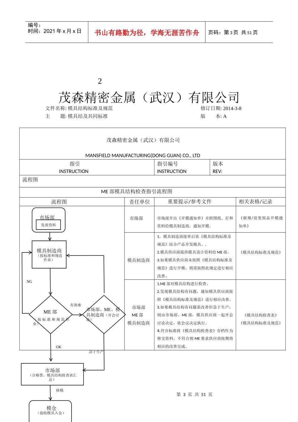
第1页共51页编号:时间:2021年x月x日书山有路勤为径,学海无涯苦作舟页码:第1页共51页茂森精密金属(武汉)有限公司模具结构标准及规范修订版本:A版2014MAR第2页共51页第1页共51页编号:时间:2021年x月x日书山有路勤为径,学海无涯苦作舟页码:第2页共51页1茂森精密金属(武汉)有限公司文件名称:模具结构标准及规范修订日期:2014-3-8主题:模具结及共同标准版本:A目录一.流程1)模具结构检查流程------------------------------------------------------------------------------------------032)模具结构检查表----------------------------------------------------------------------------------------------04二.模具结构1)复合模-----------------------------------------------------------------------------------------------------------052)冲孔模------------------------------------------------------------------------------------------------------------073)U曲模------------------------------------------------------------------------------------------------------------074)V曲模------------------------------------------------------------------------------------------------------------085)拍披锋-------------------------------------------------------------------------------------------------------------096)校平模-------------------------------------------------------------------------------------------------------------107)拉深模-------------------------------------------------------------------------------------------------------------118)拍钉模-------------------------------------------------------------------------------------------------------------119)顺送模-------------------------------------------------------------------------------------------------------------1210)标准模座--------------------------------------------------------------------------------------------------------1211)共同标准--------------------------------------------------------------------------------------------------------1312)镶件制作--------------------------------------------------------------------------------------------------------1513)冲头制作--------------------------------------------------------------------------------------------------------1614)管位及防反装置制作----------------------------------------------------------------------------------------2015)吹气销的制作--------------------------------------------------------------------------------------------------2916)导料板制作------------------------------------------------------------------------------------------------------3017)导正针制作------------------------------------------------------------------------------------------------------3118)顶针制作---------------------------------------------------------------------------------------------------------3219)浮升销制作------------------------------------------------------------------------------------------------------3220)拉包制作---------------------------------------------------------------------------------------------------------3421)沙拉孔制作------------------------------------------------------------------------------------------------------3622)凸米制作---------------------------------------------------------------------------------------------------------3823)误送针制作------------------------------------------------------------------------------------------------------3924)限位柱制作----------------------------------...

1、当您付费下载文档后,您只拥有了使用权限,并不意味着购买了版权,文档只能用于自身使用,不得用于其他商业用途(如 [转卖]进行直接盈利或[编辑后售卖]进行间接盈利)。
2、本站所有内容均由合作方或网友上传,本站不对文档的完整性、权威性及其观点立场正确性做任何保证或承诺!文档内容仅供研究参考,付费前请自行鉴别。
3、如文档内容存在违规,或者侵犯商业秘密、侵犯著作权等,请点击“违规举报”。

碎片内容

模具制造检查标准0830

您可能关注的文档

确认删除?
VIP
微信客服
  • 扫码咨询
会员Q群
  • 会员专属群点击这里加入QQ群
客服邮箱
回到顶部