电脑桌面
添加小米粒文库到电脑桌面
安装后可以在桌面快捷访问

某道路工程施工组织设计(doc 67页)VIP免费

某道路工程施工组织设计(doc 67页)_第1页
1/66
某道路工程施工组织设计(doc 67页)_第2页
2/66
某道路工程施工组织设计(doc 67页)_第3页
3/66
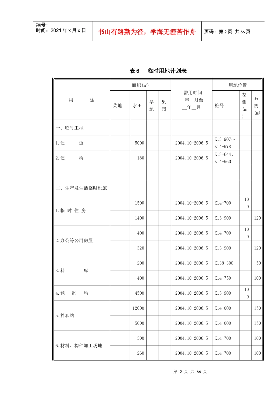
第1页共66页编号:时间:2021年x月x日书山有路勤为径,学海无涯苦作舟页码:第1页共66页表1拟为承包本合同工程设立的组织机构图温州瓯海大道工程第九合同段项目经理部项目经理项目副经理项目总工程师工程技术部物资设备部计划财务部安全质检部中心试验室综合办公室第一项目队第二项目队第三项目队第四项目队作业层说明:本项目经理部设项目经理、项目总工程师各1名,项目副经理1名,由四部二室四个项目队组成。在本项目实施过程中,项目经理部全权代表本公司,项目经理全权代表我单位法人代表,对外负责与业主联系、接受业主管理,对内行使施工技术、安全、质量、进度及生产管理、内部资源调配等职能。在施工过程中对工程质量、进度、安全及资金承担全部责任。第2页共66页第1页共66页编号:时间:2021年x月x日书山有路勤为径,学海无涯苦作舟页码:第2页共66页表6临时用地计划表用途面积(m2)需用时间__年__月至__年__月用地位置菜地水田旱地果园桩号左侧(m)右侧(m)一、临时工程1.便道50002004.10-2006.5K13+907~K14+9782.便桥1802004.10-2006.5K13+644、K14+960---二、生产及生活临时设施1.临时住房15002004.10-2006.5K14+70010014002004.10-2006.5K13+9001202.办公等公用房屋4002004.10-2006.5K14+7001003202004.10-2006.5K13+9001203.料库2002004.10-2006.5K138+300504002004.10-2006.5K14+7501004.预制场45002004.10-2006.5K13+9001005.拌和站120002004.10-2006.5K14+00015050002004.10-2006.5K14+0001506.材料、构件加工场地3002004.10-2006.5K14+7001002602004.10-2006.5K14+700100第3页共66页第2页共66页编号:时间:2021年x月x日书山有路勤为径,学海无涯苦作舟页码:第3页共66页租用面积合计31460第4页共66页第3页共66页编号:时间:2021年x月x日书山有路勤为径,学海无涯苦作舟页码:第4页共66页表1施工组织设计的文字说明第一章设备人员动员周期和设备、人员、材料运到施工现场的方法1.1设备、人员动员周期1.1.1设备动员周期(一)前期工程所需主要设备动员周期为7天,试验与测量仪器、发电机、土石方机械、桥梁施工机械、混凝土拌和设备、变压器、钻机、起重机主要从我公司基地调入,少量部分在当地租赁或购买。(二)其它设备根据施工进度计划,并至少先于计划时间10天到达。(三)利用浙江省公路交通发达的优势,设备进场方式采用汽车运输1.1.2人员动员周期主要管理人员和施工人员动员周期为3天,投入本工程的主要管理人员和技术工人,均参加过类似的工程施工。1.2设备、人员、材料运到现场的方法1.2.1设备、人员运到施工现场的方法汽车、火车运送至施工现场。部分主要先遣人员乘飞机到本项目,组织前期工作,以尽快形成开工条件。1.2.2材料运到施工现场的的方法碎石、卵石、砂、施工辅材通过市场调查从当地采购,汽车运至施工现场。水泥、钢材、预应力材料等按设计要求的参数,从质量过硬、信誉度高、业主指定的生产量大的厂家购买,火车或汽车运至现场。其他当地材料运输采用汽车运输,自运或雇佣地方运输车辆解决。1.2.3周转材料进场计划和安排钢管支架及型钢等周转材料分批、分期通过汽车运输从公司运至现场,模板等周转材料在当地机加工厂加工制作后,运至现场。材料名称单位数量供应计划20042005四季度一季度二季度三季度四季度钢管t532528型钢t25205模板套20128第5页共66页第4页共66页编号:时间:2021年x月x日书山有路勤为径,学海无涯苦作舟页码:第5页共66页第二章施工部署2.1工程概况瓯海大道三期工程位于温州市南部。西起梧埏镇,东至永中镇(现永梅环岛附近),全长16900米,为城市总体规划确定的城市快速路框架系统“二横六纵”中东西向的一横,是近期实施城市空间发展战略“东移西拓,南联北接”跨越外溢型发展的关键项目,是连接温州市新行政中心、龙湾副中心、飞机场、洞头片的主要通道,也是温州市机场进入市区的景观大道。工程涉及区域为温州市的梧埏镇、三垟乡、状元镇、瑶溪镇、龙水镇及永中镇。本合同段为瓯海大道三期第九合同段,主线左线西起K13+907.696,终点至K14+978,全长1070.304米;主线右线西起K13+907.696,终点至K14+978,全长1070...

1、当您付费下载文档后,您只拥有了使用权限,并不意味着购买了版权,文档只能用于自身使用,不得用于其他商业用途(如 [转卖]进行直接盈利或[编辑后售卖]进行间接盈利)。
2、本站所有内容均由合作方或网友上传,本站不对文档的完整性、权威性及其观点立场正确性做任何保证或承诺!文档内容仅供研究参考,付费前请自行鉴别。
3、如文档内容存在违规,或者侵犯商业秘密、侵犯著作权等,请点击“违规举报”。

碎片内容

某道路工程施工组织设计(doc 67页)

您可能关注的文档

确认删除?
VIP
微信客服
  • 扫码咨询
会员Q群
  • 会员专属群点击这里加入QQ群
客服邮箱
回到顶部