电脑桌面
添加小米粒文库到电脑桌面
安装后可以在桌面快捷访问

某啤酒企业塑料箱保管员岗位说明书VIP免费

某啤酒企业塑料箱保管员岗位说明书_第1页
1/3
某啤酒企业塑料箱保管员岗位说明书_第2页
2/3
某啤酒企业塑料箱保管员岗位说明书_第3页
3/3
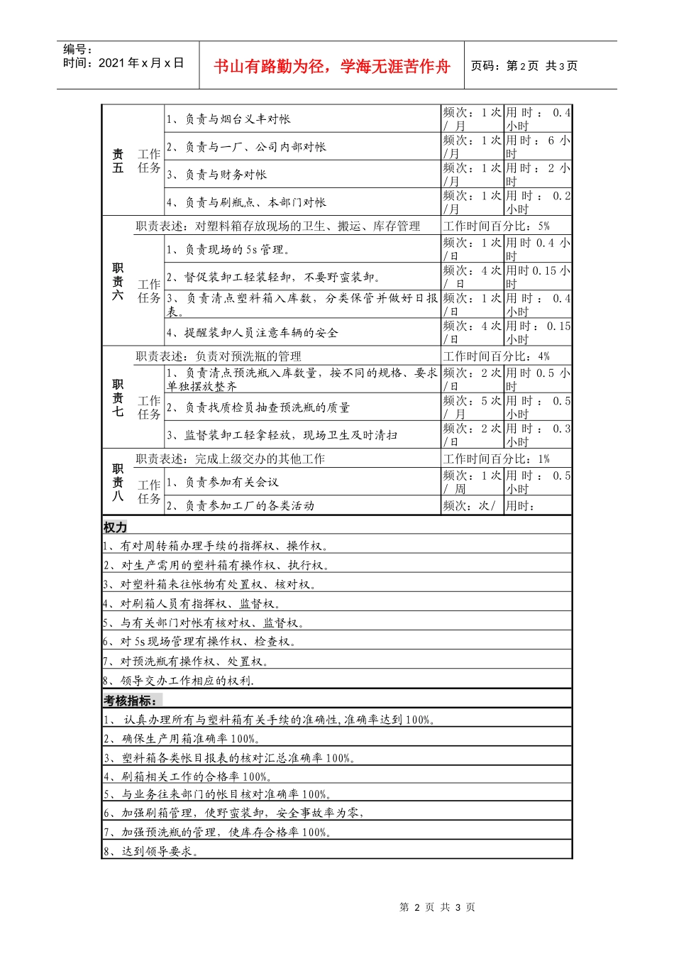
第1页共3页编号:时间:2021年x月x日书山有路勤为径,学海无涯苦作舟页码:第1页共3页塑料箱保管员岗岗位说明书岗位名称塑料箱保管员岗岗位编号所在部门瓶场岗位定员2人直接上级新瓶班长岗位工资直接下级无分析人所辖人员无分析日期本职:办理塑料箱所有相关手续,验收、分类、保管,供箱及时,并对刷箱和预洗瓶的管理,完成上级安排的各项工作和任务。职责与工作任务:职责一职责表述:为客户办理周转箱相关手续工作时间百分比:30%工作任务1、负责办理客户塑料箱的租金单、退租金单及新箱的入库、验收频次:10次/日用时:0.05小时2、负责为客户返送空箱和装旧瓶塑料箱办理入库手续频次:4次/日用时:0.25小时3、负责办理返加工塑料箱手续频次:1次/月用时:1小时4、负责办理与公司内部调拨手续频次:10次/月用时:0.5小时5、负责与成品库办理退提货单手续频次:2次/月用时:0.1小时职责二职责表述:依据生产需要,及时准备生产使用所需的塑料箱工作时间百分比:20%工作任务1、负责执行生产通知单上安排的用箱数量、规格频次:1次/日用时:0.1小时2、组织拉箱人员及时周转拉箱,保证供箱及时、准确频次:1次/日用时:0.3小时3、负责上报数字准确、无误、及时频次:1次/日用时:0.5小时职责三职责表述:负责塑料箱的帐物管理。工作时间百分比:20%工作任务1、负责各类单据的汇总、核对、记帐频次:4次/月用时:4小时2、负责处理加工耗频次:1次/月用时:0.1小时3、负责汇总装卸费单据频次:1次/月用时:0.5小时4、协助销售公司及二厂销售科查帐频次:1次/月用时:1小时5、负责每半年一次盘点、报表、上交部门领导频次:1次/半年用时:4小时职责四职责表述:负责对刷箱人员的管理工作时间百分比:10%工作任务1、组织刷箱人员及时刷洗倒出来的空箱,分规格、颜色摆放整齐。频次:1次/日用时0.3小时2、组织刷箱人员学习安全规章制度,正确使用刷箱机频次:1次/月用时:0.5小时3、负责刷洗质量、清点数量、及时做好日报表频次:1次/日用时:0.4小时4、负责做好刷箱记录。频次:1次/日用时:0.1小时职职责表述:根据工作需要与相关部门对帐工作时间百分比:10%第2页共3页第1页共3页编号:时间:2021年x月x日书山有路勤为径,学海无涯苦作舟页码:第2页共3页责五工作任务1、负责与烟台义丰对帐频次:1次/月用时:0.4小时2、负责与一厂、公司内部对帐频次:1次/月用时:6小时3、负责与财务对帐频次:1次/月用时:2小时4、负责与刷瓶点、本部门对帐频次:1次/月用时:0.2小时职责六职责表述:对塑料箱存放现场的卫生、搬运、库存管理工作时间百分比:5%工作任务1、负责现场的5s管理。频次:1次/日用时0.4小时2、督促装卸工轻装轻卸,不要野蛮装卸。频次:4次/日用时0.15小时3、负责清点塑料箱入库数,分类保管并做好日报表。频次:1次/日用时:0.4小时4、提醒装卸人员注意车辆的安全频次:4次/日用时:0.15小时职责七职责表述:负责对预洗瓶的管理工作时间百分比:4%工作任务1、负责清点预洗瓶入库数量,按不同的规格、要求单独摆放整齐频次:2次/日用时0.5小时2、负责找质检员抽查预洗瓶的质量频次:5次/月用时:0.5小时3、监督装卸工轻拿轻放,现场卫生及时清扫频次:2次/日用时:0.3小时职责八职责表述:完成上级交办的其他工作工作时间百分比:1%工作任务1、负责参加有关会议频次:1次/周用时:0.5小时2、负责参加工厂的各类活动频次:次/用时:权力1、有对周转箱办理手续的指挥权、操作权。2、对生产需用的塑料箱有操作权、执行权。3、对塑料箱来往帐物有处置权、核对权。4、对刷箱人员有指挥权、监督权。5、与有关部门对帐有核对权、监督权。6、对5s现场管理有操作权、检查权。7、对预洗瓶有操作权、处置权。8、领导交办工作相应的权利.考核指标:1、认真办理所有与塑料箱有关手续的准确性,准确率达到100%。2、确保生产用箱准确率100%。3、塑料箱各类帐目报表的核对汇总准确率100%。4、刷箱相关工作的合格率100%。5、与业务往来部门的帐目核对准确率100%。6、加强刷箱管理,使野蛮装卸,安全事故率为零,7、加强预洗瓶的管理,使库存合格率100%。8、达到领导要求。第3页共3页第2页共3...

1、当您付费下载文档后,您只拥有了使用权限,并不意味着购买了版权,文档只能用于自身使用,不得用于其他商业用途(如 [转卖]进行直接盈利或[编辑后售卖]进行间接盈利)。
2、本站所有内容均由合作方或网友上传,本站不对文档的完整性、权威性及其观点立场正确性做任何保证或承诺!文档内容仅供研究参考,付费前请自行鉴别。
3、如文档内容存在违规,或者侵犯商业秘密、侵犯著作权等,请点击“违规举报”。

碎片内容

某啤酒企业塑料箱保管员岗位说明书

您可能关注的文档

确认删除?
VIP
微信客服
  • 扫码咨询
会员Q群
  • 会员专属群点击这里加入QQ群
客服邮箱
回到顶部