电脑桌面
添加小米粒文库到电脑桌面
安装后可以在桌面快捷访问

最新江苏环境监测专业服务收费标准VIP免费

最新江苏环境监测专业服务收费标准_第1页
1/18
最新江苏环境监测专业服务收费标准_第2页
2/18
最新江苏环境监测专业服务收费标准_第3页
3/18
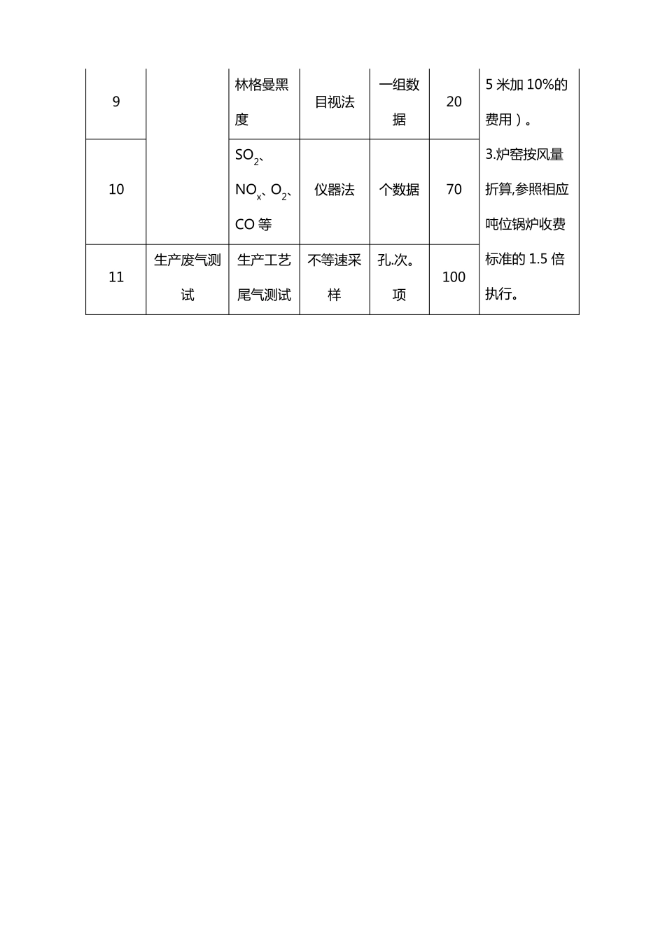
江苏省环境监测专业服务收费标准一、现场采样及测试收费标准金额单位:元采样项目名称采样测试方法计量单位收费标准序号类别备注大气、废气、室内空气现场采样及测试大气采样器大气采样2大气采样简易设备点。次.项点。次15点.次。项1.大流量24小时连续采样按150元/点.次.项收费。2。需要采样1(一)1353降水收集器15小时以上进行富集的项目按75元/点.次。项收费。3。采样点位、频次、项目按仪器法点。次20《环境监测技术规范》大气部分执行.4。空气自动监测仪器按100元/点.小时均值.项收费。≤4吨锅炉5—9吨烟道烟气采样测试7锅炉10—20吨锅炉≥20吨锅炉滤膜重量法滤膜重量法滤膜重量法滤膜重量法1。当烟道气或工艺尾气温度>150℃,加收20%费用.2。高空作业,台.次1500距地面5米加收10%费用。点.次100(以后每增加风速、风向、气压、气温、湿度45台。次4006台。次75089林格曼黑度SO2、目视法一组数据205米加10%的费用)。3.炉窑按风量10NOx、O2、CO等生产废气测试生产工艺尾气测试仪器法个数据70折算,参照相应吨位锅炉收费11不等速采样孔.次。项标准的1.5倍100执行。4.单独测林格曼黑度时才收费,否则已包括在锅炉测试中。5.除尘效率测试按同等锅炉的3倍收费.6.在生产废气监测中,对放等速采样孔.次.项400射、有毒、有害工艺尾气,加收50%费用。7。开设监测孔、管道内的点位设置、监测频次和项目按《环境监测技术规范》废气部分执行。汽油车CO、HC、NOx、Pb按财政部国家50计委《关于进一步明确取消机12机械设备排气测试13汽车尾气测试汽车尾气测试仪辆。次。项14柴油车烟度不透光烟度计辆.次。项100动车尾气检测收费范围等有关问题的通知》(财综字15摩托车尾气测试仪辆.次。项10[2000]40号)执行。接受委托检测时收取。(二)固体物品采样工艺原料、建筑材料、装饰材料采样1样60表层(深2度≤0.15米)土壤样品采集3中层(0。15米<深度≤0.5米)样35样70下层(深4度〉0.5米)(三)水质采样表层(深度≤1米)河流、湖体、中层(12深水水库等底质样品采集3米<深度≤1。5米)下层(深度〉1。5米表层(距水4面≤0。5米)地表水中下层(距水面〉0.5米)点。次。项瞬时样点.次.项101。采样点位、频次、项目按《环境监测技术规范》地表水和废水部分执12行。2。〉30米宽样130样80样1501样305瞬时样的河流以及工业废水的流量6地下水瞬时样点.次.项12测试加倍收费。3、夜间采样加收50%.表层(距水7面≤0。5河流、湖体、米)深水水库等复杂水体8中下层(距水面〉0。5米)点.次。项点。次.项点。次。项瞬时样点.次.项15瞬时样259工业废水瞬时样1510海水11近海海域(≤5海里)远海海域(〉5海里)污染源流量河流(≤50米)瞬时样15瞬时样点.次.项2512流速仪多谱勒测流仪次.断面2小时/次.断面70夜间测量加收30020%.13河流14(50-150米)河流(≥150米)水深生物采样陆生生物采样水生生物采样放射性样品采集瞬时样3小时/次。断面50015次。断面70016(四)点.次201瞬时样样702瞬时样样45(五)1气溶胶气溶胶采样器沉降灰采样器降水采样器氚采样器瞬时采样瞬时采样100立方米点.次。项点。次。项样点.次点。次202大气沉降灰253降水2545水6氚地表水地下水2001818夜间采样加收50%。7废水瞬时采样固体采样器底泥采样器固体采样器固体采样器点。次238土壤样1009固体10底泥样100原料样10011废渣样10012生物13焚烧废气采样水生动物瞬时采样陆生动物瞬时采样样样孔.次。项60110(六)二恶英类等速采样5000二、现场物理监测收费标准金额单位:元序号12类别监测、测试方法仪器法仪器法计量单位点.次点.次收费标准7070夜间监测加收20%.仪器法点.次70项目名称备注厂界噪声交通噪声建筑施工场界噪声噪声34区域环境噪声铁路边界噪声稳态振动振动非稳态振动振动强度工频电磁辐射高频电磁辐电磁辐射射电磁频谱测量无线电干扰场强χ、γ辐射剂量(率)χ、γ累积剂量电离α/β表面污染空气中氡气仪器法点。次1105仪器法点.次110678振动测试仪振动测试仪振动测试仪每个数据每个数据每个数据3040259仪器法点数据6010仪器法点数据6011仪器法点数据6012仪器法点数据6013仪器法每个数据501415仪器法仪器法每个数据平方米8050辐射16及其...

1、当您付费下载文档后,您只拥有了使用权限,并不意味着购买了版权,文档只能用于自身使用,不得用于其他商业用途(如 [转卖]进行直接盈利或[编辑后售卖]进行间接盈利)。
2、本站所有内容均由合作方或网友上传,本站不对文档的完整性、权威性及其观点立场正确性做任何保证或承诺!文档内容仅供研究参考,付费前请自行鉴别。
3、如文档内容存在违规,或者侵犯商业秘密、侵犯著作权等,请点击“违规举报”。

碎片内容

最新江苏环境监测专业服务收费标准

您可能关注的文档

爱的疯狂+ 关注
实名认证
内容提供者

该用户很懒,什么也没介绍

确认删除?
VIP
微信客服
  • 扫码咨询
会员Q群
  • 会员专属群点击这里加入QQ群
客服邮箱
回到顶部