电脑桌面
添加小米粒文库到电脑桌面
安装后可以在桌面快捷访问

机械加工工序卡片VIP免费

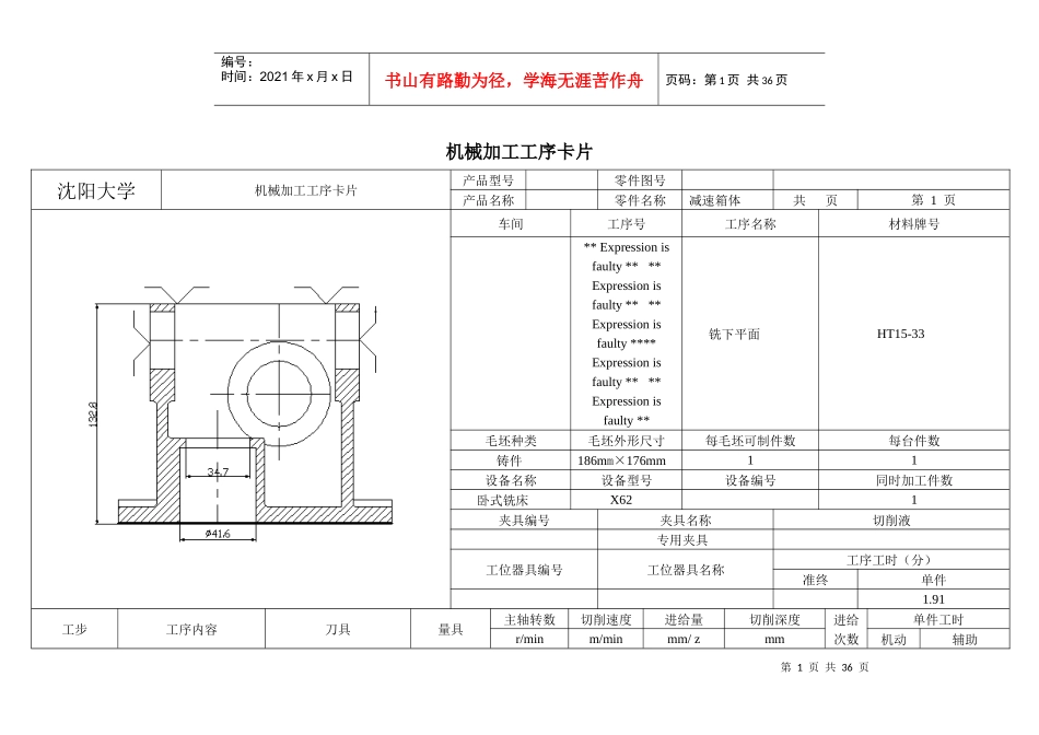
机械加工工序卡片_第1页
1/36
机械加工工序卡片_第2页
2/36
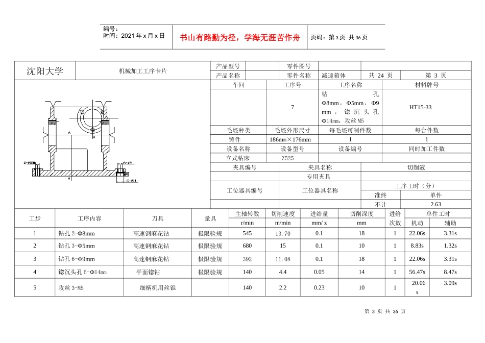
机械加工工序卡片_第3页
3/36
第1页共36页编号:时间:2021年x月x日书山有路勤为径,学海无涯苦作舟页码:第1页共36页机械加工工序卡片沈阳大学机械加工工序卡片产品型号零件图号产品名称零件名称减速箱体共页第1页车间工序号工序名称材料牌号**Expressionisfaulty****Expressionisfaulty****Expressionisfaulty****Expressionisfaulty****Expressionisfaulty**铣下平面HT15-33毛坯种类毛坯外形尺寸每毛坯可制件数每台件数铸件186mm×176mm11设备名称设备型号设备编号同时加工件数卧式铣床X621夹具编号夹具名称切削液专用夹具工位器具编号工位器具名称工序工时(分)准终单件1.91工步工序内容刀具量具主轴转数切削速度进给量切削深度进给次数单件工时r/minm/minmm/zmm机动辅助第2页共36页第1页共36页编号:时间:2021年x月x日书山有路勤为径,学海无涯苦作舟页码:第2页共36页1粗铣底平面端面铣刀游标卡尺15037.70.082193.7514.6设计(日期)校对(日期)审核(日期)标准化(日期)会签(日期)标记处数更改文件号签字日期标记处数更改文件号签字日期第3页共36页第2页共36页编号:时间:2021年x月x日书山有路勤为径,学海无涯苦作舟页码:第3页共36页沈阳大学机械加工工序卡片产品型号零件图号产品名称零件名称减速箱体共24页第3页车间工序号工序名称材料牌号7钻孔Ф8mm,Ф5mm,Ф9mm,锪沉头孔Ф14mm,攻丝M5HT15-33毛坯种类毛坯外形尺寸每毛坯可制件数每台件数铸件186mm×176mm11设备名称设备型号设备编号同时加工件数立式钻床Z525夹具编号夹具名称切削液专用夹具工位器具编号工位器具名称工序工时(分)准终单件不计2.63工步工序内容刀具量具主轴转数切削速度进给量切削深度进给次数单件工时r/minm/minmm/zmm机动辅助1钻孔2-Ф8mm高速钢麻花钻极限验规54513.700.118122.06s3.31s2钻孔3-Ф5mm高速钢麻花钻极限验规680150.11018.83s1.32s3钻孔6-Ф9mm高速钢麻花钻极限验规39211.080.118122.06s3.31s4锪沉头孔6-Ф14mm平面锪钻极限验规1404.40.0514156.47s8.47s5攻丝3-M5细柄机用丝锥1402.20.2310120.06s3.09s第4页共36页第3页共36页编号:时间:2021年x月x日书山有路勤为径,学海无涯苦作舟页码:第4页共36页设计(日期)校对(日期)审核(日期)标准化(日期)会签(日期)标记处数更改文件号签字日期标记处数更改文件号签字日期沈阳大学机械加工工序卡片产品型号零件图号产品名称零件名称减速箱体共24页第20页车间工序号工序名称材料牌号24钻孔,攻丝上表面4XM5HT15-33毛坯种类毛坯外形尺寸每毛坯可制件数每台件数铸件186mm×176mm11设备名称设备型号设备编号同时加工件数立式钻床Z525夹具编号夹具名称切削液专用夹具工位器具编号工位器具名称工序工时(分)准终单件不计0.78工步工序内容刀具量具主轴转数切削速度进给量切削深度进给单件工时第5页共36页第4页共36页编号:时间:2021年x月x日书山有路勤为径,学海无涯苦作舟页码:第5页共36页次数r/minm/minmm/zmm机动辅助1钻孔上表面4XФ5mm高速钢麻花钻极限验规680150.112123.34s3.5s2攻螺纹上表面4XФ5mm细柄机用丝锥1902.980.2312115s2.25s设计(日期)校对(日期)审核(日期)标准化(日期)会签(日期)标记处数更改文件号签字日期标记处数更改文件号签字日期第6页共36页第5页共36页编号:时间:2021年x月x日书山有路勤为径,学海无涯苦作舟页码:第6页共36页沈阳大学机械加工工序卡片产品型号零件图号产品名称零件名称减速箱体共24页第21页车间工序号工序名称材料牌号25钻孔,攻丝左表面3-M5HT15-33毛坯种类毛坯外形尺寸每毛坯可制件数每台件数铸件186mm×176mm11设备名称设备型号设备编号同时加工件数立式钻床Z525夹具编号夹具名称切削液专用夹具工位器具编号工位器具名称工序工时(分)准终单件不计1.37工步工序内容刀具量具主轴转数切削速度进给量切削深度进给次数单件工时r/minm/minmm/zmm机动辅助1钻孔左表面3XФ5mm高速钢麻花钻极限验规680150.125126.47s3.97s2攻螺纹左表面3XФ5mm细柄机用丝锥1902.980.2325141.19s6.18第7页共36页第6页共36页编号:时间:2021年x月x日书山有路勤为径,学海无涯苦作舟页码:第7页共36页设计(日期)校对(...

1、当您付费下载文档后,您只拥有了使用权限,并不意味着购买了版权,文档只能用于自身使用,不得用于其他商业用途(如 [转卖]进行直接盈利或[编辑后售卖]进行间接盈利)。
2、本站所有内容均由合作方或网友上传,本站不对文档的完整性、权威性及其观点立场正确性做任何保证或承诺!文档内容仅供研究参考,付费前请自行鉴别。
3、如文档内容存在违规,或者侵犯商业秘密、侵犯著作权等,请点击“违规举报”。

碎片内容

机械加工工序卡片

确认删除?
VIP
微信客服
  • 扫码咨询
会员Q群
  • 会员专属群点击这里加入QQ群
客服邮箱
回到顶部