电脑桌面
添加小米粒文库到电脑桌面
安装后可以在桌面快捷访问

某化纤企业质量管理工程师职务说明书VIP免费

某化纤企业质量管理工程师职务说明书_第1页
1/4
某化纤企业质量管理工程师职务说明书_第2页
2/4
某化纤企业质量管理工程师职务说明书_第3页
3/4
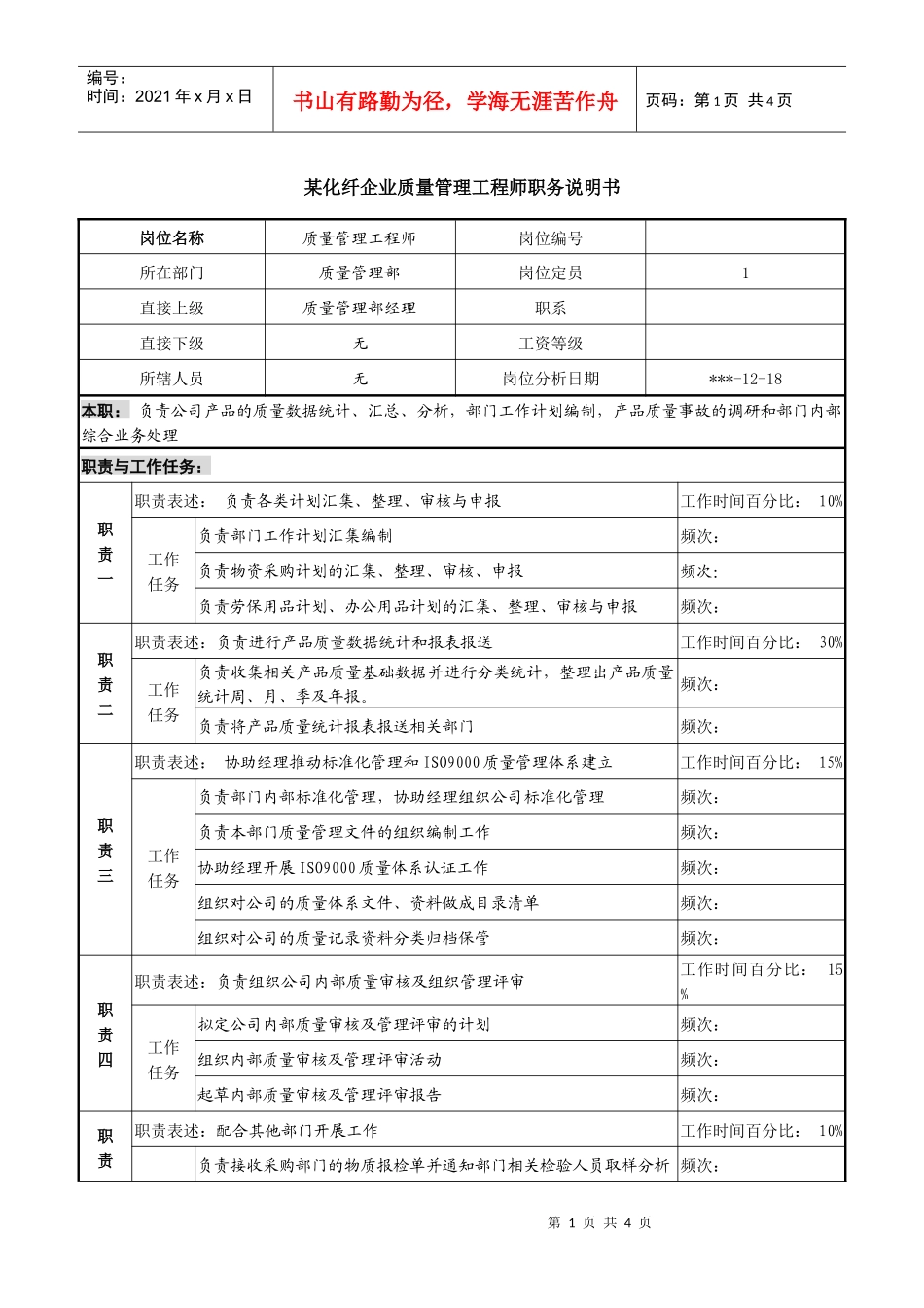
第1页共4页编号:时间:2021年x月x日书山有路勤为径,学海无涯苦作舟页码:第1页共4页某化纤企业质量管理工程师职务说明书岗位名称质量管理工程师岗位编号所在部门质量管理部岗位定员1直接上级质量管理部经理职系直接下级无工资等级所辖人员无岗位分析日期***-12-18本职:负责公司产品的质量数据统计、汇总、分析,部门工作计划编制,产品质量事故的调研和部门内部综合业务处理职责与工作任务:职责一职责表述:负责各类计划汇集、整理、审核与申报工作时间百分比:10%工作任务负责部门工作计划汇集编制频次:负责物资采购计划的汇集、整理、审核、申报频次:负责劳保用品计划、办公用品计划的汇集、整理、审核与申报频次:职责二职责表述:负责进行产品质量数据统计和报表报送工作时间百分比:30%工作任务负责收集相关产品质量基础数据并进行分类统计,整理出产品质量统计周、月、季及年报。频次:负责将产品质量统计报表报送相关部门频次:职责三职责表述:协助经理推动标准化管理和ISO9000质量管理体系建立工作时间百分比:15%工作任务负责部门内部标准化管理,协助经理组织公司标准化管理频次:负责本部门质量管理文件的组织编制工作频次:协助经理开展ISO9000质量体系认证工作频次:组织对公司的质量体系文件、资料做成目录清单频次:组织对公司的质量记录资料分类归档保管频次:职责四职责表述:负责组织公司内部质量审核及组织管理评审工作时间百分比:15%工作任务拟定公司内部质量审核及管理评审的计划频次:组织内部质量审核及管理评审活动频次:起草内部质量审核及管理评审报告频次:职责职责表述:配合其他部门开展工作工作时间百分比:10%负责接收采购部门的物质报检单并通知部门相关检验人员取样分析频次:第2页共4页第1页共4页编号:时间:2021年x月x日书山有路勤为径,学海无涯苦作舟页码:第2页共4页五工作任务负责接收检验报告单的并将检验结论反馈报验部门和传递至其它相关部门频次:接受产品质量投诉,协助经理处理产品质量投诉频次:职责六职责表述:负责部门内日常综合杂务工作时间百分比:15%工作任务负责部门考勤表初审,各岗位人员考核情况汇总与薪酬计算。频次:负责部门的薪酬表及其它福利费用等报表的编制及资金领取发放频次:负责部门内各种文件、报表、设备开箱资料及其它资料的收集整理与查阅频次:负责组织公司检测设备和仪器的台帐管理频次:负责部门内一线员工各项费用报销及发放频次:职责七职责表述:完成上级交办的其他工作工作时间百分比:5%权力:和工作直接关联岗位协调权各部门和质量有关资料和报表的索取权相关事情的知情权学习和接受再教育、培训的权力本领域(专业)获取信息、知识的工具使用权工作建议权对员工出勤的监督权文件的管理权工作协作关系:内部协调关系物流部相关人员、采购部相关人员、进出口部相关人员、公司办公室相关人员、人力资源部相关人员、企业管理部相关人员、财务管理部相关人员、公司工会以及各分厂统计员等发生联系外部协调关系任职资格:教育水平大学专科及以上学历专业化学分析或物化检验及质量管理等相关专业培训经历统计技术培训、劳资管理培训、质量检验培训经验1年以上的相关统计经验,2年以上质量相关岗位工作经验知识熟悉薪酬、统计方面、原辅料、产品质量基本知识第3页共4页第2页共4页编号:时间:2021年x月x日书山有路勤为径,学海无涯苦作舟页码:第3页共4页技能技巧熟练使用工作用办公软件,具有较强的综合协调能力和领会能力其它:使用工具设备一般办公自动化设备工作环境办公楼环境工作时间特征正常工作时间,偶尔加班所需记录文档及传达部门和人员备忘录:自用;总结:部门经理;质量报表、计划:经理、相关部门;各类台帐考核要点备注:第4页共4页第3页共4页编号:时间:2021年x月x日书山有路勤为径,学海无涯苦作舟页码:第4页共4页

1、当您付费下载文档后,您只拥有了使用权限,并不意味着购买了版权,文档只能用于自身使用,不得用于其他商业用途(如 [转卖]进行直接盈利或[编辑后售卖]进行间接盈利)。
2、本站所有内容均由合作方或网友上传,本站不对文档的完整性、权威性及其观点立场正确性做任何保证或承诺!文档内容仅供研究参考,付费前请自行鉴别。
3、如文档内容存在违规,或者侵犯商业秘密、侵犯著作权等,请点击“违规举报”。

碎片内容

某化纤企业质量管理工程师职务说明书

确认删除?
VIP
微信客服
  • 扫码咨询
会员Q群
  • 会员专属群点击这里加入QQ群
客服邮箱
回到顶部