电脑桌面
添加小米粒文库到电脑桌面
安装后可以在桌面快捷访问

智能电表保护方案-以上海唐辉电子有限公司某专案为例说开去VIP免费

智能电表保护方案-以上海唐辉电子有限公司某专案为例说开去_第1页
1/9
智能电表保护方案-以上海唐辉电子有限公司某专案为例说开去_第2页
2/9
智能电表保护方案-以上海唐辉电子有限公司某专案为例说开去_第3页
3/9
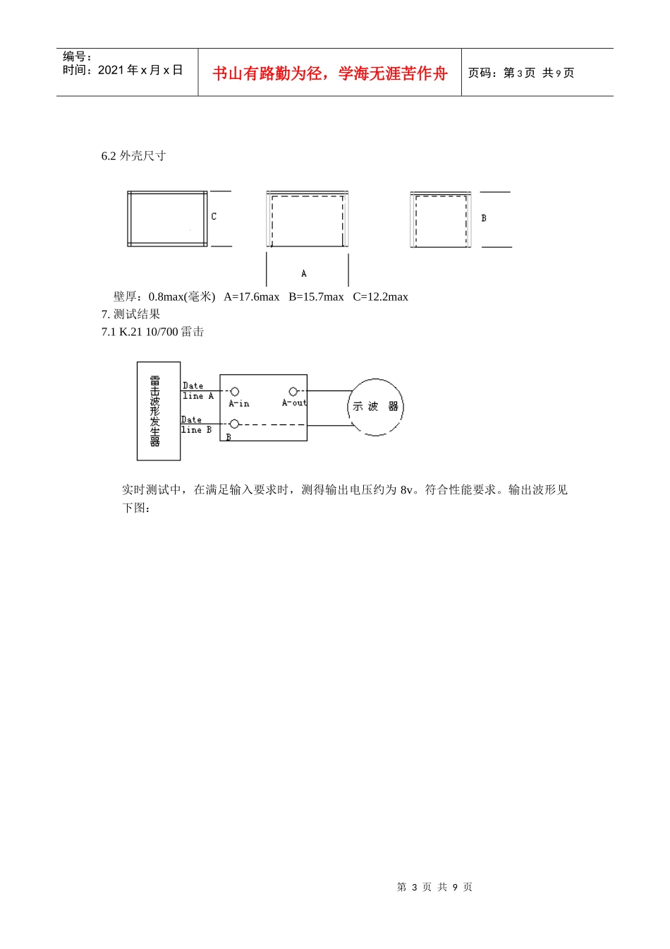
第1页共9页编号:时间:2021年x月x日书山有路勤为径,学海无涯苦作舟页码:第1页共9页上海唐辉电子智能电表保护方案Epowerdiagram1.工作原理图2.作用与功能应用于电表RS485接口的横向保护,提供6Kv雷击(10/700)、浪涌(8/20)以及600vAC错接和电力线搭碰保护。3.电性参数项目测试条件交收标准R(A-in~A-out)100~200Ω输出电压UoUi=20v,Ii=10mA,T≤15s6.45~7.15v4.保护性测试及交收标准项目测试条件交收标准K.2110/700雷击使用雷击波形发生器,设置其雷击波形为电压(10/700us),开路峰值电压1.5Kv,短路峰值电路37.5A。保护模块数据线间进行10雷击冲击,每次间隔60s,雷击极性每次正负交替。Uout≤12v浪涌使用雷击发生器,设置雷击波形为电压(1.2/50us)、电流(8/20us)组合波,开路峰值电压6Kv,短路峰值电流140A。保护模块数据线间进行10次雷击冲击,每次间隔60s,雷击极性每次正负交替。Uout≤12v搭碰试验试验电压U=220v,频率50Hz,持续时间15分钟。设置模拟负载为电阻600Ω。实验中模块和模拟负载不应着火或变形,实验一小时模块的A-in和A-out之间电阻不应超过16Ω,试验后模拟负载未被损坏(TBD)。感应试验试验电压U(600v+600Ω),持续时间8分钟。设置模拟负载为电阻600Ω。第2页共9页第1页共9页编号:时间:2021年x月x日书山有路勤为径,学海无涯苦作舟页码:第2页共9页5.机械尺寸(根据客户要求)A=17.6maxB=15.7maxC=12.2maxD=A/2E=C/2F=2.6±0.1G=4.5±0.1H=5.0±0.1ΦL=0.64(23AWG)单位:毫米6装配图6.1PCB尺寸图第3页共9页第2页共9页编号:时间:2021年x月x日书山有路勤为径,学海无涯苦作舟页码:第3页共9页6.2外壳尺寸壁厚:0.8max(毫米)A=17.6maxB=15.7maxC=12.2max7.测试结果7.1K.2110/700雷击实时测试中,在满足输入要求时,测得输出电压约为8v。符合性能要求。输出波形见下图:第4页共9页第3页共9页编号:时间:2021年x月x日书山有路勤为径,学海无涯苦作舟页码:第4页共9页第5页共9页第4页共9页编号:时间:2021年x月x日书山有路勤为径,学海无涯苦作舟页码:第5页共9页7.2浪涌测试实时测试中,在模块前端串接一个200Ω的电阻,在满足输入条件时,测得输出电压在8.2~8.4v之间,符合性能要求。输出波形见下图:第6页共9页第5页共9页编号:时间:2021年x月x日书山有路勤为径,学海无涯苦作舟页码:第6页共9页第7页共9页第6页共9页编号:时间:2021年x月x日书山有路勤为径,学海无涯苦作舟页码:第7页共9页7.3电力线搭碰测试7.3.1搭碰电压试验每个保护器件传输线间测试要求如下:试验电压:Ua.c.r.m.s=220v,频率50Hz;持续时间:15分钟;试验次数:K每位置一次;220v搭碰电压试验,满足输入要求时,输出端电压值为3.8v,持续15分钟后电压值减为3.3v。实验一小时后TVS管和负载电阻性能良好,未被损坏。7.3.2感应电压试验感应电压试验(600v+600Ω)。满足其输入条件,测试其输出端电压值为2.5v,3分第8页共9页第7页共9页编号:时间:2021年x月x日书山有路勤为径,学海无涯苦作舟页码:第8页共9页钟后减为2.2v。持续8分钟,其性能测试依然良好,符合要求。第9页共9页第8页共9页编号:时间:2021年x月x日书山有路勤为径,学海无涯苦作舟页码:第9页共9页

1、当您付费下载文档后,您只拥有了使用权限,并不意味着购买了版权,文档只能用于自身使用,不得用于其他商业用途(如 [转卖]进行直接盈利或[编辑后售卖]进行间接盈利)。
2、本站所有内容均由合作方或网友上传,本站不对文档的完整性、权威性及其观点立场正确性做任何保证或承诺!文档内容仅供研究参考,付费前请自行鉴别。
3、如文档内容存在违规,或者侵犯商业秘密、侵犯著作权等,请点击“违规举报”。

碎片内容

智能电表保护方案-以上海唐辉电子有限公司某专案为例说开去

您可能关注的文档

确认删除?
VIP
微信客服
  • 扫码咨询
会员Q群
  • 会员专属群点击这里加入QQ群
客服邮箱
回到顶部