电脑桌面
添加小米粒文库到电脑桌面
安装后可以在桌面快捷访问

半自动钻床机械原理课程设计大全VIP免费

半自动钻床机械原理课程设计大全_第1页
1/171
半自动钻床机械原理课程设计大全_第2页
2/171
半自动钻床机械原理课程设计大全_第3页
3/171
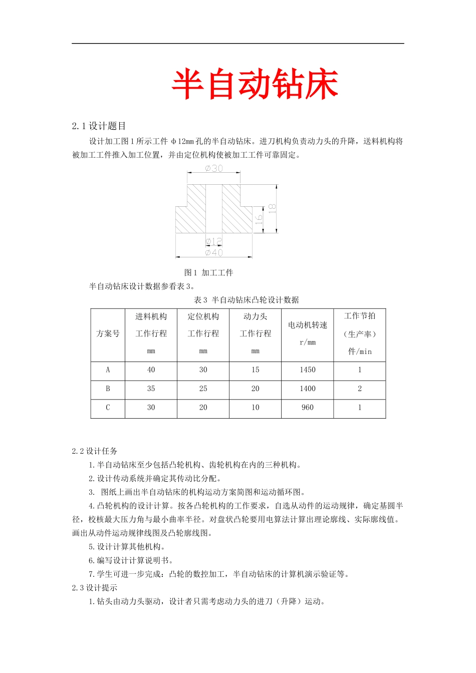
半自动钻床2.1设计题目设计加工图1所示工件ф12mm孔的半自动钻床。进刀机构负责动力头的升降,送料机构将被加工工件推入加工位置,并由定位机构使被加工工件可靠固定。图1加工工件半自动钻床设计数据参看表3。表3半自动钻床凸轮设计数据方案号进料机构工作行程mm定位机构工作行程mm动力头工作行程mm电动机转速r/mm工作节拍(生产率)件/minA40301514501B35252014002C30201096012.2设计任务1.半自动钻床至少包括凸轮机构、齿轮机构在内的三种机构。2.设计传动系统并确定其传动比分配。3.图纸上画出半自动钻床的机构运动方案简图和运动循环图。4.凸轮机构的设计计算。按各凸轮机构的工作要求,自选从动件的运动规律,确定基圆半径,校核最大压力角与最小曲率半径。对盘状凸轮要用电算法计算出理论廓线、实际廓线值。画出从动件运动规律线图及凸轮廓线图。5.设计计算其他机构。6.编写设计计算说明书。7.学生可进一步完成:凸轮的数控加工,半自动钻床的计算机演示验证等。2.3设计提示1.钻头由动力头驱动,设计者只需考虑动力头的进刀(升降)运动。机械综合设计Ⅰ项目设计说明书2.除动力头升降机构外,还需设计送料机构、定位机构。各机构运动循环要求见表4。3.可采用凸轮轴的方法分配协调各机构运动。表4机构运动循环要求凸轮轴转角10º20º30º45º60º75º90º105º~270º300º360º送料快进休止快退休止定位休止快进休止快退休止进刀休止快进快进快退休止三.运动方案的选择与比较方案的分析与比较:(1)减速机构:由于电动机的转速是1450r/min,而设计要求的主轴转速为2r/min,利用行星轮进行大比例的降速,然后用圆锥齿轮实现方向的转换。图4-1(1)对比机构:对比机构:定轴轮系传动;传动比=n输入/n输出=700传动比很大,要用多级传动。如图4-2.1机械综合设计Ⅰ项目设计说明书图4-2(3)进刀机构采用一个摆动滚子从动件盘行凸轮机构来传递齿轮齿条机构.因为我们用一个摆动滚子从动件盘行凸轮机构来传递齿轮机构,当进刀的时候,凸轮在推程阶段运行,很容易通过机构传递带动齿轮齿条啮合.带动动刀头来完成钻孔,摆杆转动的幅度也是等于齿廓转动的幅度,两个齿轮来传动也具有稳性。图4-3(4)对比机构:在摆杆上加一个平行四边行四杆机构,这样也可以来实现传动,但是当加了四杆机构以后并没有达到改善传动的效果,只是多增加了四杆机构,为了使机构结构紧凑,又能完成需要的传动,所以选择了一个摆动滚子从动件盘行凸轮机构。2机械综合设计Ⅰ项目设计说明书方案一:D1为了达到输出间歇运动同时能够做到循环往复运动,采用凸轮机构和扇形齿与齿条配合,中间采用连杆带动。先把回转运动动力转化为扇形齿的往复摆动,在通过齿轮传递给齿条,增加一个齿轮的目的是为了使传动更加的平稳可靠。图4-4(5)送料系统:采用一个六杆机构来代替曲柄滑块机构,由于设计的钻床在空间上传动轴之间的距离有点大,故一般四杆机构很难实现这种远距离的运动。再加上用四杆机构在本设计中在尺寸上很小。所以考虑到所设计的机构能否稳定的运行因此优先选用了如下图的六杆机构来实现。由于本设计送料时不要求在传动过程中有间歇,所以不需要使用凸轮机构。3机械综合设计Ⅰ项目设计说明书如图4-5。图4-5(6)对比机构:所选用的对比四杆机构如下图(图4-6),由于在空间上轴与轴之间的距离较大,但选用下来此四杆的尺寸太小。故优先选用六杆机构。方案二:4机械综合设计Ⅰ项目设计说明书B2采用凸轮与四杆机构的组合结构实现既有快慢变化的运动又有休止的间歇运动。图4-6(7)定位系统:定位系统采用的是一个偏置直动滚子从动件盘型凸轮,因为定位系统要有间歇,所以就要使用凸轮机构,但如果是平底推杆从动件,则凸轮就会失真,若增加凸轮的基圆半径,那么凸轮机构的结构就会很大,也不求实际,所以就采用一个偏置直动滚子从动件盘型凸轮,它就可以满足我们的实际要求了。5机械综合设计Ⅰ项目设计说明书图4-7(8)对比机构:采用弹力急回间歇机构来代替偏置直动滚子从动件盘型凸轮,它是将旋转运动转换成单侧停歇的往复运动。这样也可以完成实际要求,但是为了使设计的机构结构紧凑,又能节省材料...

1、当您付费下载文档后,您只拥有了使用权限,并不意味着购买了版权,文档只能用于自身使用,不得用于其他商业用途(如 [转卖]进行直接盈利或[编辑后售卖]进行间接盈利)。
2、本站所有内容均由合作方或网友上传,本站不对文档的完整性、权威性及其观点立场正确性做任何保证或承诺!文档内容仅供研究参考,付费前请自行鉴别。
3、如文档内容存在违规,或者侵犯商业秘密、侵犯著作权等,请点击“违规举报”。

碎片内容

半自动钻床机械原理课程设计大全

您可能关注的文档

确认删除?
VIP
微信客服
  • 扫码咨询
会员Q群
  • 会员专属群点击这里加入QQ群
客服邮箱
回到顶部