电脑桌面
添加小米粒文库到电脑桌面
安装后可以在桌面快捷访问

工贸企业纺织隐患排查和治理培训资料VIP免费

工贸企业纺织隐患排查和治理培训资料_第1页
1/101
工贸企业纺织隐患排查和治理培训资料_第2页
2/101
工贸企业纺织隐患排查和治理培训资料_第3页
3/101
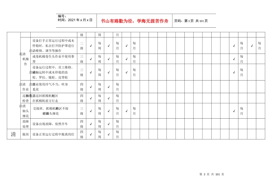
第1页共101页编号:时间:2021年x月x日书山有路勤为径,学海无涯苦作舟页码:第1页共101页工贸企业纺织隐患排查和治理前纺车间隐患排查分配表..............................................................................................................................2细纱车间隐患排查分配表............................................................................................................................13后纺车间隐患排查分配表............................................................................................................................18准备车间隐患排查分配表............................................................................................................................37喷织车间隐患排查分配表............................................................................................................................42坯整车间隐患排查分配表............................................................................................................................54坯染车间隐患排查分配表............................................................................................................................59纱染车间隐患排查分配表............................................................................................................................67整理车间隐患排查分配表............................................................................................................................75第2页共101页第1页共101页编号:时间:2021年x月x日书山有路勤为径,学海无涯苦作舟页码:第2页共101页前纺车间隐患排查分配表作业区域作业步骤危险源风险等级基层组织检查专业组织检查公司排查班组岗位周期车间工段周期分公司周期安全部门周期动力部门周期机修部门周期后勤部门周期储运部门周期安委会周期安委办周期清花工序推包、开包作业清花车工推包、掀包时用力不当四级√每周√每月清花车工推包、放包时棉包倒地四级√每周√每月清花车工推包行走过快,未能及时避让行人和车辆四级√每周√每月清花车工开包作业时防护不到位四级√每周√每月棉包铁丝、扎带捆绑不牢绷开四级√每周√每月开车前检查开车前未进行设备检查及周边环境检查四级√每周√每月开车时未发出开车信号或指令四√每√每第3页共101页第2页共101页编号:时间:2021年x月x日书山有路勤为径,学海无涯苦作舟页码:第3页共101页级周月清花机操作设备打手正常运行过程中或未停稳时,私自打开防护罩进行清洁、维修、调节等操作二级√每周√每月√每月√每月√每月成卷机棉卷生头作业不使用拳背三级√每周√每月√每月√每月设备运行过程中,员工维修、清洁碰触运转中或未停稳的齿轮、罗拉、链轮、皮带轮三级√每周√每月√每月√每月清洁作业清洁作业使用冷气不当,吹身上花毛四级√每周√每月巡回检查清花操作工巡回抓棉机包区时在抓棉机前方行走四级√每周√每月清洁轴头缠花交接班、抓棉机换区时,不按时清洁轴头缠花三级√每周√每月√每月√每月故障处理设备出现故障,依然开车四级√每周√每月清脱岗设备正常运行过程中脱离岗位四级√每周√每月第4页共101页第3页共101页编号:时间:2021年x月x日书山有路勤为径,学海无涯苦作舟页码:第4页共101页花工序异物进入打火1、高速运转的打手开松过程打击金属块、丝、石块、硬棉块等杂物,打击摩擦产生火花;2、硬棉块、缠花进入风机,与高速运转的风机页扇打击或与风机蜗壳之间摩擦产生火花;3、棉包内的绳子、石头、布条等杂物与打手或风机页扇打击摩擦起火。二级√每周√每月√每月√每月√每月设备摩擦打火1、设备高速运转部位与墙板、尘棒等部位塞花或摩擦打火;2、原料缠绕高速运转打手、罗拉等轴头,摩擦发热着火;3、滤尘压紧器缠花摩擦着火三级√每周√每月√每月√每月金火探失灵金属火星探测装置失...

1、当您付费下载文档后,您只拥有了使用权限,并不意味着购买了版权,文档只能用于自身使用,不得用于其他商业用途(如 [转卖]进行直接盈利或[编辑后售卖]进行间接盈利)。
2、本站所有内容均由合作方或网友上传,本站不对文档的完整性、权威性及其观点立场正确性做任何保证或承诺!文档内容仅供研究参考,付费前请自行鉴别。
3、如文档内容存在违规,或者侵犯商业秘密、侵犯著作权等,请点击“违规举报”。

碎片内容

工贸企业纺织隐患排查和治理培训资料

您可能关注的文档

确认删除?
VIP
微信客服
  • 扫码咨询
会员Q群
  • 会员专属群点击这里加入QQ群
客服邮箱
回到顶部