电脑桌面
添加小米粒文库到电脑桌面
安装后可以在桌面快捷访问

大朗车站钢筋机械连接作业指导书范本VIP免费

大朗车站钢筋机械连接作业指导书范本_第1页
1/7
大朗车站钢筋机械连接作业指导书范本_第2页
2/7
大朗车站钢筋机械连接作业指导书范本_第3页
3/7
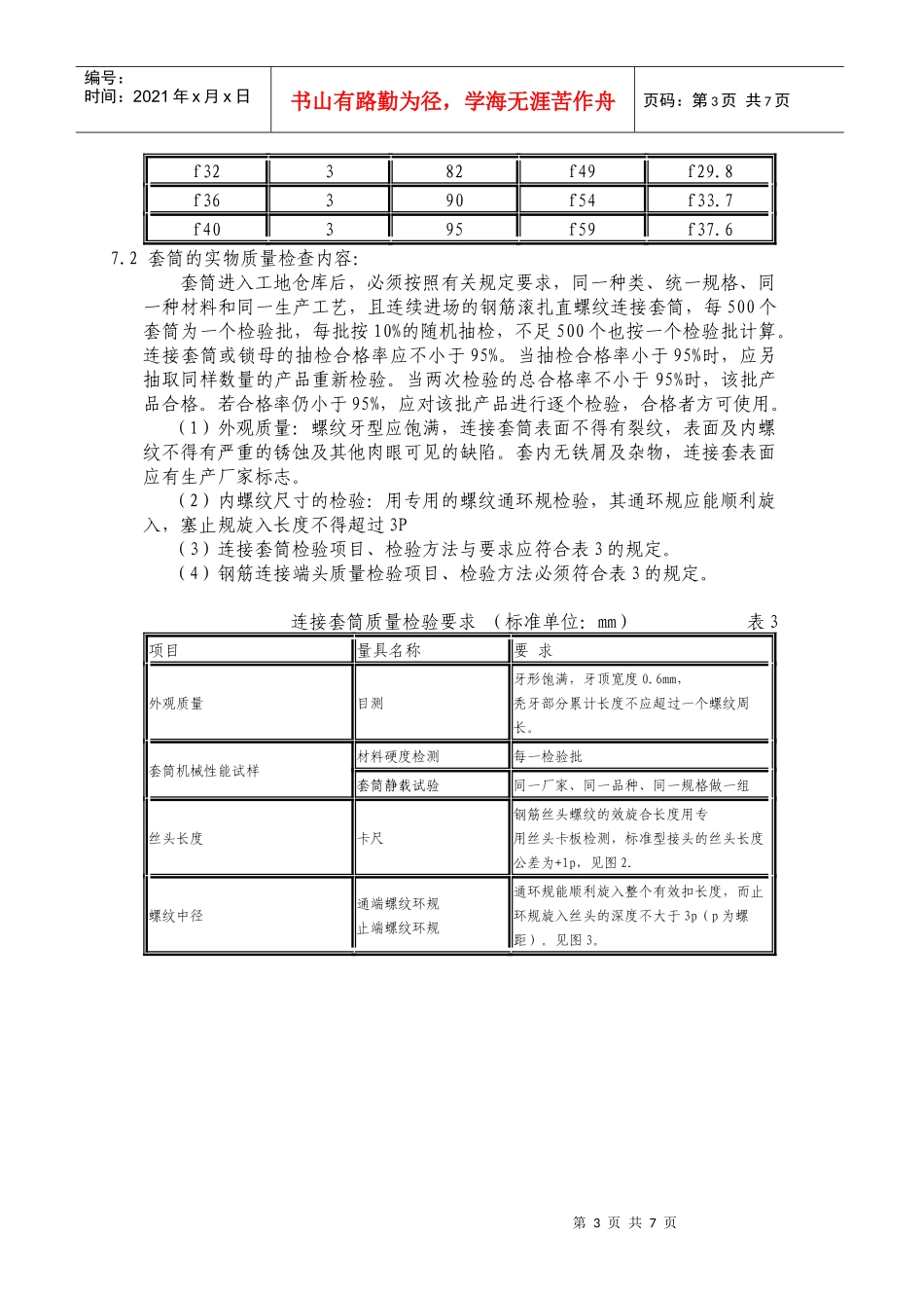
第1页共7页编号:时间:2021年x月x日书山有路勤为径,学海无涯苦作舟页码:第1页共7页1目的为在混凝土结构中使用钢筋机械连接,做到技术先进、安全适用、经济合理,确保质量,特编制钢筋机械连接作业指导书。2编制依据《铁路混凝土工程钢筋机械连接技术暂行规定》(铁建设【2010】41号)《混凝土结构施工质量及验收规范》(GB50204—2002)《钢筋混凝土热轧带肋钢筋》(GB1499—1998)与本作业指导书有关的施工图纸。3适用范围钢筋机械连接方法及适用范围见下表钢筋机械连接方法分类及适用范围表1机械连接方法适用范围钢筋级别钢筋直径(mm)钢筋锥螺纹套筒连接HRB335、HRB40016—40RRB40016—404直螺纹套筒连接优点a、端头丝在加工厂加工,现场组装,速度快、成本低;b、连接钢筋利用力矩板手,不受气候影响,可全天施工;c、可连接水平筋和竖筋,不受化学成份和含碳量限制;d、钢筋接头自锁性能好,能传递拉力和压力。5施工准备5.1参与接头施工的操作工人、技术管理和质量管理人员均应参加技术规程培训;操作工人应经考核合格后持证上岗。5.2技术人员熟悉图纸及有关的规范、规程、标准,编制作业指导书。5.3技术人员在施工前向具体作业人员进行全面的技术交底。5.4钢筋应先调直再下料。切口端面应与钢筋轴线垂直,不得有马蹄形或挠曲,不得用气割下料,应用砂轮切割机下料。第2页共7页第1页共7页编号:时间:2021年x月x日书山有路勤为径,学海无涯苦作舟页码:第2页共7页5.5机械准备5.5.1钢筋套丝机钢筋套丝机是加工锥形螺纹的一种专用设备,螺纹丝头加工时,应采用水性润滑液,不得使用油性润滑液。5.5.2扭力板手扭力板手是把钢筋与连接套筒拧紧的工具,其型号为PW360(管钳型)性能100—360NM,HL—02型,性能70—350NM。5.5.3量规量规包括牙形规、卡规和锥螺纹塞规(塞通规、塞止规)。6钢筋直螺纹套筒连接接一般要求6.1结构构件中纵向受力钢筋的接头宜相互错开,钢筋机械连接的连接区段长度应按35d计算(d为被连接钢筋中的较大直径)且不小于500mm以内确定。在同一连接区段内有接头的受力钢筋截面面积占受力钢筋总截面面积的百分率(以下简称接头百分率),应符合下列规定:(1)接头宜避开有抗震设防要求的框架的梁端、柱端箍筋加密区;当无法避开时,接头率不应大于50%。(2)对直接承受动力荷载的结构构件,接头百分率不应大于50%。(3)受拉区的受力钢筋接头百分率不应大于50%。(4)受拉钢筋应力较小部位或纵向受压钢筋,接头百分率可不受限制,但亦尽量错开。6.2钢筋弯曲点与接头端头距离大于钢筋直径的10倍,严禁在接头处弯曲。7钢筋滚扎直螺纹连接的技术条件7.1连接套筒的质量检验连接套筒进场后,必须对连接套筒的实物和质量证明文件进行检查:(1)质量证明文件检查项目:产品合格证应包括以下内容:材质(为45号结构钢)、型号、规格;适用钢筋的品种;连接接头的性能等级;产品批号;检验日期;质检合格签章;厂家名称、地址、电话;当有特殊要求时应表明相应的检验内容及指标。(2)连接套筒尺寸应满足产品设计要求。在设计图纸没有规定的情况下套筒尺寸应满足表2的要求。连接套外形尺寸单位:mm表2规格(d)螺距(p)长度(mm)外径(mm)螺纹小径(mm)f162.545f25f14.8f182.550f29f16.7f202.554f31f18.1f222.560f33f20.4f25364f39f23.0f28370f44f26.1第3页共7页第2页共7页编号:时间:2021年x月x日书山有路勤为径,学海无涯苦作舟页码:第3页共7页f32382f49f29.8f36390f54f33.7f40395f59f37.67.2套筒的实物质量检查内容:套筒进入工地仓库后,必须按照有关规定要求,同一种类、统一规格、同一种材料和同一生产工艺,且连续进场的钢筋滚扎直螺纹连接套筒,每500个套筒为一个检验批,每批按10%的随机抽检,不足500个也按一个检验批计算。连接套筒或锁母的抽检合格率应不小于95%。当抽检合格率小于95%时,应另抽取同样数量的产品重新检验。当两次检验的总合格率不小于95%时,该批产品合格。若合格率仍小于95%,应对该批产品进行逐个检验,合格者方可使用。(1)外观质量:螺纹牙型应饱满,连接套筒表面不得有裂纹,表面及内螺纹不得有严重的锈蚀及其他肉眼可见...

1、当您付费下载文档后,您只拥有了使用权限,并不意味着购买了版权,文档只能用于自身使用,不得用于其他商业用途(如 [转卖]进行直接盈利或[编辑后售卖]进行间接盈利)。
2、本站所有内容均由合作方或网友上传,本站不对文档的完整性、权威性及其观点立场正确性做任何保证或承诺!文档内容仅供研究参考,付费前请自行鉴别。
3、如文档内容存在违规,或者侵犯商业秘密、侵犯著作权等,请点击“违规举报”。

碎片内容

大朗车站钢筋机械连接作业指导书范本

精品中小学文档+ 关注
实名认证
内容提供者

精品资料,值得下载

确认删除?
VIP
微信客服
  • 扫码咨询
会员Q群
  • 会员专属群点击这里加入QQ群
客服邮箱
回到顶部