电脑桌面
添加小米粒文库到电脑桌面
安装后可以在桌面快捷访问

大坝裂缝处理方案VIP免费

大坝裂缝处理方案_第1页
1/8
大坝裂缝处理方案_第2页
2/8
大坝裂缝处理方案_第3页
3/8
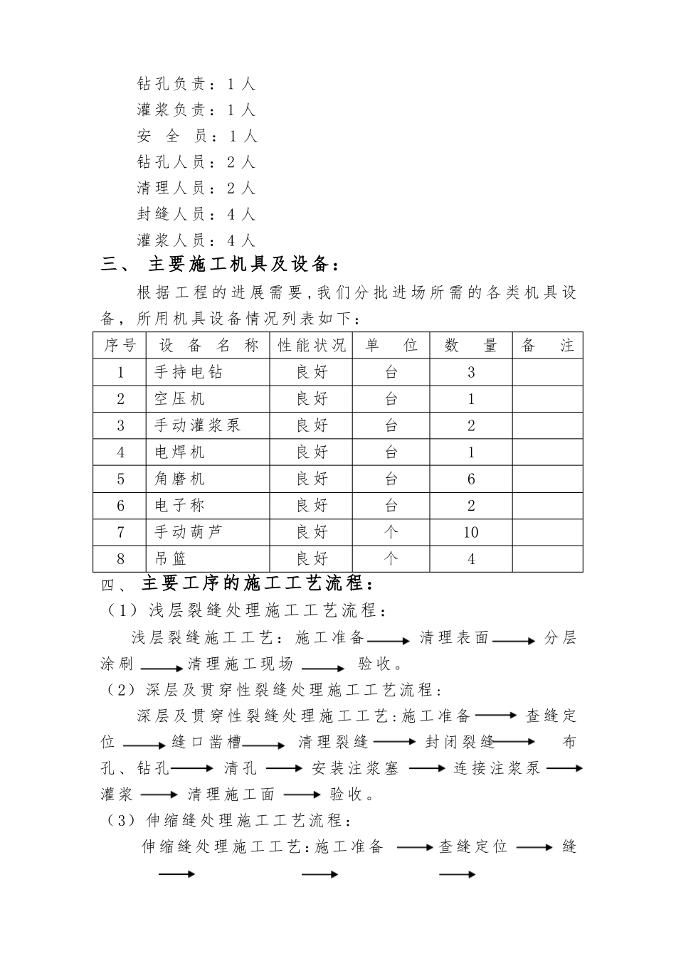
砼大坝裂缝处理方案目录1、工程概况2、施工组织机构及人员配置3、主要施工机具及设备4、主要工序的施工工艺流程5、裂缝处理方案6、施工质量保证措施7、施工安全注意事项8、化学浆材的使用和保管9、混凝土裂缝处理检查标准砼大坝裂缝处理方案一、工程概况:工程基本情况(略)裂缝调查情况(略)裂缝判定标准:大体积混凝土裂缝分类及评判标准:Ⅰ类:一般缝宽δ〈0。2mm,缝深h≤30cm,性状表现为龟裂或呈细微规则性。多由于干缩、沉缩所产生,对结构应力、耐久性和安全基本无影响;Ⅱ类:表面(浅层)裂缝,一般缝宽0。2mm≤δ〈0.3mm,缝深30cm>h≤100cm,平面缝长3m〈L〈5m,呈规则状。多由于气温骤降期温度冲击且保温不善等形成.视裂缝所在部位对结构应力、耐久性和安全运行有一定程序影响;Ⅲ类:表面深层裂缝,缝宽100cm500cm,若从基础向开裂,且平面上贯穿全仓,则称为基础贯穿裂缝,否则称为贯穿裂缝.这种裂缝主要由于基础温差超过设计标准,或在基础约束区受较大气温骤降冲击产生的裂缝在后期降温中继续发展等原因而形成.它使结构受力、耐久性和稳定安全系数降到临界值或其下.钢筋混凝土裂缝分类评判标准:Ⅰ类:表面缝宽δ〈0。20mm,缝长50cm≤L〈100cm,缝深h≤30cm;Ⅱ类:表面裂缝宽0.2mm≤δ<0。3mm,缝长100cm≤L〈200cm,缝深30cm0。4mm,缝长L≥400cm,缝深h≥200cm或基本将结构裂穿(大于2/3结构厚度)。二、施工组织机构及人员配置:为了保证施工目标的实现,我公司在施工现场设立了项目经理部,明确了各自的职责,项目经理部人员构成如下:项目经理:1人技术负责:1人钻孔负责:1人灌浆负责:1人安全员:1人钻孔人员:2人清理人员:2人封缝人员:4人灌浆人员:4人三、主要施工机具及设备:根据工程的进展需要,我们分批进场所需的各类机具设备,所用机具设备情况列表如下:序号设备名称性能状况单位数量备注12345678手持电钻空压机手动灌浆泵电焊机角磨机电子称手动葫芦吊篮良好良好良好良好良好良好良好良好台台台台台台个个312162104四、主要工序的施工工艺流程:(1)浅层裂缝处理施工工艺流程:浅层裂缝施工工艺:施工准备清理表面分层涂刷清理施工现场验收。(2)深层及贯穿性裂缝处理施工工艺流程:深层及贯穿性裂缝处理施工工艺:施工准备查缝定位缝口凿槽清理裂缝封闭裂缝布孔、钻孔清孔安装注浆塞连接注浆泵灌浆清理施工面验收。(3)伸缩缝处理施工工艺流程:伸缩缝处理施工工艺:施工准备查缝定位缝面清理清理伸缩缝封闭伸缩缝布孔、钻孔清孔安装注浆塞连接注浆泵灌浆清理施工面验收。五、裂缝处理方案5.1浅层裂缝处理方案浅层裂缝只进行表面处理,处理目的是进行封口封闭,以防止渗漏和钢筋锈蚀,增强抗冲磨能力。该工程砼裂缝宽可能受气温的影响。因此封闭材料宜采用弹性环氧涂料。具体方法是先将裂缝两边各2cm宽的区域打磨清洁,然后分层涂刷弹性环氧涂料,总涂层厚度不小于2mm.对于典型的变形缝,为了适应变形,最好采用架涂,不要采用满涂,架涂是在裂缝的表面两侧各涂0.5cm的石蜡油,然后在裂缝上涂4cm的弹性环氧涂料,这样利用1cm的自由变形区适应裂缝变形.合成后的弹性环氧涂料具有以下性能指标:粘结强度:4。1MPa;拉伸强度:1.0MPa;拉伸变形:20%;抗渗性能:对1mm的深层,从0.1MPa开始加压,每小时加0。1MPa,到1。5MPa,经过1小时不渗漏。5.2深层及贯穿性裂缝处理方案深层及贯穿性裂缝采用缝口凿槽嵌缝与缝内化学灌浆相结合的方法处理.V型凿槽尺寸为宽×深=5cm×4cm,槽内回填环氧砂浆,回填前应在槽底涂刷界面剂,以增强粘结强度.界面剂可采用以潮湿固化剂配置的环氧树脂基液。回填砂浆时应将砂浆捣实,直到表面冒浆,然后表面抹光。采用距缝...

1、当您付费下载文档后,您只拥有了使用权限,并不意味着购买了版权,文档只能用于自身使用,不得用于其他商业用途(如 [转卖]进行直接盈利或[编辑后售卖]进行间接盈利)。
2、本站所有内容均由合作方或网友上传,本站不对文档的完整性、权威性及其观点立场正确性做任何保证或承诺!文档内容仅供研究参考,付费前请自行鉴别。
3、如文档内容存在违规,或者侵犯商业秘密、侵犯著作权等,请点击“违规举报”。

碎片内容

大坝裂缝处理方案

您可能关注的文档

确认删除?
VIP
微信客服
  • 扫码咨询
会员Q群
  • 会员专属群点击这里加入QQ群
客服邮箱
回到顶部