电脑桌面
添加小米粒文库到电脑桌面
安装后可以在桌面快捷访问

国标热镀锌钢管规格尺寸理论重量表VIP免费

国标热镀锌钢管规格尺寸理论重量表_第1页
1/7
国标热镀锌钢管规格尺寸理论重量表_第2页
2/7
国标热镀锌钢管规格尺寸理论重量表_第3页
3/7
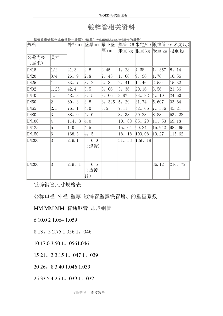
WORD格式整理版镀锌管相关资料钢管重量计算公式:[(外径—壁厚)*壁厚]*0.02466=kg/米(每米的重量)规格公称内径(毫米)DN15DN20DN25DN32DN40DN50DN65DN80DN100DN125DN150DN200英寸1/23/411.251。522.534568外径mm壁厚mm最小壁焊管(6米定尺)镀锌管(6米定尺)厚mm米重kg根重kg米重kg根重kg21.32.82.451。287.681。35726。92.82。451。669。961.7633。73。22。82。4114.462.55442.43.53。063。3620.163.5648。33。53。063.8723。224。1060。33.83。3255。2931.745.60776。14.03.57.1142。667。53688。94。08。3850.288.88114。34.010。8865。2811。531404.515。0490.2415.942168.34。518。18109.0819.27219.16.031。53189。18(焊管)219。16.536.12(热镀锌)8。1410.5615.3221.3624.6033.6445.2153。2869.1898。65115.62216。72DN2008镀锌钢管尺寸规格表公称口径外径壁厚镀锌管壁黑铁管增加的重量系数MMMMMM普通钢管加厚钢管610.021.0641.059813。52.751.0561。0461017.03.501。0561.0461521。33.151。0471。0392026。83.401.0461.0392533.54.251。0391。032专业学习参考资料WORD格式整理版3242。35。151。0391。032公称口径外径壁厚镀锌管壁黑铁管增加的重量系数MMMMMM普通钢管加厚钢管4048.04.001。0361.0305060。05.001.0361.0286575。55.251.0341.0288088。54。251.0321。027100114.07.001.0321.026125140。07.501.0281。023150165。07。501.0281。023镀锌钢管尺寸规格表说明:W=C×[0.02466×(D—S)×S]W——镀锌管每米重量:kg/mC—-镀锌管比黑铁管增加的重量系数D—-黑铁管的外径S—-黑铁管的壁厚镀锌管的分类镀锌钢管分冷镀管、热镀管,前者已被禁用,后者还被国家提倡暂时能用.热镀锌管:热镀锌管是使熔融金属与铁基体反应而产生合金层,从而使基体和镀层二者相结合。热镀锌是先将钢管进行酸洗,为了去除钢管表面的氧化铁,酸洗后,通过氯化铵或氯化锌水溶液或氯化铵和氯化锌混合水溶液槽中进行清洗,然后送入热浸镀槽中。热镀锌具有镀层均匀,附着力强,使用寿命长等优点。专业学习参考资料WORD格式整理版冷镀锌管:冷镀锌就是电镀锌,镀锌量很少,只有10-50g/m2,其本身的耐腐蚀性比热镀锌管相差很多。正规的镀锌管生产厂家,为了保证质量,大多不采用电镀锌(冷镀)。只有那些规模小、设备陈旧的小企业采用电镀锌,当然他们的价格也相对便宜一些。目前建设部已正式下文,淘汰技术落后的冷镀锌管,今后不准用冷镀锌管作水、煤气管.热镀锌钢管:钢管基体与熔融的镀液发生复杂的物理、化学反应,形成耐腐蚀的结构紧密的锌一铁合金层。合金层与纯锌层、钢管基体融为一体。故其耐腐蚀能力强.冷镀锌钢管:锌层是电镀层,锌层与钢管基体独立分层.锌层较薄,锌层简单附着在钢管基体上,容易脱落.故其耐腐蚀性能差。在新建住宅中,禁止使用冷镀锌钢管作为给水管。镀锌钢管的用途常说的镀锌管,镀锌管的用途现在煤气、暖气用的那种铁管也是镀锌管,镀锌管作为水管,使用几年后,管内产生大量锈垢,流出的黄水不仅污染洁具,而且夹杂着不光滑内壁滋生的细菌,锈蚀造成水中重金属含量过高,严重危害人体的健康。六七十年代,国际上发达国家开始开发新型管材,并陆续禁用镀锌管。中国建设部等四部委也发文明确从二000年起禁用镀锌管,目前新建小区的冷水管已经很少使用镀锌管了,有些小区的热水管使用的是镀锌管。镀锌管规格有:专业学习参考资料WORD格式整理版4分—1.82.5,6分—1.82.5,1寸2.0—3。0,1。2寸2。0—3。0,1。5寸2。2—3。25,2寸2。23.25,2。5寸2。53.5,3寸3.23.754寸2.5—3.75,5寸2.75—4.0,6寸2。75—4。0,8寸4。05.0镀锌管执行标准:GBT/T81622008、GB/T8163—2008、GB3087—2008、GB5310—2008、GB6479—2000、GB9948—2006、GB53121999、GB/T18984—2003、JISG3457、DIN17175—79、ASTM、ASME等.镀锌管应该达到的技术要求1、牌号和化学成分镀锌钢管用钢的牌号和化学成分应符合GB3092所规定的黑管用钢的牌号和化学成分。2、制造方法黑管的制造方法(炉焊或电焊)由制造厂选择。镀锌采用热浸镀锌法。3、螺纹及管接头专业学习参考资料WORD格式整理版3.1带螺纹交货...

1、当您付费下载文档后,您只拥有了使用权限,并不意味着购买了版权,文档只能用于自身使用,不得用于其他商业用途(如 [转卖]进行直接盈利或[编辑后售卖]进行间接盈利)。
2、本站所有内容均由合作方或网友上传,本站不对文档的完整性、权威性及其观点立场正确性做任何保证或承诺!文档内容仅供研究参考,付费前请自行鉴别。
3、如文档内容存在违规,或者侵犯商业秘密、侵犯著作权等,请点击“违规举报”。

碎片内容

国标热镀锌钢管规格尺寸理论重量表

您可能关注的文档

确认删除?
VIP
微信客服
  • 扫码咨询
会员Q群
  • 会员专属群点击这里加入QQ群
客服邮箱
回到顶部