电脑桌面
添加小米粒文库到电脑桌面
安装后可以在桌面快捷访问

复习+《机械制造装备设计》模拟试题1-5VIP免费

复习+《机械制造装备设计》模拟试题1-5_第1页
1/8
复习+《机械制造装备设计》模拟试题1-5_第2页
2/8
复习+《机械制造装备设计》模拟试题1-5_第3页
3/8
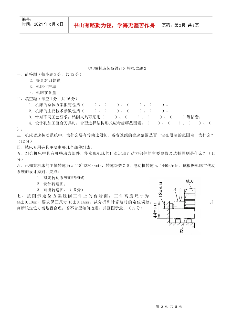
第1页共8页编号:时间:2021年x月x日书山有路勤为径,学海无涯苦作舟页码:第1页共8页《机械制造装备设计》模拟试题1一、简答题(每小题3分,共12分)2.成形式拉削3.机床夹具4.机床装料高度二、填空题(每空1分,共16分)1.生产线上常用的工艺装备包括()、()、()、()辅具、检具。2.组合机床总体设计的三图一卡是指()、()、()、()。3.工件以粗基准和精基准平面定位,采用()和()作定位元件;工件以粗基准孔和精基准孔定位,采用()和()作定位元件。4.在图示螺钉-压板夹紧机构中,零件1、2、3、4的作用分别是()、()、()、()。三、机床的传动系统为什么要遵循前多后少,前密后疏,前缓后急原则?(12分)四、何谓夹具的对定?包括哪几个方面?为什么使用夹具加工工件时,还需要解决夹具的对定问题?(15分)五、机床的支承件设计中,截面形状的选用原则是什么?怎样补偿不封闭支承件的刚度损失?(15分)六、已知某机床的主轴转速为n=100~1120r/min,转速级数Z=8,电动机转速nm=1440r/min。试根据机床主传动系统的设计原则,完成:1.拟定传动系统的结构式;2.设计转速图;3.画出转速图。(15分)七、在如图所示零件上铣槽,要求保证尺寸54−0.140和槽宽12h9。现有三种定位方案,如图b、c、d所示,试计算三种方案的定位误差,从中选出最优方案。第2页共8页第1页共8页编号:时间:2021年x月x日书山有路勤为径,学海无涯苦作舟页码:第2页共8页《机械制造装备设计》模拟试题2一、简答题(每小题3分,共12分)2.夹具对刀装置3.机床生产率4.机床前备量二、填空题(每空1分,共16分)1.机床的总体方案拟定包括()、()、()、()。2.机床的主要技术参数包括()、()、()、()。3.针对不同工艺要求,钻削夹具可采用()、()、()、()等钻套。4.设计孔加工复合刀具时,合理选择结构形式应考虑哪些因素:()、()、()、()。三、机床变速传动系统中,为什么要有传动比限制,各变速组的变速范围是否一定在限制的范围内,为什么?(12分)四、铣床专用夹具主要由哪几个部件组成。五、组合机床中具有哪些动力部件,能实现机床的什么运动?动力部件的主要参数及选择原则是什么?(15分)六、已知某机床的主轴转速为n=118~1320r/min,转速级数Z=8,电动机转速nm=1440r/min。试根据机床主传动系统的设计原则,完成:1.拟定传动系统的结构式;2.设计转速图;3.画出转速图。(15分)七、按图示定位方案铣削工件上的台阶面,工件高度尺寸为44±0.13mm,要求保正尺寸18±0.14mm。试分析和计算这时的定位误差,并判断该定位方案是否合理,若不合理如何改进,并画图示意。(15分)第3页共8页第2页共8页编号:时间:2021年x月x日书山有路勤为径,学海无涯苦作舟页码:第3页共8页《机械制造装备设计》模拟试题3一、简答题(每小题3分,共12分)1.机床装料高度2.夹具的定位元件3.渐成式拉削4.机床联系尺寸图二、填空题(每空题1分,共16分)1.工件以粗基准和精基准平面定位,采用()和()作定位元件;工件以粗基准孔和精基准孔定位,采用()和()作定位元件。2.确定机床夹具结构方案的主要内容是确定()、()、()、夹具其它部分的结构型式、()。3.孔加工复合刀具设计要点包括:合理选择刀具材料、()、()、()、()。4.推力轴承在主轴上的位置影响主轴的轴向精度和主轴(),设计时,一般普通机床采用(),数控机床采用(),组合机床采用()。三、问答题(12分)组合机床多轴箱传动设计与通用机床的主传动设计有什么不同?多轴箱传动设计的原则是什么?四、机床的支承部件应具备哪些基本要求?为什么大多数机床的支承部件采用铸铁制造?怎样补偿不封闭支承件的刚度损失?(15分)五、工件在夹具中定位和夹紧有何区别?保证一批工件在夹具中足够的定位精度应考虑哪两个方面因素?产生定位误差的原因是什么?(15分)六、已知某机床的主轴转速为n=106~1180r/min,转速级数Z=8,电动机转速nm=1440r/min。试根据机床主传动系统的设计原则,完成:1.拟定传动系统的结构式;2.设计转速图;3.画出转速图。(15分)七、如图所示工件的定位方式,已...

1、当您付费下载文档后,您只拥有了使用权限,并不意味着购买了版权,文档只能用于自身使用,不得用于其他商业用途(如 [转卖]进行直接盈利或[编辑后售卖]进行间接盈利)。
2、本站所有内容均由合作方或网友上传,本站不对文档的完整性、权威性及其观点立场正确性做任何保证或承诺!文档内容仅供研究参考,付费前请自行鉴别。
3、如文档内容存在违规,或者侵犯商业秘密、侵犯著作权等,请点击“违规举报”。

碎片内容

复习+《机械制造装备设计》模拟试题1-5

教育精品店+ 关注
实名认证
内容提供者

优良的服务

相关文档

确认删除?
VIP
微信客服
  • 扫码咨询
会员Q群
  • 会员专属群点击这里加入QQ群
客服邮箱
回到顶部