电脑桌面
添加小米粒文库到电脑桌面
安装后可以在桌面快捷访问

完整版安捷伦1200高效液相色谱仪验证方案VIP免费

完整版安捷伦1200高效液相色谱仪验证方案_第1页
1/15
完整版安捷伦1200高效液相色谱仪验证方案_第2页
2/15
完整版安捷伦1200高效液相色谱仪验证方案_第3页
3/15
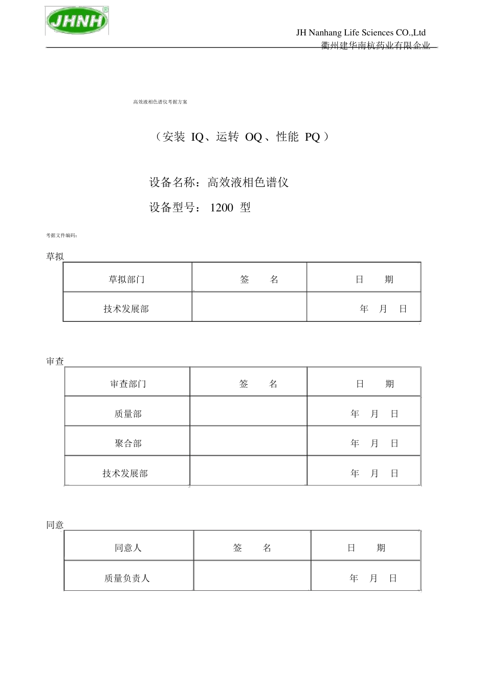
JHNanhangLifeSciencesCO.,Ltd衢州建华南杭药业有限企业高效液相色谱仪考据方案(安装IQ、运转OQ、性能PQ)设备名称:高效液相色谱仪设备型号:1200型考据文件编码:草拟草拟部门技术发展部签名日期年月日审查审查部门质量部聚合部技术发展部签名日年年年月月月期日日日同意同意人质量负责人签名日期年月日第1页共13页安捷伦1260高效液相色谱仪考据方案1、设备归纳2、考据目的3、考据小组人员及职责4、考据相关文件及依照5、仪器仪表有效性确认6、考据内容6.1人员培训确认6.2文件确认6.3安装确认6.4运转确认6.5性能确认7、误差办理8、更改管理9、考据周期10、结论编码:考据目录第2页共13页安捷伦1260高效液相色谱仪考据方案编码:安捷伦1260高效液相色谱仪考据方案1、仪器归纳本仪器由安捷伦科技有限企业生产,主要由工作站、G1311C高效液相色谱仪四元泵(内置脱气机)、标准自动进样器(G1329B)、柱温箱(G1316A)、可变波长紫外检测器(G1314F)等零件构成。为确认该设备的各项技术参数及性能能否能满足要求,保证化验室检测质量,现对该仪器进行考据。2、考据目的对该仪器进行运转确认及性能确认,以确立仪器能否拥有优异的检测性能,能否能满足平常解析测试工作的需要。3、考据小组人员及职责分工组长姓名毛江成部门化验室职责考据履行操作人,负责草拟考据方案,履行考据方案,采集整理数据,完成考据方案。1、负责协助实行考据方案;童丽霞质量部2、协助考据方案的草拟;3、参加审查考据方案和方案。成员徐云,罗丽琴化验室质量负责人1、负责实验的现场操作;2、负责基本数据的采集与记录;负责考据方案的同意实行、考据方案的同意同意李洁莲4、考据相关文件及依照《中国药典》2015年版4.2中国药品检验标准操作规程(2015年版)4.3安捷伦1200高效液相色谱仪标准操作规程4.4安捷伦1200高效液相色谱仪使用说明书5、使用的仪器仪表有效性确认序号12仪器名称电子解析天平电子解析天平型号BS224SBT125D厂家赛多利斯赛多利斯用途样品称量样品称量计量单位有效期至能否在校验有效期内是□是□否□否□结论:检查人:日期:日期:复核人:第3页共13页安捷伦1260高效液相色谱仪考据方案编码:6、考据内容6.1人员培训确认6.1.1确认方法:在履行以前,全部人员都需要认真阅读和理解各自的职责并进行相应的培训,按人员确认表中内容进行确认。6.1.2可接受标准:全部此方案的履行者都需要在下边的表格中署名。6.1.3确认记录:人员培训确认记录培训内容确认人员署名能否参加培训□是□是□否一、学习确认与考据的相关文件与解说。二、本次检测方法。□否□是□是□是□否□否□否培训时间:结论:检查人:检查日期:复核日期:年年月月日日复核人:6.2文件确认6.2.1方法:按记录所列文件清单进行逐项检查。6.2.2可接受标准:已经过同意而且是最新版文件。6.2.3确认记录:文件确认记录可接受标准序号文件名称文件编号能否已同意1安捷伦1200高效液相色谱仪标准操作规程SOP-ZL-QC-TS-202-C0□是□否结论:检查人:日期:日期:复核人:第4页共13页安捷伦1260高效液相色谱仪考据方案编码:6.3安装确认6.3.1主机确认由QC检查仪器的说明书,铭牌中输液泵、自动进样器等零件的参数和序列号并将检查的结果记录在下表中。零件设备零件号序列号输液泵自动进样器柱温箱紫外可变波长检测器结论:检查人:日期:日期:复核人:6.3.2电脑确认由QC打开电脑系统属性查察,并检查电脑主机接口,以保证电脑能够稳固的运转并支持液相色谱工作站运转流畅和稳固。介绍配置3GHz双核(介绍i5及以上)8GB500G及以上25寸1920×1080实质配置检查结果□是□是□是□是□是CPU内存硬盘显示器操作系统□否□否□否□否□否□否Windows7SP1(企业版或专业版)32位或64位通用串行口结论:主机带通用串行口(COM)□是检查人:日期:日期:复核人:6.3.3软件确认由QC检查确认软件的名称、序列号、版本号等信息,以及存放地点。项目确认结果软件名称软件序列号/版本号存放地点仪器IP安装工程师的资质及培训能否满足要求第5页共13页安捷伦1260高效液相色谱仪考据方案编码:结论:检查人:日期:日期:QC对安装状况进行检查。...

1、当您付费下载文档后,您只拥有了使用权限,并不意味着购买了版权,文档只能用于自身使用,不得用于其他商业用途(如 [转卖]进行直接盈利或[编辑后售卖]进行间接盈利)。
2、本站所有内容均由合作方或网友上传,本站不对文档的完整性、权威性及其观点立场正确性做任何保证或承诺!文档内容仅供研究参考,付费前请自行鉴别。
3、如文档内容存在违规,或者侵犯商业秘密、侵犯著作权等,请点击“违规举报”。

碎片内容

完整版安捷伦1200高效液相色谱仪验证方案

您可能关注的文档

确认删除?
VIP
微信客服
  • 扫码咨询
会员Q群
  • 会员专属群点击这里加入QQ群
客服邮箱
回到顶部