电脑桌面
添加小米粒文库到电脑桌面
安装后可以在桌面快捷访问

4-内审教材表单VIP免费

4-内审教材表单_第1页
1/10
4-内审教材表单_第2页
2/10
4-内审教材表单_第3页
3/10
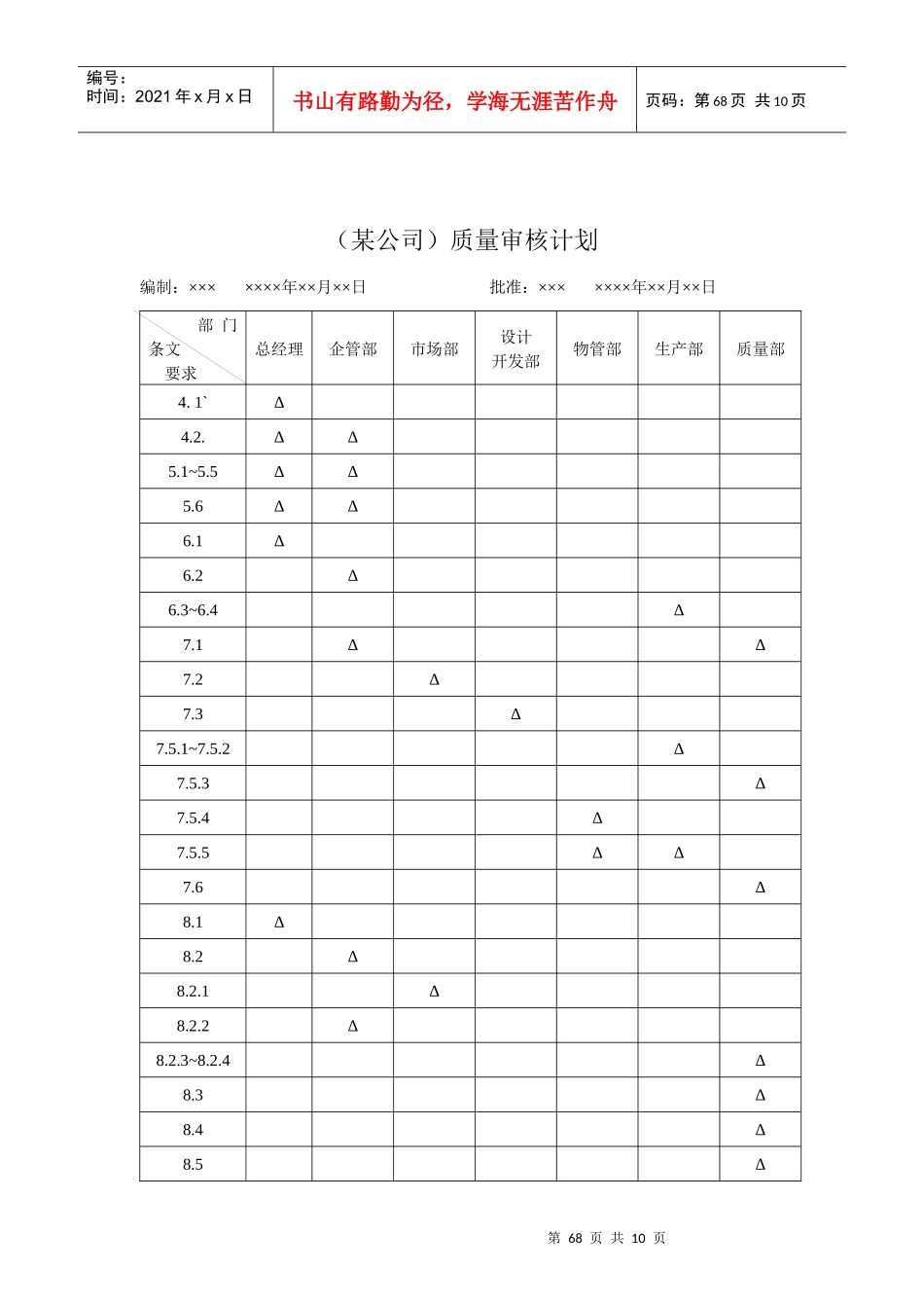
第68页共10页编号:时间:2021年x月x日书山有路勤为径,学海无涯苦作舟页码:第68页共10页(某公司)质量审核计划编制:×××××××年××月××日批准:×××××××年××月××日部门条文要求总经理企管部市场部设计开发部物管部生产部质量部4.1`Δ4.2.ΔΔ5.1~5.5ΔΔ5.6ΔΔ6.1Δ6.2Δ6.3~6.4Δ7.1ΔΔ7.2Δ7.3Δ7.5.1~7.5.2Δ7.5.3Δ7.5.4Δ7.5.5ΔΔ7.6Δ8.1Δ8.2Δ8.2.1Δ8.2.2Δ8.2.3~8.2.4Δ8.3Δ8.4Δ8.5Δ第69页共10页第68页共10页编号:时间:2021年x月x日书山有路勤为径,学海无涯苦作舟页码:第69页共10页Δ:主要审核内容内部质量审核通知单通知日期:审核编号:TO:审核时间集中审核:自年月日时分至年月日时分;纠正追踪按实际需要审核首次会议时间审核末次会议时间地点地点审核组员成员组长:审核员:本次审核的目的本次审核的范围(部门/活动)审核的依据1.ISO9001:2000质量管理体系—要求;2.本公司质量手册、程序文件和相关作业标准类文件。要求1.各部门要先通过自查做好内审准备工作;2.受审部门陪同与汇报人为各部门负实责之干部;3.具体对各部门/活动的审核时间及审核范围见[内审实施计划表](审核编号:)。其他说明事项审核(管理者代表):编制:第70页共10页第69页共10页编号:时间:2021年x月x日书山有路勤为径,学海无涯苦作舟页码:第70页共10页内审检查表审核编号:本表编号:受审部门审核日期年月日审核项目审核人员标准条款号审核内容审核记录第71页共10页第70页共10页编号:时间:2021年x月x日书山有路勤为径,学海无涯苦作舟页码:第71页共10页审核(内审组长):拟制:内审不符合项改善通知书受审部门受审日期审核编号不符合项描述:不符合程序:QM-标准:ISO9001:2000条文不符合类型:□主要□次要□建议观察要求纠正完成日期:年月日前审核组长:审核员:受审部门负责人:原因分析:纠正和纠正措施报告:实际完成日期:年月日签名:纠正和纠正措施追踪:□已按时完成。□未完成。需进一步采取纠正和纠正措施,并应于年月日前完成。其他:审核员:年月日复审:内审组长:年月日结论:第72页共10页第71页共10页编号:时间:2021年x月x日书山有路勤为径,学海无涯苦作舟页码:第72页共10页管理者代表:年月日流程:内审员→内审组长→纠正执行部门→验证→内审组长→管理者代表→技术质量部内部质量审核报告审核编号:拟制人:×××日期:2002.10.28批准人:×××日期:2002.10.28××××实业有限公司第73页共10页第72页共10页编号:时间:2021年x月x日书山有路勤为径,学海无涯苦作舟页码:第73页共10页审核编号:页码:第1页共4页审核报告审核开始日期:2002年10月23日审核结束日期:2002年10月25日受审核部门:质管部、销售部、采购部、生产部(一车间、二车间)、技术部、人事部、设备部、贮运部、售后服售后服务中心、总经理办公室××××实业有限公司内部审核组:组长签字:×××日期:2002-10-28审核员签字:×××日期:2002-10-28审核员签字:×××日期:2002-10-28审核员签字:×××日期:2002-10-28第74页共10页第73页共10页编号:时间:2021年x月x日书山有路勤为径,学海无涯苦作舟页码:第74页共10页审核员签字:×××日期:2002-10-28审核编号:页码:第2页共4页1.审核目的本公司质量手册和程序文件颁布已有三个多月。为检查公司的质量体系是否正常运行,是否已具备备申请ISO9001:2000认证的条件,特安排本次内部质量审核,以期达到促进质量体系的有效执行、改进和完善质质量质量体系的目的,并决定是否正式申请认证。2.审核范围质量体系涉及的全部要素及所有相关的职能部门。3.审核依据3.1ISO9001:2000;3.2公司质量手册;3.3质量体系程序文件;3.4其他相关的技术文件等。4.内部审核主要参加人第75页共10页第74页共10页编号:时间:2021年x月x日书山有路勤为径,学海无涯苦作舟页码:第75页共10页公司总经理;主管技术、质量的副总经理’管理者代表;各相关部门的部长/副部长;各相关部门的陪同人员及工作骨干。审核编号:页码:第3页共4页内部审核综述本次审核是公司按照ISO9001:2000标准要求建立质...

1、当您付费下载文档后,您只拥有了使用权限,并不意味着购买了版权,文档只能用于自身使用,不得用于其他商业用途(如 [转卖]进行直接盈利或[编辑后售卖]进行间接盈利)。
2、本站所有内容均由合作方或网友上传,本站不对文档的完整性、权威性及其观点立场正确性做任何保证或承诺!文档内容仅供研究参考,付费前请自行鉴别。
3、如文档内容存在违规,或者侵犯商业秘密、侵犯著作权等,请点击“违规举报”。

碎片内容

4-内审教材表单

您可能关注的文档

确认删除?
VIP
微信客服
  • 扫码咨询
会员Q群
  • 会员专属群点击这里加入QQ群
客服邮箱
回到顶部