电脑桌面
添加小米粒文库到电脑桌面
安装后可以在桌面快捷访问

北京经济技术开发区危险化学品使用单位情况调查VIP免费

北京经济技术开发区危险化学品使用单位情况调查_第1页
1/4
北京经济技术开发区危险化学品使用单位情况调查_第2页
2/4
北京经济技术开发区危险化学品使用单位情况调查_第3页
3/4
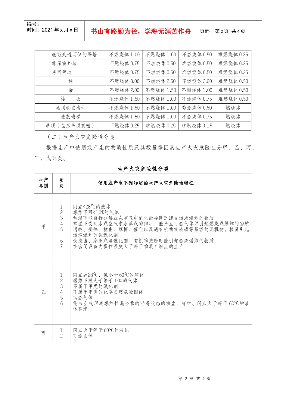
第1页共4页编号:时间:2021年x月x日书山有路勤为径,学海无涯苦作舟页码:第1页共4页开发区涉危单位安全管理情况表(表一~表五)填表说明一、填表说明1、开发区涉危单位安全管理情况表共5张:表一、企业基本情况;表二、安全管理情况;表三、使用场所基本情况;表四、库房基本情况;表五、储罐基本情况。其中,表一至表三所有涉危企业必须填写,表四有独立库房的渉危企业必须填写,表五有储罐区的渉危企业必须填写。2、表三“使用场所基本情况”以独立的厂房(建筑物)为单位。表三中的各类危险化学品瞬间最大存量;包括;化学品柜、中间库、就地堆放(含货架)存放的总和,按六大类化学品分别汇总,汇总的数应与本表汇总瞬间最大存量数据相一致。使用场所的化学品柜的个数应与《北京市涉危单位基本情况调查表》中危险化学品储存情况的化学品柜的个数相一致。3、填报表四“库房基本情况”时,每个独立库房填报一张,并与《北京市涉危单位基本情况调查表》中危险化学品储存情况中的库房个数、总面积、最大库存量相一致。4、有危险化学品储罐的单位,应填报表五“储罐基本情况”。每个储罐应填报一张,并与《北京市涉危单位基本情况调查表》中危险化学品储存情况中的储罐个数、总容积、最大存储量相一致。二、名词解释(一)厂房(库房)耐火等级厂房(库房)耐火等级决定于建筑构件耐火极限,分一级、二级、三级、四级。建筑构件耐火极限是在标准耐火试验条件下建筑钩件配件或结构从受到火的作用时起,到失去稳定性、完整性或隔热性为止的时间,以小时计。名称耐火等级构件一级二级三级四级墙防火墙不燃烧体3.00不燃烧体3.00不燃烧体3.00不燃烧体3.00承重墙不燃烧体3.00不燃烧体2.50不燃烧体2.00难燃烧体0.50楼梯间和电梯井的墙不燃烧体2.00不燃烧体2.00不燃烧体1.50难燃烧体0.50第2页共4页第1页共4页编号:时间:2021年x月x日书山有路勤为径,学海无涯苦作舟页码:第2页共4页疏散走道两侧的隔墙不燃烧体1.00不燃烧体1.00不燃烧体0.50难燃烧体0.25非承重外墙不燃烧体0.75不燃烧体0.50难燃烧体0.50难燃烧体0.25房间隔墙不燃烧体0.75不燃烧体0.50难燃烧体0.50难燃烧体0.25柱不燃烧体3.00不燃烧体2.50不燃烧体2.00难燃烧体0.50梁不燃烧体2.00不燃烧体1.50不燃烧体1.00难燃烧体0.50楼板不燃烧体1.50不燃烧体1.00不燃烧体0.75难燃烧体0.50屋顶承重构件不燃烧体1.50不燃烧体1.00难燃烧体0.50燃烧体疏散楼梯不燃烧体1.50不燃烧体1.00不燃烧体0.75燃烧体吊顶(包括吊顶搁栅)不燃烧体0.25难燃烧体0.25难燃烧体0.15燃烧体(二)生产火灾危险性分类根据生产中使用或产生的物质性质及其数量等因素生产火灾危险性分甲、乙、丙、丁、戊五类。生产火灾危险性分类生产类别项别使用或产生下列物质的生产火灾危险性特征甲1234567闪点<28℃的液体爆炸下限<10%的气体常温下能自行分解或在空气中氧化能导致迅速自燃或爆炸的物质常温下受到水或空气中水蒸汽的作用,能产生可燃气体并引起燃烧或爆炸的物质遇酸、受热、撞击、摩擦、催化以及遇有机物或硫磺等易燃的无机物,极易引起燃烧爆炸的强氧化剂受撞击、摩擦或与催化剂、有机物接触时能引起燃烧爆炸的物质在密闭设备内操作温度大于等于物质自燃点的生产乙123456闪点≥28℃,但小于60℃的液体爆炸下限大于等于10%的气体不属于甲类的氧化剂不属于甲类的化学易燃危险固体助燃气体能与空气形成爆炸性混合物的浮游状态的粉尘、纤维、闪点大于等于60℃的液体雾滴丙12闪点大于等于60℃的液体可燃固体第3页共4页第2页共4页编号:时间:2021年x月x日书山有路勤为径,学海无涯苦作舟页码:第3页共4页丁123对不燃物体加工,并在高温或熔化状态下经常产生强辐射热、火花或火焰的生产利用气体、液体、固体作为燃料或将气体、液体进行燃烧作其它用的生产常温下使用或加工难燃烧物质的生产戊常温下使用或加工难燃烧物质的生产(三)储存方式:隔离贮存:在同一间房间或同一区域内,不同的物料之间分开一定的距离,非禁忌物料间通道保持空间的贮存方式。隔开贮存:在同一建筑或同一区域内,用隔板或墙,将其与禁忌物料分离开的贮存方式。分离贮存:在不同的建筑物或...

1、当您付费下载文档后,您只拥有了使用权限,并不意味着购买了版权,文档只能用于自身使用,不得用于其他商业用途(如 [转卖]进行直接盈利或[编辑后售卖]进行间接盈利)。
2、本站所有内容均由合作方或网友上传,本站不对文档的完整性、权威性及其观点立场正确性做任何保证或承诺!文档内容仅供研究参考,付费前请自行鉴别。
3、如文档内容存在违规,或者侵犯商业秘密、侵犯著作权等,请点击“违规举报”。

碎片内容

北京经济技术开发区危险化学品使用单位情况调查

中小学资料+ 关注
实名认证
内容提供者

精美课件,值得下载

确认删除?
VIP
微信客服
  • 扫码咨询
会员Q群
  • 会员专属群点击这里加入QQ群
客服邮箱
回到顶部