电脑桌面
添加小米粒文库到电脑桌面
安装后可以在桌面快捷访问

施工现场机械设备台帐VIP免费

施工现场机械设备台帐_第1页
1/8
施工现场机械设备台帐_第2页
2/8
施工现场机械设备台帐_第3页
3/8
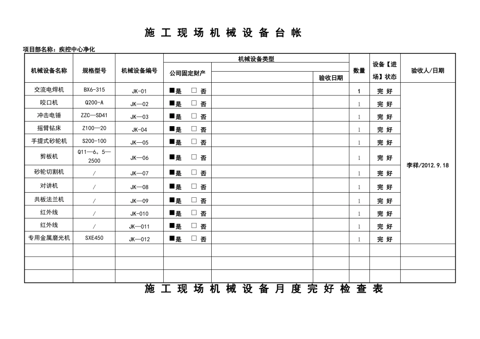
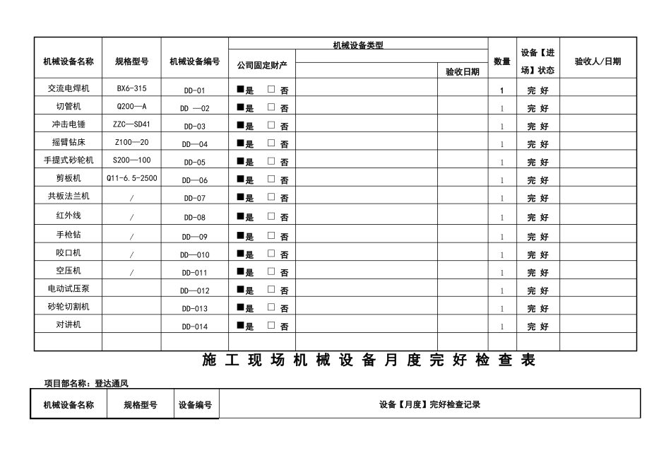
施工现场机械设备台帐项目部名称:疾控中心净化机械设备类型机械设备名称交流电焊机咬口机冲击电锤摇臂钻床手提式砂轮机剪板机砂轮切割机对讲机共板法兰机红外线红外线专用金属磨光机规格型号BX6-315Q200-AZZC—SD41Z100—20S200-100Q11—6。5—2500/////SXE450机械设备编号JK-01JK—02JK—03JK-04JK—05JK—06JK—07JK—08JK—09JK-010JK—011JK—012公司固定财产验收日期111111111111数量场】状态完好完好完好完好完好完好李祥/2012.9.18完好完好完好完好完好完好设备【进验收人/日期■是□否■是□否■是□否■是□否■是□否■是□否■是□否■是□否■是□否■是□否■是□否■是□否施工现场机械设备月度完好检查表项目部名称:疾控中心净化2013年设备【月度】完好检查记录机械设备名称规格型号设备编号1交流电焊机咬口机冲击电锤摇臂钻床手提式砂轮机剪板机砂轮切割机对讲机共板法兰机红外线红外线专用金属磨光机BX6—315Q200-AZZC-SD41Z100-20S200-100Q11—6.5—2500/////SXE450检查人检查日期注:检查记录完好打“√”;不合格打“×”。JK-01JK—02JK-03JK-04JK-05JK—06JK-07JK—08JK-09JK-010JK-011JK—012√√√√√√√√√√√√李祥1.262√√√√√√√√√√√√3√√√√√√√√√√√√4√√√√√√√√√√√√5√√√√√√√√√√√√6√√√√√√√√√√√√7√√√√√√√√√√√√89101112李祥李祥2.263。26李祥李祥4.265。26李祥李祥6.267.26施工现场机械设备台帐项目部名称:登达通风机械设备类型机械设备名称交流电焊机切管机冲击电锤摇臂钻床手提式砂轮机剪板机共板法兰机红外线手枪钻咬口机空压机电动试压泵砂轮切割机对讲机规格型号BX6-315Q200—AZZC—SD41Z100—20S200—100Q11-6.5-2500/////机械设备编号DD-01DD—02DD-03DD—04DD-05DD—06DD-07DD-08DD—09DD—010DD-011DD—012DD-013DD-014公司固定财产验收日期11111111111111数量设备【进验收人/日期场】状态完好完好完好完好完好完好完好完好完好完好完好完好完好完好■是□否■是□否■是□否■是□否■是□否■是□否■是□否■是□否■是□否■是□否■是□否■是□否■是□否■是□否施工现场机械设备月度完好检查表项目部名称:登达通风机械设备名称规格型号设备编号设备【月度】完好检查记录1交流电焊机切管机冲击电锤摇臂钻床手提式砂轮机剪板机共板法兰机红外线手枪钻咬口机空压机电动试压泵砂轮切割机对讲机BX6-315Q200—AZZC-SD41Z100-20S200-100Q11-6。5-2500/////检查人检查日期注:检查记录完好打“√”;不合格打“×”。DD—01DD—02DD-03DD—04DD-05DD-06DD-07DD-08DD—09DD-010DD—011DD—012DD—013DD-014√√√√√√√√√√√√√√李祥1.252√√√√√√√√√√√√√√李祥2.253√√√√√√√√√√√√√√李祥3。254√√√√√√√√√√√√√√李祥4。255√√√√√√√√√√√√√√李祥5.256√√√√√√√√√√√√√√李祥6.257√√√√√√√√√√√√√√李祥7.2589101112施工现场机械设备台帐项目部名称:科创大楼【中央空调、智能化、装饰、消防】机械设备名称规格型号机械设备编号机械设备类型公司固定财产数量设备【进验收人/日期套丝机交、直流焊机砂轮切割机电锤数字万用表接地电阻测试仪滚槽机开孔机火灾探测器调试试验器电脑无线对讲机圆钢套丝机台钻角向磨光机冲击钻Ф159Ф65AX—300AT36—400520W3211DZC-800-30VФ25KC—01KC—02KC-03KC-04KC—05KC-06KC—07KC-08KC—09KC—010KC—011KC-012KC—013KC-014KC-015验收日期111111111111111场】状态完好完好完好完好完好完好完好完好完好完好完好完好完好完好完好■是□否■是□否■是□否■是□否■是□否■是□否■是□否■是□否■是□否■是□否■是□否■是□否■是□否■是□否■是□否施工现场机械设备台帐项目部名称:科创大楼【中央空调、智能化、装饰、消防】机械设备类型机械设备名称规格型号机械设备编号公司固定财产验收日期数量场】状态设备【进验收人/日期手枪钻理石锯空气压缩机咬口机压筋机冲床配电箱管子切割机剪板机台钳离心水泵电动试压泵Ф150DN10060MPAKC—016KC—01...

1、当您付费下载文档后,您只拥有了使用权限,并不意味着购买了版权,文档只能用于自身使用,不得用于其他商业用途(如 [转卖]进行直接盈利或[编辑后售卖]进行间接盈利)。
2、本站所有内容均由合作方或网友上传,本站不对文档的完整性、权威性及其观点立场正确性做任何保证或承诺!文档内容仅供研究参考,付费前请自行鉴别。
3、如文档内容存在违规,或者侵犯商业秘密、侵犯著作权等,请点击“违规举报”。

碎片内容

施工现场机械设备台帐

您可能关注的文档

确认删除?
VIP
微信客服
  • 扫码咨询
会员Q群
  • 会员专属群点击这里加入QQ群
客服邮箱
回到顶部