电脑桌面
添加小米粒文库到电脑桌面
安装后可以在桌面快捷访问

控制变量法专题VIP免费

控制变量法专题_第1页
1/14
控制变量法专题_第2页
2/14
控制变量法专题_第3页
3/14
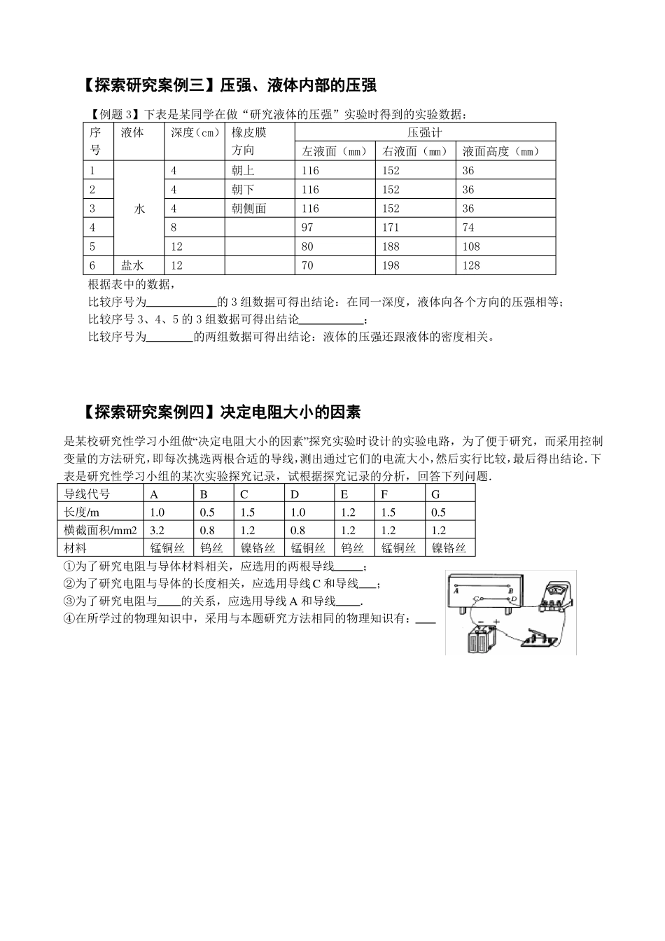
初中物理总复习(探究专题)——控制变量法物理学对于多因素(多变量)的问题常常采用控制因素(变量)的办法,即把多因素的问题转变为多个单因素的问题,分别加以研究,最后再综和解决,这种方法叫控制变量法。控制变量法在初中物理中应用较为广泛,具体探究如下:【探索研究案例一】匀速直线运动【例题1】如图1所示(a)、(b)两图分别表示比较运动员游泳快慢的两种方法,其中图1(a)表明;图1(b)表明。【探索研究案例二】密度次数物体质量(g)体积(cm3)质量/体积/(g/cm3)1铝块154202.72铝块2108402.73松木11082164松木210200.5【例题2】为研究物质的某种特性,某同学测得4组数据,填在下列表中:(1)将表中空格处填写完整。(2)比较第1、2两次实验数据,可得出结论:同一种物质它的质量跟它的体积成。(3)比较第2、3两次实验数据,可得出结论:质量相同的不同物质,体积是。(4)比较第1、4两次实验数据,可得出实验结论是。【探索研究案例三】压强、液体内部的压强【例题3】下表是某同学在做“研究液体的压强”实验时得到的实验数据:序号123456盐水水液体深度(cm)橡皮膜方向44481212朝上朝下朝侧面压强计左液面(mm)右液面(mm)液面高度(mm)11611611697807015215215217118819836363674108128根据表中的数据,比较序号为的3组数据可得出结论:在同一深度,液体向各个方向的压强相等;比较序号3、4、5的3组数据可得出结论;比较序号为的两组数据可得出结论:液体的压强还跟液体的密度相关。【探索研究案例四】决定电阻大小的因素是某校研究性学习小组做“决定电阻大小的因素”探究实验时设计的实验电路,为了便于研究,而采用控制变量的方法研究,即每次挑选两根合适的导线,测出通过它们的电流大小,然后实行比较,最后得出结论.下表是研究性学习小组的某次实验探究记录,试根据探究记录的分析,回答下列问题.导线代号长度/m材料A1.0锰铜丝B0.50.8钨丝C1.51.2镍铬丝D1.00.8锰铜丝E1.21.2钨丝F1.51.2锰铜丝G0.51.2镍铬丝横截面积/mm23.2①为了研究电阻与导体材料相关,应选用的两根导线;②为了研究电阻与导体的长度相关,应选用导线C和导线;③为了研究电阻与的关系,应选用导线A和导线.④在所学过的物理知识中,采用与本题研究方法相同的物理知识有:【探索研究案例五】欧姆定律【例题5】在“研究电流跟电压、电阻的关系”,同学们设计如图8电路图,其中R为定值电阻,R’为滑动变阻器,实验后,数据记录在表一和表二中。R=5Ω电压/V电流/A1.00.22.00.43.00.6电阻/ΩU=3V电流/A0.60.30.251015(1)根据表中实验数据,可得出如下结论:由表一可得:_________________________________________________。由表二可得:_________________________________________________。(2)在研究电流与电阻关系时,先用5欧的定值电阻实行实验,使电压表的示数为3V,再换用10欧的定值电阻时,某同学没有改变滑动变阻器滑片的位置,合上开关后,电压表的示数将__________3V(选填“大于”、“小于”或“等于”)。此进就向__________(选填“右”或“左”)调节滑片,使电压表的示数仍为3V。【探索研究案例六】音调大小决定因素丽娜同学在观察小提琴、二胡等乐器的弦振动时猜测:即使在弦张紧水准相同的条件下,发声的音调高低还可能与弦的粗细、长短及弦的材料相关。于是丽娜找来了各种不同的琴弦,想通过实验实行探究,琴弦的编号如表。控制条件编号ABCDE琴弦的材料钢钢尼龙丝铜尼龙丝琴弦的长度(cm)3030405050琴弦的横截面积(cm2)0.30.60.50.50.5(1)丽娜同学想探究弦发声的音调与弦的材料的关系,请你帮她选用表中编号为的琴弦(只填字母代号)(2)丽娜同学想探究弦发声的音调与弦的粗细的关系,请你协助她选用表中编号为的琴弦。(只填字母序号)(3)在上述探究过程中,总要控制某些因素,使它们保持不变,进而寻找出其不意另外一些因素的关系,这种研究方法,叫做“控制变量法”。请你回忆一下,你在初中物理学习中,用这种方法研究过哪些问题?(举2个问题)问题1:;问题2:。【探索研究案例七】探究电磁铁磁性强弱如图所示,是某学习小组同学设计的研究"...

1、当您付费下载文档后,您只拥有了使用权限,并不意味着购买了版权,文档只能用于自身使用,不得用于其他商业用途(如 [转卖]进行直接盈利或[编辑后售卖]进行间接盈利)。
2、本站所有内容均由合作方或网友上传,本站不对文档的完整性、权威性及其观点立场正确性做任何保证或承诺!文档内容仅供研究参考,付费前请自行鉴别。
3、如文档内容存在违规,或者侵犯商业秘密、侵犯著作权等,请点击“违规举报”。

碎片内容

控制变量法专题

您可能关注的文档

爱的疯狂+ 关注
实名认证
内容提供者

该用户很懒,什么也没介绍

确认删除?
VIP
微信客服
  • 扫码咨询
会员Q群
  • 会员专属群点击这里加入QQ群
客服邮箱
回到顶部