电脑桌面
添加小米粒文库到电脑桌面
安装后可以在桌面快捷访问

外商投资企业在我国适用的税种VIP免费

外商投资企业在我国适用的税种_第1页
1/6
外商投资企业在我国适用的税种_第2页
2/6
外商投资企业在我国适用的税种_第3页
3/6
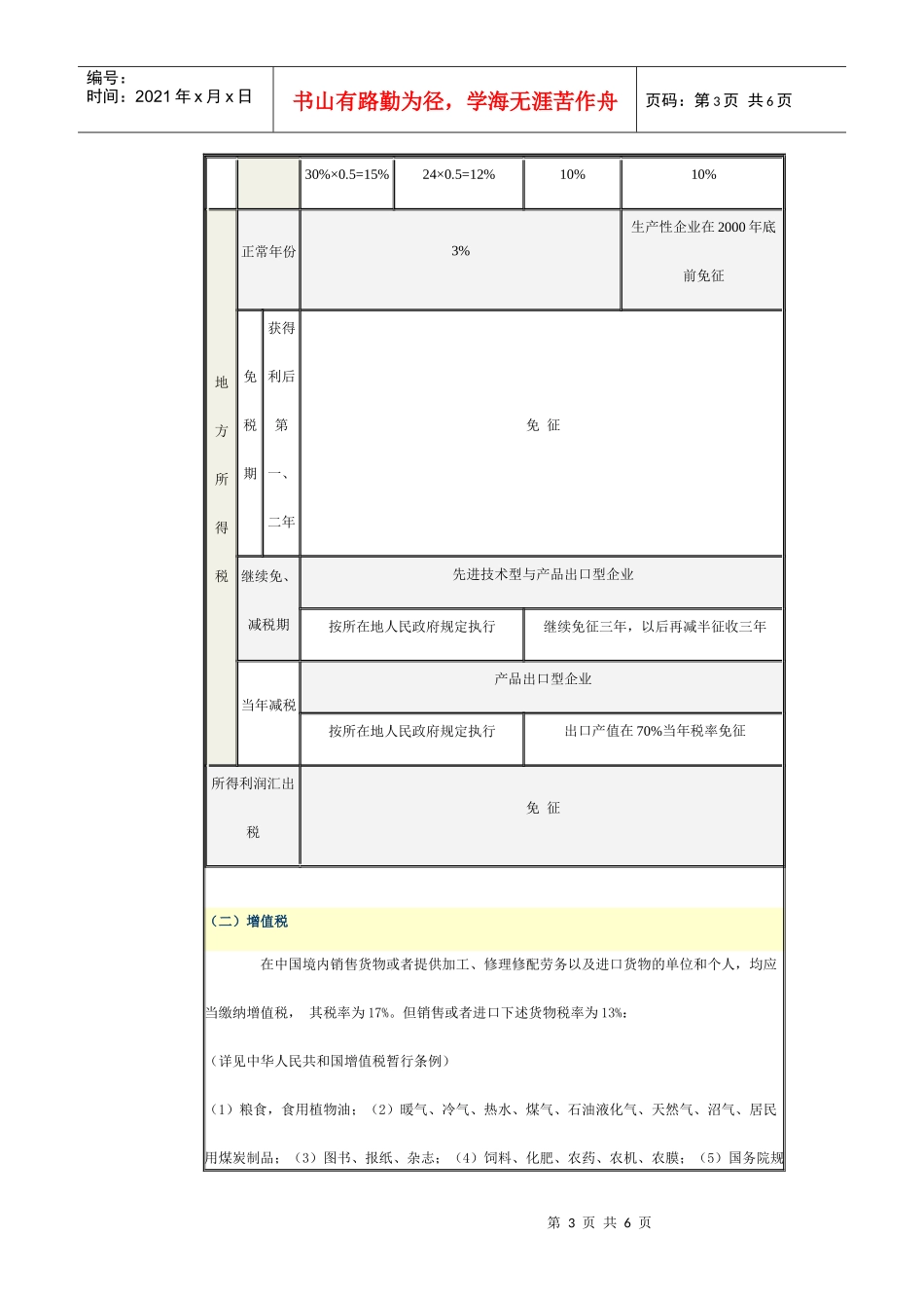
第1页共6页编号:时间:2021年x月x日书山有路勤为径,学海无涯苦作舟页码:第1页共6页税种、税率外商投资企业在中国适用的税种主要有:企业所得税、增值税、消费税、营业税、印花税、城市房产税和车船使用牌照税等。进出口货物另按海关关税条例缴纳关税和有关流转税。此外,如有支付给国外的特许权使用费、股息、利息、租金和其他所得,应扣缴预提所得税或者营业税。外商投资企业的外藉企业的外藉人员应缴纳个人所得税。(一)企业所得税外商投资企业自一九九一年七月一日起依照《外商投资企业和外国企业所得税法》的规定缴纳所得税,在纳税同时还可按《国务院关于经济特区和沿海十四个港口城市减征、免征企业所得税和工商统一税的暂行规定》、《国务院关于鼓励外商投资的规定》、《上海市关于鼓励外商投资的若干规定》、《上海市经济技术开发区条例》等优惠规定缴纳所得税。*在开发区内生产性的外商投资企业从事生产经营所得和其他所得减按15%的税率缴企业所得税。*外商投资的生产性企业经营期在十年以上的,从获利年度起,第一年和第二年免征所得税,第三年至第五年减半征所得税;其中获得先进技术企业证书的,按照国家规定减免企业所得税期满后,可以延长三年减按10%缴纳企业所得税;获得产品出口企业证书的,按照国家规定减免企业所得税期满后凡当年出口产品产值达到70%以上,减按10%的税率缴纳企业所得税。*外商投资企业按应纳税所得额的3%征收地方所得税。本开发区内生产性的外商投资企业,在二000年底之前免征地方所得税。*对产品出口企业和先进技术企业,在国家规定免征企业所得税期间,同时第2页共6页第1页共6页编号:时间:2021年x月x日书山有路勤为径,学海无涯苦作舟页码:第2页共6页免征地方所得税;在以上免税期满后再先后免征或减半地方所得税各三年,产品出口企业免税期满后,凡当年出口产品产值达到70%以上的,免征地方所得税。见表2-1-1。外商投资企业在中国境内应纳税所得税率的比较表表2-1-1税种税率一般地区十四个沿海开放城市经济特区闵行经济技术开发区企业所得税正常年份30%生产性企业24%15%生产性企业15%免减税期获利后第一、二年生产性企业经营期在十年以上免征获利后第三至第五年30%×0.5=15%24%×0.5=12%15%×0.5=7.5%15%×0.5=7.5%继续减税期先进技术企业延长三年减税税率30%×0.5=15%24%×0.5=12%10%10%当年减税产品出口企业当年产品出口产值达到70%以上的税率减为第3页共6页第2页共6页编号:时间:2021年x月x日书山有路勤为径,学海无涯苦作舟页码:第3页共6页30%×0.5=15%24×0.5=12%10%10%地方所得税正常年份3%生产性企业在2000年底前免征免税期获得利后第一、二年免征继续免、减税期先进技术型与产品出口型企业按所在地人民政府规定执行继续免征三年,以后再减半征收三年当年减税产品出口型企业按所在地人民政府规定执行出口产值在70%当年税率免征所得利润汇出税免征(二)增值税在中国境内销售货物或者提供加工、修理修配劳务以及进口货物的单位和个人,均应当缴纳增值税,其税率为17%。但销售或者进口下述货物税率为13%:(详见中华人民共和国增值税暂行条例)(1)粮食,食用植物油;(2)暖气、冷气、热水、煤气、石油液化气、天然气、沼气、居民用煤炭制品;(3)图书、报纸、杂志;(4)饲料、化肥、农药、农机、农膜;(5)国务院规第4页共6页第3页共6页编号:时间:2021年x月x日书山有路勤为径,学海无涯苦作舟页码:第4页共6页定的其他货物。(三)消费税在中国境内生产、委托加工和进口的消费品,按规定应缴纳消费税。消费税共有十一类,包括:烟、酒及酒精、化妆品、护肤扶发品、贵重饰物(包括金及珠宝玉石)、鞭炮焰火、汽油、柴油、汽车轮胎、摩托车、小汽车。税率最低3%,最高45%不等。(详见中华人民共和国消费税暂行条例)(四)营业税在中国境内提供劳务、转让无形资产或者销售不动产的单位和个人,应当缴纳营业税。营业税税率按交通运输业、建筑业、金融保险业、邮电通信业、文化体育业、娱乐业、服务业、转让无形资产、销售不动产划分,最低为3%,最高为20%。(详见中华人民共和国营业税暂行条例)(五)印花税在中国境...

1、当您付费下载文档后,您只拥有了使用权限,并不意味着购买了版权,文档只能用于自身使用,不得用于其他商业用途(如 [转卖]进行直接盈利或[编辑后售卖]进行间接盈利)。
2、本站所有内容均由合作方或网友上传,本站不对文档的完整性、权威性及其观点立场正确性做任何保证或承诺!文档内容仅供研究参考,付费前请自行鉴别。
3、如文档内容存在违规,或者侵犯商业秘密、侵犯著作权等,请点击“违规举报”。

碎片内容

外商投资企业在我国适用的税种

精华资料店+ 关注
实名认证
内容提供者

大量教育教学资料

确认删除?
VIP
微信客服
  • 扫码咨询
会员Q群
  • 会员专属群点击这里加入QQ群
客服邮箱
回到顶部