电脑桌面
添加小米粒文库到电脑桌面
安装后可以在桌面快捷访问

质量记录表单-结构专业常用VIP免费

质量记录表单-结构专业常用_第1页
1/22
质量记录表单-结构专业常用_第2页
2/22
质量记录表单-结构专业常用_第3页
3/22
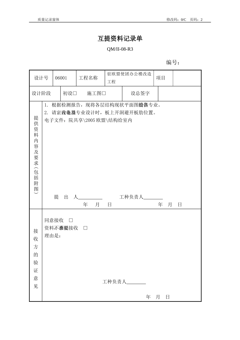
质量记录窗体修改码:0/C页码:2互提资料记录单QM/II-08-R3编号:设计号06001工程名称驻欧盟使团办公楼改造工程项目设计阶段初设□施工图□设总签字提供资料内容及要求(包括附图)1.根据检测报告,现将各层结构现状平面图提供给各专业。2.请室内、设备及电器专业设计时,板上开洞避开板肋位置。电子文件:院共享\2005欧盟\结构给室内提出人工种负责人年月日年月日接收方的验证意见同意接收□资料不合要求,不能接收□理由是:工种负责人年月日质量记录窗体修改码:0/C页码:3结构专业设计输入表QM/II-08-R5设计号工程名称项目设计阶段方案设计□初步设计□施工图设计□输入要求1.设计依据:设计任务委托书/标书□合同□方案/初步设计批文□地质勘察报告□2.质量特性要求:3.本工程采用的设计标准、规范及规程:4.其它要求:工种负责人:年月日审批审批意见:结构专业院总工程师:年月日顾客提供设计资料记录单建设地点建筑功能使用年限建筑面积(层数)地上/地下抗震设防烈度耐火等级建筑高度(总高/檐口高度)抗震设防分类人防抗力等级质量记录窗体修改码:0/C页码:4QM/II-08-R9设计号:工程名称:编号序号资料名称份数每份页数提供资料时间接收部门验收人使用接收人1任务批准文件2城市规划管理部门批准的规划设计条件及设计用地范围(红线图)3设计任务委托单4设计任务书5工程地形图6工程地质勘察报告7钉桩成果单8建设用地周围市政道路管网资料9改扩建工程原始图纸、计算书和勘察报告10特殊的工艺图纸和说明11方案设计确认单及主管部门审批意见12初步设计确认单及主管部门审批意见13141516171819设计评审记录单质量记录窗体修改码:0/C页码:5QM/II-08-R10设计号工程名称项目项目级别重点□一般□设计阶段方案设计□初步设计□施工图设计□设计要点:设总:年月日评审主持人评审日期年月日参加评审人员评审结论及对存在问题应采取的措施:评审负责人:年月日改进措施的实施验证:评审负责人:年月日质量记录窗体修改码:0/C页码:6校审记录单QM/II-08-R11结构专业第页共页设计号04091工程名称中石化科研及办公用房项目设计阶段初步设计□施工图设计□验证阶段校对□工种负责人复核□审核□审定□图号校审意见处理结果校审人:月日设计人:月日处理结果的复核意见:校审人:月日质量记录窗体修改码:0/C页码:7专业会审记录单QM/II-08-R12设计号工程名称项目会审日期设计阶段初步设计□施工图□会审中发现和提出的问题(可附页):解决问题的决议:涉及修改工作的有关专业意见:参加会审人员总图建筑结构给水排水暖通动力电气电讯建筑经济设总验证意见设总:年月日质量记录窗体修改码:0/C页码:8结构专业设计质量评定表QM/II-08-R14设计号:工程名称:子项名称:建筑面积:设计阶段:质量特性检查评定内容(细项评定符号:合格、φ有偏离问题、⊕严重偏离、∕(满格)不考虑项,分项评定分合格和不合格,优等品在评定意见栏按细则推荐)分项评定一、功能性满足功能需要合理确定基础类型结构体系结构布置使用荷载计算原则计算软件参数、系数主要构件截面尺寸二、安全性地基基础和上部结构满足规定要求承载能力整体性强度刚度和位移根据规范、标准合理确定抗震设防烈度人防等级使用荷载计算依据参数系统基础形式结构体系计算原则抗震、防爆、防腐等措施三、经济性与优化技术的相对协调和统一初步设计方案优化施工图设计基础地下结构地上结构四、可信性可用性符合国家建设方针符合现行规范、标准符合设计合同的规定符合现实条件、因地制宜采用的新技术有根据可靠性满足既定功能要求优先采用标准图、标准构件基础资料切实可靠人防等确保同步实施维修性材料选用五、可实施性设计文件符合深度规定设计文件齐全,无遗漏、矛盾施工方法可行、合理特殊材料、施工方法落实分期、改建、扩建交代清楚六、适应性分期建设的统筹安排各种隐含需要的适应能力七、时间性设计文件的按期交付满足设计审查的时间要求满足施工准备的时间要求满足主要材料订货要求考虑施工周期评定意见要点(评审记录供查阅)项目级别重点□一般□工种负责人评定等级合格□不合格□优□专业院总(副总)工程师质量记录窗体修改码...

1、当您付费下载文档后,您只拥有了使用权限,并不意味着购买了版权,文档只能用于自身使用,不得用于其他商业用途(如 [转卖]进行直接盈利或[编辑后售卖]进行间接盈利)。
2、本站所有内容均由合作方或网友上传,本站不对文档的完整性、权威性及其观点立场正确性做任何保证或承诺!文档内容仅供研究参考,付费前请自行鉴别。
3、如文档内容存在违规,或者侵犯商业秘密、侵犯著作权等,请点击“违规举报”。

碎片内容

质量记录表单-结构专业常用

确认删除?
VIP
微信客服
  • 扫码咨询
会员Q群
  • 会员专属群点击这里加入QQ群
客服邮箱
回到顶部