电脑桌面
添加小米粒文库到电脑桌面
安装后可以在桌面快捷访问

桥梁质量检测表格VIP免费

桥梁质量检测表格_第1页
1/43
桥梁质量检测表格_第2页
2/43
桥梁质量检测表格_第3页
3/43
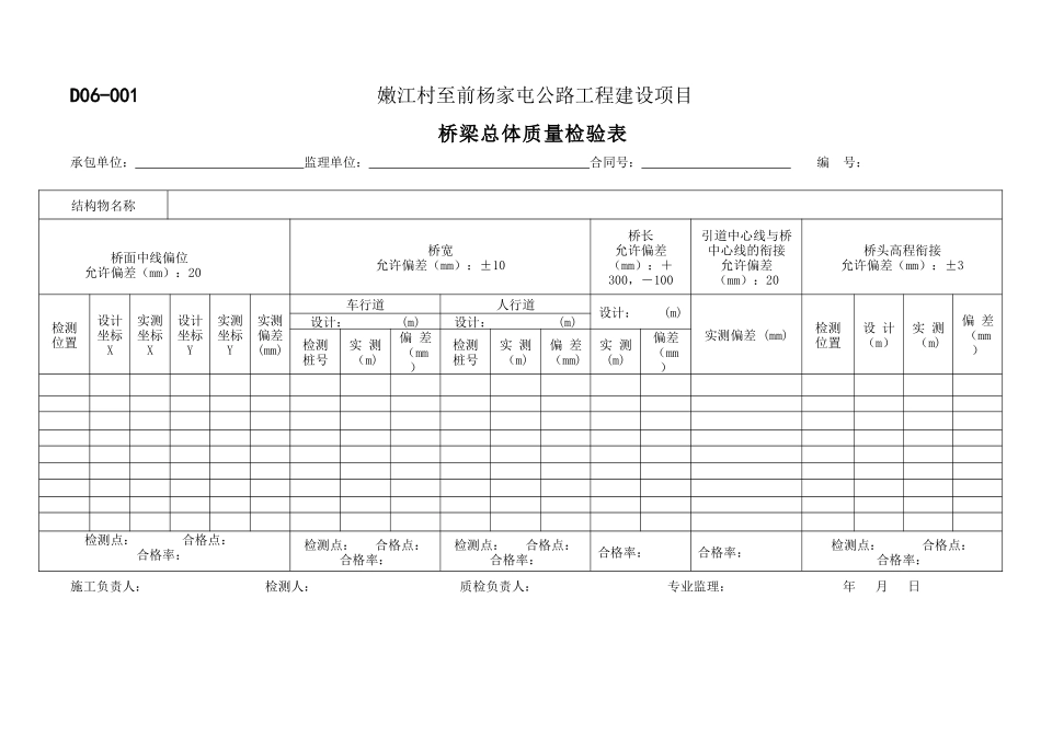
D06-001嫩江村至前杨家屯公路工程建设项目桥梁总体质量检验表承包单位:监理单位:合同号:编号:施工负责人:检测人:质检负责人:专业监理:年月日结构物名称桥面中线偏位允许偏差(mm):20桥宽允许偏差(mm):±10桥长允许偏差(mm):+300,-100引道中心线与桥中心线的衔接允许偏差(mm):20桥头高程衔接允许偏差(mm):±3检测位置设计坐标X实测坐标X设计坐标Y实测坐标Y实测偏差(mm)车行道人行道设计:(m)实测偏差(mm)检测位置设计(m)实测(m)偏差(mm)设计:(m)设计:(m)检测桩号实测(m)偏差(mm)检测桩号实测(m)偏差(mm)实测(m)偏差(mm)检测点:合格点:合格率:检测点:合格点:合格率:检测点:合格点:合格率:合格率:合格率:检测点:合格点:合格率:D06-002嫩江村至前杨家屯公路工程建设项目钢筋加工及安装质量检验表承包单位:山东通达路桥工程有限公司监理单位:吉林市万丰公路工程监理有限责任公司合同号:G04编号:所属分部工程名称使用的工程部位受力钢筋间距允许偏差:两排以上排距±5(㎜)同排:梁、板、拱肋±10(㎜),基础、锚碇、墩台、柱±20(㎜),灌注桩±20(㎜)箍筋、横向水平钢筋、螺旋筋间距允许偏差:±10(㎜)钢筋骨架尺寸允许偏差:长±10(㎜)宽、高或直径±5(㎜)弯起钢筋位置允许偏差:±20(㎜)保护层厚度允许偏差:梁、柱、拱肋±5(㎜)基础、锚碇、墩台±10(㎜),板±3(㎜)检查项目规定值或允许偏差检测值合格率%受力钢筋间距±20mm钢筋编号设计实测偏差箍筋、横向水平钢筋、螺旋筋间距±10mm位置设计实测偏差钢筋骨架尺寸长±10mm设计实测偏差设计实测偏差设计实测偏差设计实测偏差设计实测偏差宽±5mm设计实测偏差设计实测偏差设计实测偏差设计实测偏差设计实测偏差高或直径±5mm设计实测偏差设计实测偏差设计实测偏差设计实测偏差设计实测偏差弯起钢筋位置±20mm钢筋编号设计实测偏差保护层厚度±5mm设计实测偏差施工负责人:检测人:质检负责人:专业监理:年月日D06-002续表嫩江村至前杨家屯公路工程建设项目钢筋加工及安装质量检验表承包单位:监理单位:合同号:编号:所属分部工程名称使用的工程部位受力钢筋间距允许偏差:两排以上排距±5(㎜)同排:梁、板、拱肋±10(㎜),基础、锚碇、墩台、柱±20(㎜),灌注桩±20(㎜)箍筋、横向水平钢筋、螺旋筋间距允许偏差:±10(㎜)钢筋骨架尺寸允许偏差:长±10(㎜)宽、高或直径±5(㎜)弯起钢筋位置允许偏差:±20(㎜)保护层厚度允许偏差:梁、柱、拱肋±5(㎜)基础、锚碇、墩台±10(㎜),板±3(㎜)检查项目规定值或允许偏差检测值合格率%受力钢筋间距±20mm钢筋编号设计实测偏差受力钢筋间距±20mm钢筋编号设计实测偏差受力钢筋间距±20mm钢筋编号设计实测偏差受力钢筋间距±20mm钢筋编号设计实测偏差钢筋编号受力钢筋间距±20mm设计实测偏差施工负责人:检测人:质检负责人:专业监理:年月D06-003嫩江村至前杨家屯公路工程建设项目钢筋网质量检验表承包单位:长春市政建设(集团)有限公司监理单位:吉林市万丰公路监理有限责任公司合同号:01编号:NQ01ABD06-003工程名称所属分项工程工程部位或桩号所属分部工程名称检测时间年月日网的编号网的长、宽网眼尺寸对角线差设计:长:mm,宽:mm设计:长:mm,宽:mm允许偏差(mm):15允许偏差(mm):±10允许偏差(mm):±10长宽长宽设计:mm实测(mm)偏差(mm)实测(mm)偏差实测(mm)偏差(mm)实测(mm)偏差(mm)实测(mm)偏差(mm)检测点:合格点:合格率:检测点:合格点:合格率:检测点:合格点:合格率:施工负责人:检测人:质检负责人:专业监理:年月日D06-005嫩江村至前杨家屯公路工程建设项目钢丝、钢绞线先张法镦头钢丝同束长度相对差质量检验表承包单位:合同号:监理单位:编号:所属分项工程名称钢束长度L值镦头钢丝同束长度相对差允许偏差(mm):L>20m时L/5000及5,20m≤L≤6m时L/3000,L<6m时2钢束编号设计值实测值检测点:合格点:合格率:注:钢丝、钢绞线先张法其余检测项目查施工记录表(参见DY06-008)。施工负责人:检测人:质检负责人:专业监理:年月日D06...

1、当您付费下载文档后,您只拥有了使用权限,并不意味着购买了版权,文档只能用于自身使用,不得用于其他商业用途(如 [转卖]进行直接盈利或[编辑后售卖]进行间接盈利)。
2、本站所有内容均由合作方或网友上传,本站不对文档的完整性、权威性及其观点立场正确性做任何保证或承诺!文档内容仅供研究参考,付费前请自行鉴别。
3、如文档内容存在违规,或者侵犯商业秘密、侵犯著作权等,请点击“违规举报”。

碎片内容

桥梁质量检测表格

精华资料店+ 关注
实名认证
内容提供者

大量教育教学资料

相关文档

确认删除?
VIP
微信客服
  • 扫码咨询
会员Q群
  • 会员专属群点击这里加入QQ群
客服邮箱
回到顶部