电脑桌面
添加小米粒文库到电脑桌面
安装后可以在桌面快捷访问

[QC]延塞高速公路某桥墩台表观质量控制_secretVIP免费

[QC]延塞高速公路某桥墩台表观质量控制_secret_第1页
1/8
[QC]延塞高速公路某桥墩台表观质量控制_secret_第2页
2/8
[QC]延塞高速公路某桥墩台表观质量控制_secret_第3页
3/8
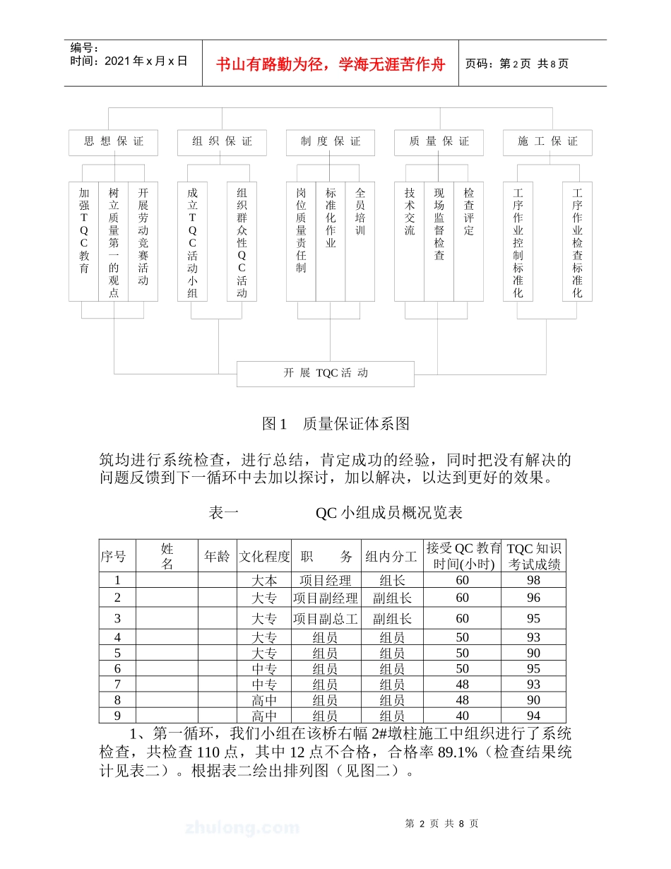
第1页共8页编号:时间:2021年x月x日书山有路勤为径,学海无涯苦作舟页码:第1页共8页开展QC小组活动,提高墩台柱质量一、工程概况XX大桥是我处在延塞高速公路承担施工任务的五座大桥中的一座,全长217.54米,由上下道两幅桥组成,共七联。上下道错开布孔,该桥上部结构采用部分预应力箱梁,预制安装施工,先简支后连续;下部结构桥墩采用独柱式桥墩,设置长悬臂预应力盖梁,桥台采用三柱式桥台。该桥位于左偏圆曲线内,曲线半径2050米,桥面设置2%的单向横坡,各盖梁均法向布置,桥面纵坡为0.7%。二、小组情况我们小组成立于二ΟΟ一年五月十日,并登记注册,小组成员九人,平均年龄33.6岁,平均接受TQC教育52小时。开展QC活动18次,成员参加率100%。小组成立后,对工程进行质预检,准确抓位主要问题,采取有效的解决措施,确保墩柱台的工程质量。小组成员情况见表一。为确保墩柱台的工程质量,我们制定了质量保证体系(见图一)。三、选题理由1、工期紧:由于延安地区的特殊气候条件,砼只能施工至10月底。墩柱台的施工直接影响到预制箱梁的安装施工,影响到总工期。2、砼标号高:该桥墩柱均采用C40砼浇筑。3、确保墩柱台的工程质量。四、QC小组活动情况自2001年5月10日墩柱施工开始,我们小组针对搞好墩柱台施工开展了活动,按照PDCA循环进行检查、分析、总结,制定了对策、措施、分项专人落实。在施工过程中,从钢筋绑扎到模板安装到砼浇质量保证体系第2页共8页第1页共8页编号:时间:2021年x月x日书山有路勤为径,学海无涯苦作舟页码:第2页共8页图1质量保证体系图筑均进行系统检查,进行总结,肯定成功的经验,同时把没有解决的问题反馈到下一循环中去加以探讨,加以解决,以达到更好的效果。表一QC小组成员概况览表序号姓名年龄文化程度职务组内分工接受QC教育时间(小时)TQC知识考试成绩1大本项目经理组长60982大专项目副经理副组长60963大专项目副总工副组长60954大专组员组员50935大专组员组员50906中专组员组员50957中专组员组员48938高中组员组员48909高中组员组员40941、第一循环,我们小组在该桥右幅2#墩柱施工中组织进行了系统检查,共检查110点,其中12点不合格,合格率89.1%(检查结果统计见表二)。根据表二绘出排列图(见图二)。思想保证组织保证施工保证质量保证制度保证加强TQC教育组织群众性QC活动开展劳动竞赛活动成立TQC活动小组树立质量第一的观点工序作业控制标准化标准化作业全员培训检查评定技术交流现场监督检查工序作业检查标准化岗位质量责任制开展TQC活动第3页共8页第2页共8页编号:时间:2021年x月x日书山有路勤为径,学海无涯苦作舟页码:第3页共8页表二检查结果统计表序号项目测点数频数频率(%)累计频率(%)1钢筋间距2018.38.32钢筋骨架尺寸1018.416.73保护层厚度2018.325.04柱顶高程1018.333.35墩柱竖直度1018.441.76砼表面平整度10216.658.37轴线偏位1018.466.78截面尺寸10216.683.39蜂窝麻面、孔洞10216.7100合计11012100合格率=(110-12)÷110×100%=89.1%根据检查结果表明,墩柱台施工中影响质量的主要砼表面平整截面尺寸,以及蜂窝麻面孔洞。通过因果分析(见图三、四),找出影响质量的原因,制定了对策(见表三、四)。人方法盲目追求进度质量意识淡薄技术不熟练模板支撑不牢固缺乏经验责任心不强接茬处加固不当模板不平整浇注砼过程中有间歇有翘曲外加剂影响机具材料图三因果分析图人材料盲目追求进度砼坍落度过大质量意识淡薄责任心不强有离析现象砼坍落度过小为什么砼结构尺寸不达标?第4页共8页第3页共8页编号:时间:2021年x月x日书山有路勤为径,学海无涯苦作舟页码:第4页共8页不易振实缺乏经验模板表面清除操作人员疏忽漏振不干净新旧砼结合不好模板有缝隙振捣时间掌握不对,振捣不密实机具方法图四因果分析图表三造成砼表面平整度及截面尺寸不达标的对策表序号内容影响因素对策负责人期限1人1、责任心不强。2、质量意识淡泊,盲目追求进度。3、技术不熟练,缺乏经验。1、责任到人,经常组织检查。2、讲清质量与进度关系,强化质量意识。3、上技术课,进行岗位培训。周文海冯志强一天2材料1、外加剂影响。2、混凝土浇筑过程中有...

1、当您付费下载文档后,您只拥有了使用权限,并不意味着购买了版权,文档只能用于自身使用,不得用于其他商业用途(如 [转卖]进行直接盈利或[编辑后售卖]进行间接盈利)。
2、本站所有内容均由合作方或网友上传,本站不对文档的完整性、权威性及其观点立场正确性做任何保证或承诺!文档内容仅供研究参考,付费前请自行鉴别。
3、如文档内容存在违规,或者侵犯商业秘密、侵犯著作权等,请点击“违规举报”。

碎片内容

[QC]延塞高速公路某桥墩台表观质量控制_secret

您可能关注的文档

确认删除?
VIP
微信客服
  • 扫码咨询
会员Q群
  • 会员专属群点击这里加入QQ群
客服邮箱
回到顶部