电脑桌面
添加小米粒文库到电脑桌面
安装后可以在桌面快捷访问

质量评定表第五部分(泵、管路)VIP免费

质量评定表第五部分(泵、管路)_第1页
1/14
质量评定表第五部分(泵、管路)_第2页
2/14
质量评定表第五部分(泵、管路)_第3页
3/14
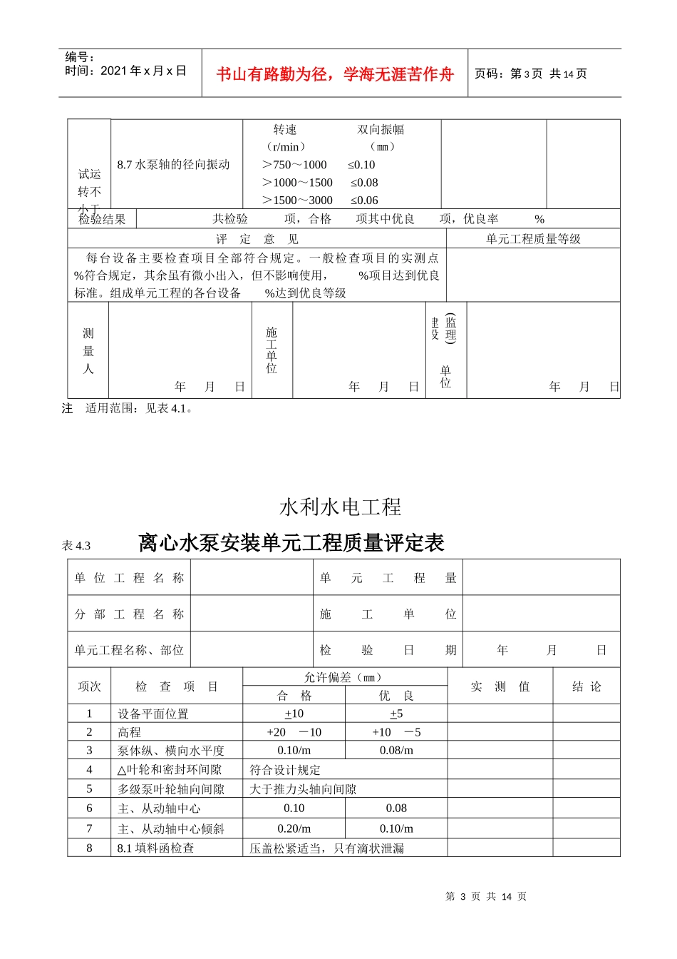
第1页共14页编号:时间:2021年x月x日书山有路勤为径,学海无涯苦作舟页码:第1页共14页水利水电工程表4.1空气压缩机安装单元工程质量评定表单位工程名称单元工程量分部工程名称施工单位单元工程名称、部位检验日期年月日项次检查项目允许偏差(㎜)实测值结论合格优良1设备平面位置+10+52高程+20-10+10-53△机身纵、横向水平度0.10/m0.08/m4皮带轮端面垂直度0.50/m0.30/m5两皮带轮端面在同一平面内0.500.206无负荷试运转(4~8~h)4.1润滑油压不低于0.1Mpa4.2曲轴箱油温不超过60℃4.3运动部件振动无较大振动4.4运动部件声音检查声音正常4.5各连接部件检查应无松动7带负荷试运行(按额定压力25%运转1h,50%、75%运转2h,100%运转4~8h,分别检测记录)7.1渗油无7.2漏气无7.3漏水无7.4冷却水排水温度不超过40℃7.5各级排水温度符合设计规定小于60℃7.6各级排气压力符合设计规定0.75Mpa7.7安全阀压力正确,动作灵敏7.8各级自动控制装置灵敏可靠检验结果共检验项,合格项其中优良项,优良率%评定意见单元工程质量等级第2页共14页第1页共14页编号:时间:2021年x月x日书山有路勤为径,学海无涯苦作舟页码:第2页共14页每台设备主要检查项目全部符合规定。一般检查项目的实测点%符合规定,其余虽有微小出入,但不影响使用,%项目达到优良标准。组成单元工程的各台设备%达到优良等级测量人年月日施工单位年月日(监理)建设年月日单位注适用范围:总装机容量大于25MW或单机容量等于3MW的水电站。水利水电工程表4.2深井水泵安装单元工程质量评定表单位工程名称单元工程量分部工程名称施工单位单元工程名称、部位检验日期年月日项次检查项目允许偏差(㎜)实测值结论合格优良1设备平面位置+10+52高程+20-10+10-53各级叶轮与密封环间隙符合设计规定4叶轮轴向间隙符合设计规定5△泵轴提升量符合设计规定(1~2㎜)6泵轴与电动机轴线偏心0.150.107泵轴与电动机轴线倾斜0.5/m0.2/m8泵座水平度0.10/m0.06/m9水泵试运行(在额定负荷下,8.1填料函检查压盖松紧适当,只有滴状泄漏8.2转动部分检查运转中无异常振动和响声,各连接部分不应松动和渗漏8.3轴承检查滚动轴承不超过75℃,滑动轴承不超过70℃8.4电动机电流不超过额定值8.5水泵压力和流量符合设计规定8.6水泵止退机构动作灵活可靠第3页共14页第2页共14页编号:时间:2021年x月x日书山有路勤为径,学海无涯苦作舟页码:第3页共14页试运转不小于8.7水泵轴的径向振动转速双向振幅(r/min)(㎜)>750~1000≤0.10>1000~1500≤0.08>1500~3000≤0.06检验结果共检验项,合格项其中优良项,优良率%评定意见单元工程质量等级每台设备主要检查项目全部符合规定。一般检查项目的实测点%符合规定,其余虽有微小出入,但不影响使用,%项目达到优良标准。组成单元工程的各台设备%达到优良等级测量人年月日施工单位年月日(监理)建设年月日单位注适用范围:见表4.1。水利水电工程表4.3离心水泵安装单元工程质量评定表单位工程名称单元工程量分部工程名称施工单位单元工程名称、部位检验日期年月日项次检查项目允许偏差(㎜)实测值结论合格优良1设备平面位置+10+52高程+20-10+10-53泵体纵、横向水平度0.10/m0.08/m4△叶轮和密封环间隙符合设计规定5多级泵叶轮轴向间隙大于推力头轴向间隙6主、从动轴中心0.100.087主、从动轴中心倾斜0.20/m0.10/m88.1填料函检查压盖松紧适当,只有滴状泄漏第4页共14页第3页共14页编号:时间:2021年x月x日书山有路勤为径,学海无涯苦作舟页码:第4页共14页水泵试运转(在额定负荷下,试运转不小于2h)8.2转动部分检查运转中无异常振动和响声,各连接部分不应松动和渗漏8.3轴承检查滚动轴承不超过75℃,滑动轴承不超过70℃8.4电动机电流不超过额定值8.5水泵压力和流量符合设计规定8.6水泵止退机构动作灵活可靠8.7水泵轴的径向振动转速双向振幅(r/min)(㎜)>750~1000≤0.10>1000~1500≤0.08>1500~3000≤0.06检验结果共检验项,合格项其中优良项,优良率%评定意见单元工程质量等级每台设备主要检查项目全部符合规定。一般检查项目的实测点%符合规定,其余虽有微小出入,但不影响使用,%项目达到优良标准。组成...

1、当您付费下载文档后,您只拥有了使用权限,并不意味着购买了版权,文档只能用于自身使用,不得用于其他商业用途(如 [转卖]进行直接盈利或[编辑后售卖]进行间接盈利)。
2、本站所有内容均由合作方或网友上传,本站不对文档的完整性、权威性及其观点立场正确性做任何保证或承诺!文档内容仅供研究参考,付费前请自行鉴别。
3、如文档内容存在违规,或者侵犯商业秘密、侵犯著作权等,请点击“违规举报”。

碎片内容

质量评定表第五部分(泵、管路)

精华资料店+ 关注
实名认证
内容提供者

大量教育教学资料

确认删除?
VIP
微信客服
  • 扫码咨询
会员Q群
  • 会员专属群点击这里加入QQ群
客服邮箱
回到顶部