电脑桌面
添加小米粒文库到电脑桌面
安装后可以在桌面快捷访问

水利水电工程涪阳质量评定表VIP免费

水利水电工程涪阳质量评定表_第1页
1/42
水利水电工程涪阳质量评定表_第2页
2/42
水利水电工程涪阳质量评定表_第3页
3/42
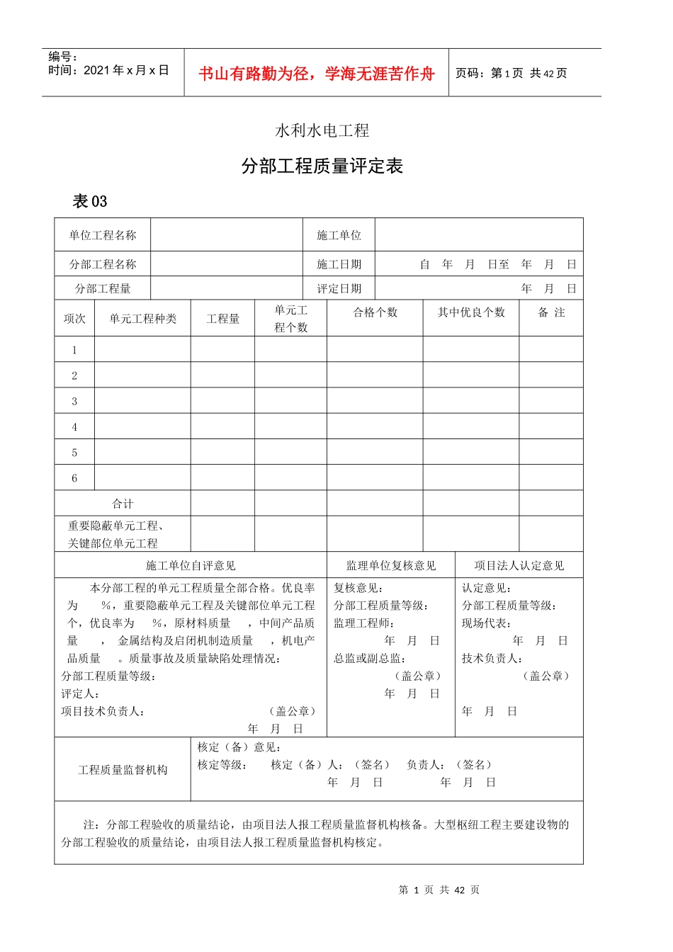
第1页共42页编号:时间:2021年x月x日书山有路勤为径,学海无涯苦作舟页码:第1页共42页水利水电工程分部工程质量评定表表03单位工程名称施工单位分部工程名称施工日期自年月日至年月日分部工程量评定日期年月日项次单元工程种类工程量单元工程个数合格个数其中优良个数备注123456合计重要隐蔽单元工程、关键部位单元工程施工单位自评意见监理单位复核意见项目法人认定意见本分部工程的单元工程质量全部合格。优良率为%,重要隐蔽单元工程及关键部位单元工程个,优良率为%,原材料质量,中间产品质量,金属结构及启闭机制造质量,机电产品质量。质量事故及质量缺陷处理情况:分部工程质量等级:评定人:项目技术负责人:(盖公章)年月日复核意见:分部工程质量等级:监理工程师:年月日总监或副总监:(盖公章)年月日认定意见:分部工程质量等级:现场代表:年月日技术负责人:(盖公章)年月日工程质量监督机构核定(备)意见:核定等级:核定(备)人:(签名)负责人:(签名)年月日年月日注:分部工程验收的质量结论,由项目法人报工程质量监督机构核备。大型枢纽工程主要建设物的分部工程验收的质量结论,由项目法人报工程质量监督机构核定。第2页共42页第1页共42页编号:时间:2021年x月x日书山有路勤为径,学海无涯苦作舟页码:第2页共42页水利水电工程表1.2岩石地基开挖单元工程质量评定表单位工程名称单元工程量分部工程名称施工单位单元工程名称、部位检验日期项次检查项目质量标准检验记录1△保护层开挖浅孔、密孔、少药量、火炮爆破2△建基面无松动岩块,无爆破影响裂隙3△断层及裂隙密集带按规定挖槽。槽深为宽度的1~1.5倍。规模较大时,按设计要求处理4△多组切割的不稳定岩体按设计要求处理5岩溶洞穴按设计要求处理6软弱夹层厚度大于5cm者,挖至新鲜岩或设计规定的深度7夹泥裂隙挖1~1.5倍断层宽度,清除夹泥,或按设计要求处理项次检测项目设计值允许偏差(cm)实测值(单位:项次4、5m,项次6cm)合格数(点)合格率(%)1无结构要求或无配筋坑(槽)长宽<5m+20-1025~10m+30-20310~15m+40-304>15m31m+50-305坑(槽)底部标高-10m+20-106垂直或斜面平整度207有结构要求坑(槽)长宽<5m+10-O85~10m+20-O910~15m+30-O1011>15m+20-O坑(槽)底部标高12垂直或斜面平整15检测结果检测点,其中合格点,合格率评定意见单元工程质量等级第3页共42页第2页共42页编号:时间:2021年x月x日书山有路勤为径,学海无涯苦作舟页码:第3页共42页施工单位年月日建设(监理)单位年月日注“+”为超挖,“一”为欠挖。水利水电工程表1.4软基和岸坡开挖单元工程质量评定表单位工程名称单元工程量分部工程名称施工单位单元工程名称、部位检验日期年月日项次检查项目质量标准检验记录1地基清理和处理无树根、草皮、乱石、坟墓,水井泉眼已处理,地质符合设计2△取样检验符合设计要求3岸坡清理和处理无树根、草皮、乱石。有害裂隙及洞穴已处理4岩石岸坡清理坡度符合设计要求5△粘土、湿陷性黄土清理坡度符合设计要求6截水槽地基处理泉眼、渗水已处理,岩石冲洗洁净,无积水7△截水槽(墙)基岩面坡度符合设计要求项次检测项目设计值允许偏差(cm)实测值合格数(点)合格率(%)1无结构要求,无配筋坑︵槽︶长或宽5m以内+20-1025-10m+30-20310-15m+40-30415m以上+50-305坑(槽)底部标高+20-106垂直或斜面平整度201有结构基坑︵5m以内+20-025-10m+30-0310-15m+40-0第4页共42页第3页共42页编号:时间:2021年x月x日书山有路勤为径,学海无涯苦作舟页码:第4页共42页要求有配槽︶长415m以上+40-05坑(槽)底部标高+20-06垂直或斜面平整度15检测结果共检测点,其中合格点,合格率%评定意见单元工程质量等级主要检查项目全部符合质量标准。一般检查项目。检测项目实测点合格率%。施工单位建监设理单位注:“+”为超挖,“-”为欠挖。第5页共42页第4页共42页编号:时间:2021年x月x日书山有路勤为径,学海无涯苦作舟页码:第5页共42页水利水电工程混凝土单元工程质量评定表表1.5单位工程名称单元工程量分部工程名称施工单位单元工程名称、部位评定日期年月日项次工序名称工序质量等级1基础面或混...

1、当您付费下载文档后,您只拥有了使用权限,并不意味着购买了版权,文档只能用于自身使用,不得用于其他商业用途(如 [转卖]进行直接盈利或[编辑后售卖]进行间接盈利)。
2、本站所有内容均由合作方或网友上传,本站不对文档的完整性、权威性及其观点立场正确性做任何保证或承诺!文档内容仅供研究参考,付费前请自行鉴别。
3、如文档内容存在违规,或者侵犯商业秘密、侵犯著作权等,请点击“违规举报”。

碎片内容

水利水电工程涪阳质量评定表

您可能关注的文档

确认删除?
VIP
微信客服
  • 扫码咨询
会员Q群
  • 会员专属群点击这里加入QQ群
客服邮箱
回到顶部