电脑桌面
添加小米粒文库到电脑桌面
安装后可以在桌面快捷访问

发电工程质量检验及评定范围表VIP免费

发电工程质量检验及评定范围表_第1页
1/24
发电工程质量检验及评定范围表_第2页
2/24
发电工程质量检验及评定范围表_第3页
3/24
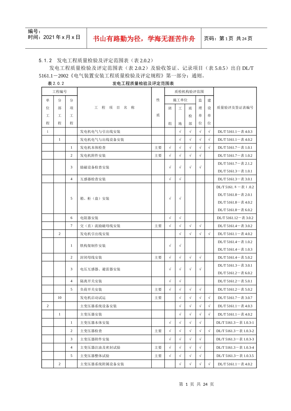
第1页共24页编号:时间:2021年x月x日书山有路勤为径,学海无涯苦作舟页码:第1页共24页5.1.2发电工程质量检验及评定范围表(表2.0.2)发电工程质量检验及评定范围表(表2.0.2)及验收签证、记录项目(表5.0.5)出自DL/T5161.1-2002《电气装置安装工程质量检验及评定规程》第一部分:通则。表2.0.2发电工程质量检验及评定范围表工程编号工程项目名称性质质检机构验评范围质量验评及签证表编号单位工程分部工程分项工程施工单位监理单位建设单位班组工地质检部1发电机电气与引出线安装√√√√DL/T5161.1-表4.0.31发电机电气与出线设备安装√√√√DL/T5161.1-表4.0.21发电机本体检查主要√√√√√DL/T5161.7-表1.0.12发电机附件安装主要√√√√DL/T5161.7-表1.0.23励磁设备检查安装√√√√DL/T5161.7-表2.1.2DL/T5161.3-表1.0.14互感器检查安装√√DL/T5161.3-表3.0.15箱、柜(盘)安装√√DL/T5161.8-表1.0.2DL/T5161.8-表2.0.1DL/T5161.8-表4.0.2DL/T5161.8-表6.0.26电阻器安装√√DL/T5161.12-表3.0.27交(直)流励磁母线安装主要√√√√DL/T5161.4-表3.0.22发电机引出线安装√√√√DL/T5161.1-表4.0.21铁构架制作安装√√DL/T5161.4-表1.0.2DL/T5161.4-表1.0.32封闭母线安装主要√√√√DL/T5161.4-表5.0.23电压互感器、避雷器安装√√√√DL/T5161.3-表3.0.1DL/T5161.2-表6.0.24隔离开关安装√√DL/T5161.2-表5.0.15负荷开关安装主要√√√√DL/T5161.2-表5.0.210发电机启动试运主要√√√√DL/T5161.7-表3.0.72主变压器系统设备安装√√√√DL/T5161.1-表4.0.31主变压器安装√√√√DL/T5161.1-表4.0.21主变压器本体安装√√√√DL/T5161.3-表1.0.3-12主变压器检查主要√√√√√DL/T5161.3-表1.0.3-23主变压器附件安装√√√√DL/T5161.3-表1.0.3-34主变压器注油及密封试验主要√√√√DL/T5161.3-表1.0.3-45主变压器整体试验主要√√√√DL/T5161.3-表1.0.3.52主变压器系统附属设备安装√√√√DL/T5161.1-表4.0.2第2页共24页第1页共24页编号:时间:2021年x月x日书山有路勤为径,学海无涯苦作舟页码:第2页共24页1中性点隔离开关安装√√√√DL/T5161.2-表5.0.12避雷器安装√√√√DL/T5161.2-表6.0.23控制柜及端子箱检查安装√√DL/T5161.8-表4.0.2续表2..0.2工程编号工程项目名称性质质检机构验评范围质量验评及签证表编号单位工程分部工程分项工程施工单位监理单位建设单位班组工地质检部4软母线安装√√√√DL/T5161.4-表7.0.210主变压器带电试运主要√√√√DL/T5161.3-表4.0.93×××kV配电装置安装√√√√DL/T5161.1-表4.0.31网控室设备安装√√√√DL/T5161.1-表4.0.21控制及保护屏台安装√√DL/T5161.8-表1.0.2DL/T5161.8-表5.0.22直流屏及充电设备安装√√DL/T5161.13-表2.0.23二次回路检查及接线√√DL/T5161.8-表7.0.24蓄电池安装√√√√DL/T5161.9-表1.0.2DL/T5161.9-表2.0.25充放电及容量测定√√√√DL/T5161.9-表3.0.3DL/T5161.9-表3.0.42主母线及旁路母线安装√√√√DL/T5161.1-表4.0.21绝缘子串安装√√DL/T5161.4-表2.0.22软母线安装√√√√DL/T5161.4-表7.0.23支柱绝缘子安装√√DL/T5161.4-表2.0.34管形母线安装主要√√√√DL/T5161.4-表6.0.25隔离开关安装√√√√DL/T5161.2-表5.0.13电压互感器及避雷器间隔安装√√√√DL/T5161.1-表4.0.21避雷器安装√√DL/T5161.2-表6.0.22电压互感器安装√√DL/T5161.3-表3.0.23隔离开关安装√√√√DL/T5161.2-表5.0.14支柱绝缘子安装√√DL/T5161.4-表2.0.35引下线及跳线安装√√√√DL/T5161.4-表7.0.26箱柜安装√√DL/T5161.8-表1.0.2DL/T5161.8-表4.0.24×××kV进出线(母联、分段及旁路)间隔安装√√√√DL/T5161.1-表4.0.21隔离开关安装√√√√DL/T5161.2-表5.0.1第3页共24页第2页共24页编号:时间:2021年x月x日书山有路勤为径,学海无涯苦作舟页码:第3页共24页2断路器安装主要√√√√DL/T5161.2-表2.0.1DL/T5161.2-表2.0.23电压(流)互感器安装√√DL/T5161.3-表3.0.24避雷器安装√√DL/T5161.2-表6.0....

1、当您付费下载文档后,您只拥有了使用权限,并不意味着购买了版权,文档只能用于自身使用,不得用于其他商业用途(如 [转卖]进行直接盈利或[编辑后售卖]进行间接盈利)。
2、本站所有内容均由合作方或网友上传,本站不对文档的完整性、权威性及其观点立场正确性做任何保证或承诺!文档内容仅供研究参考,付费前请自行鉴别。
3、如文档内容存在违规,或者侵犯商业秘密、侵犯著作权等,请点击“违规举报”。

碎片内容

发电工程质量检验及评定范围表

确认删除?
VIP
微信客服
  • 扫码咨询
会员Q群
  • 会员专属群点击这里加入QQ群
客服邮箱
回到顶部