电脑桌面
添加小米粒文库到电脑桌面
安装后可以在桌面快捷访问

PSL 602U系列线路保护检测大纲及记录-Z008900000302VIP免费

PSL 602U系列线路保护检测大纲及记录-Z008900000302_第1页
1/16
PSL 602U系列线路保护检测大纲及记录-Z008900000302_第2页
2/16
PSL 602U系列线路保护检测大纲及记录-Z008900000302_第3页
3/16
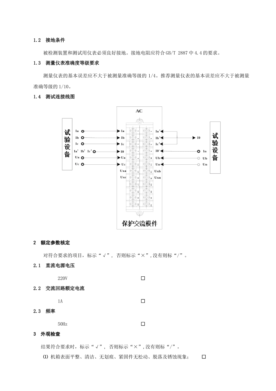
PSL602U系列线路保护装置物料编码:Z008900000302检测大纲及记录国电南京自动化股份有限公司2010年5月PSL602U系列线路保护装置物料编码:Z008900000302检测大纲及记录产品编号直流电压交流电流检测人员检验人员检测日期国电南京自动化股份有限公司2010年5月1正常检测条件1.1大气条件⑴环境温度:15℃~35℃;⑵相对湿度:45%~75%;⑶大气压力:86kPa~106kPa。1.2接地条件被检测装置和测试用仪表必须良好接地。接地电阻应符合GB/T2887中4.4的要求。1.3测量仪表准确度等级要求测量仪表的基本误差应不大于被测量准确等级的1/4。推荐测量仪表的基本误差应不大于被测量准确等级的1/10。1.4测试连接线图2额定参数核定对符合要求的项目,标示“√”,否则标示“×”,没有则标“/”。2.1直流电源电压220V□2.2交流回路额定电流1A□2.3频率50Hz□3外观检查结果符合要求时,标示“√”,否则标示“×”,没有则标“/”。⑴机箱表面平整、清洁、无划痕、紧固件无松动、脱落及锈蚀现象;□⑵机箱表面的涂覆层的颜色均匀一致,无明显的色差和眩光,涂覆层表面无砂粒、起绉、流痕等缺陷;□⑶机箱面板锁功能正常,开关方便灵活;□⑷接插件拔插自如,接触良好;□⑸电路板上元器件排列整齐,完好无缺损;□⑹产品标牌及厂牌清晰无误,符合设计要求;□⑺安全标志完整正确。□检查方法:用目测手感法在自然光线下逐项进行检查。4确认单模件已通过检测,检查装置的插件配置是否和对应BOM中的配置一致。是□否□5绝缘电阻试验按产品标准GB/T15145-2008《线路保护装置通用技术标准》中规定的技术要求,在正常试验大气条件下,装置的外引带电回路部分(通信接口回路除外)和外壳之间,用开路电压为直流1000V的兆欧表测量其绝缘电阻,应≥50MΩ;通信接口回路对地,用开路电压为直流500V的兆欧表测量其绝缘电阻,应≥100MΩ。测量时间不小于5s,试验结果填表1,满足技术要求打“√”即可:⑴1号模件1X23、1X24与机壳应电气连通是□否□⑵14号模件14X12与机壳应电气连通是□否□表1绝缘电阻的要求被试回路被测回路试验端子技术要求试验结果直流回路……地14X8~14X10……机壳1000V时,≥50MΩ交流回路……地1X1~1X16……机壳信号输入回路……地5X1~5X22,6X1~6X22,13X1~13X22…机壳信号输出回路……地7X1~7X22,8X1~8X22,9X1~9X22,10X1~10X22,11X1~11X22……机壳通信接口回路……地4X1~4X18……机壳500V时,≥100MΩ直流回路……交流回路14X8~14X10……1X1~1X161000V时,≥50MΩ直流回路……信号输入回路14X8~14X10……5X1~5X22,6X1~6X22,13X1~13X22直流回路14X8~14X10……7X1~7X22,8X1~8X22,9X1……信号输出回路~9X22,10X1~10X22,11X1~11X22直流回路……通信接口回路14X8~14X10……4X1~4X18交流回路……信号输入回路1X1~1X16……5X1~5X22,6X1~6X22,13X1~13X22交流回路……信号输出回路1X1~1X16……7X1~7X22,8X1~8X22,9X1~9X22,10X1~10X22,11X1~11X22交流回路……通信接口回路1X1~1X16……4X1~4X18信号输入回路……信号输出回路5X1~5X22,6X1~6X22,13X1~13X22……7X1~7X22,8X1~8X22,9X1~9X22,10X1~10X22,11X1~11X22信号输入回路……通信接口回路5X1~5X22,6X1~6X22,13X1~13X22……4X1~4X18信号输出回路……通信接口回路7X1~7X22,8X1~8X22,9X1~9X22,10X1~10X22,11X1~11X22……4X1~4X18注:装置13#号强电开入转换模件为工程选配模件。若没有该模件的装置则不做相关回路的调试。下同。6介质强度试验根据产品标准Q/GDNZ.JB011-2006《高压输电线路保护装置》中规定的技术要求,按表2用工频交流耐压测试仪按不同的电压进行试验,也可采用直流试验电压,其值应为规定的工频交流试验电压值的√2倍。在正常试验大气条件下,装置应能承受频率为50Hz,历时1min的工频耐压试验而无击穿闪络及元件损坏现象,直流电压回路对地试验时漏电电流取10mA,其余试验漏电电流取5mA。试验过程中,任一被试回路施加电压时其余回路等电位互联接地。试验结果填表2,满足技术要求打“√”即可:表2工频耐压的要求被试回路被测回路试验端子技...

1、当您付费下载文档后,您只拥有了使用权限,并不意味着购买了版权,文档只能用于自身使用,不得用于其他商业用途(如 [转卖]进行直接盈利或[编辑后售卖]进行间接盈利)。
2、本站所有内容均由合作方或网友上传,本站不对文档的完整性、权威性及其观点立场正确性做任何保证或承诺!文档内容仅供研究参考,付费前请自行鉴别。
3、如文档内容存在违规,或者侵犯商业秘密、侵犯著作权等,请点击“违规举报”。

碎片内容

PSL 602U系列线路保护检测大纲及记录-Z008900000302

确认删除?
VIP
微信客服
  • 扫码咨询
会员Q群
  • 会员专属群点击这里加入QQ群
客服邮箱
回到顶部