电脑桌面
添加小米粒文库到电脑桌面
安装后可以在桌面快捷访问

烟花爆竹经营(批发)企业行政许可(新办、延期)VIP专享VIP免费

烟花爆竹经营(批发)企业行政许可(新办、延期)_第1页
1/18
烟花爆竹经营(批发)企业行政许可(新办、延期)_第2页
2/18
烟花爆竹经营(批发)企业行政许可(新办、延期)_第3页
3/18
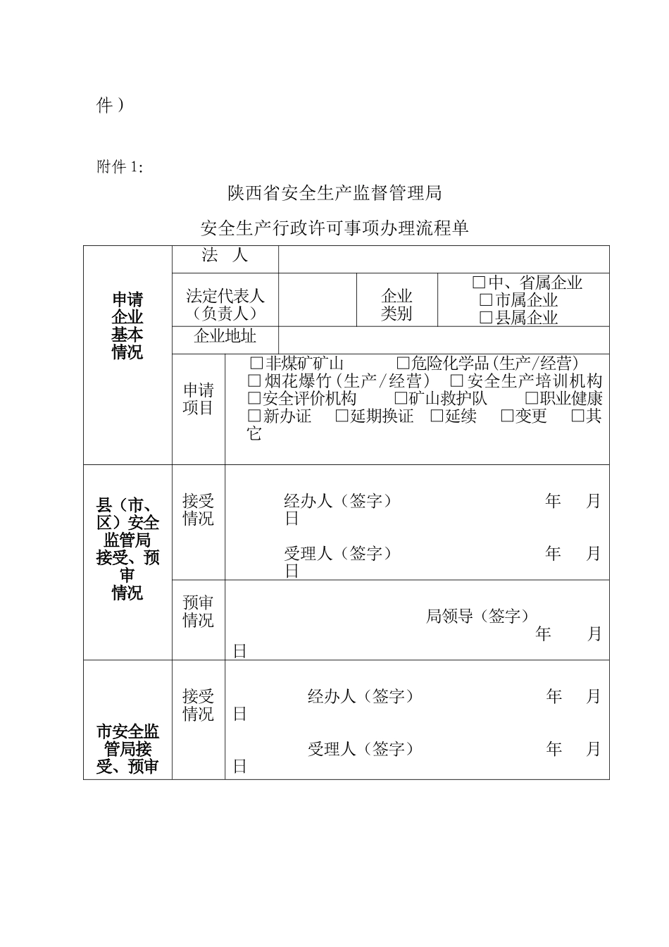
烟花爆竹经营(批发)企业行政许可(新办、延期)申请材料目录1、安全生产许可事项办理流程单2、烟花爆竹经营(批发)许可证申请书3、企业法人营业执照或企业名称预先核准通知书(复印件)4、安全生产管理制度和安全责任制度5、安全操作规程目录6、企业安全生产事故应急救援预案审查备案表7、主要负责人、安全生产管理人员安全资格证书,特种作业人员操作证及其它作业人员的培训资质证书(复印件)8、库区外部安全距离示意(或者)图和库区仓储设施平面(或者设计)图9、道路危险货物运输车辆证明材料,或者委托道路危险货物运输企业承运的有效合同文本复印件10、防雷、防静电、消防设施检测合格的证明材料11、《安全评价报告》或者《危险化学品安全标准化证书》12、经营场所和库区的产权或租赁证明13、为从业人员缴纳工伤保险的证明材料14、安全生产风险抵押金缴纳证明及银行进账单(复印件)附件1:陕西省安全生产监督管理局安全生产行政许可事项办理流程单申请企业基本情况法人法定代表人(负责人)企业类别□中、省属企业□市属企业□县属企业企业地址申请项目□非煤矿矿山□危险化学品(生产/经营)□烟花爆竹(生产/经营)□安全生产培训机构□安全评价机构□矿山救护队□职业健康□新办证□延期换证□延续□变更□其它县(市、区)安全监管局接受、预审情况接受情况经办人(签字)年月日受理人(签字)年月日预审情况局领导(签字)年月日市安全监管局接受、预审接受情况经办人(签字)年月日受理人(签字)年月日情况预审情况局领导(签字)年月日省安全监管局许可办理情况许可办受理情况经办人移交材料时间年月日受理人受理编号受理时间年月日业务处审查、审核情况材料接收人接收时间年月日审查意见审查人(签字)年月日审核意见处长(签字)年月日局长办公会审定情况局领导(签字)年月日许可复核情况反馈材料接收人接收时间年月日复核意见主任(签字)年月日领导意见局领导(签字)年月日说明1、此流程单随企业申报材料同步运行并逐级上报,省局归档保存。2、如实准确填写相关内容和受理、预审、审查、审核时间。3、此流程单由安监部门向企业提供。附件2:申请编号:受理编号:申请日期:受理日期:烟花爆竹经营(批发)许可证申请书□申请□变更单位名称经办人联系电话填写日期陕西省安全生产监督管理局制填写说明1.烟花爆竹经营(批发)许可证申请、变更分别填写本申请书的许可证申请表、许可证变更申请表。2.本申请书一式三份,用钢笔、签字笔填写或者用打印机打印,字迹要清晰、工整。3.申请书封面的“申请编号”、“申请日期”、“受理编号”、“受理日期”由许可证发证机关填写,“受理编号”、“受理日期”应与受理通知书的受理编号、日期一致。申请书的其他内容均由申请单位填写。4.申请书中“单位名称”指申请烟花爆竹经营(批发)许可证的单位在工商行政管理部门登记注册或者预先核准的单位名称;“经办人”是指申请单位指定的办理申请事宜的人员;“联系电话”是指经办人的电话。5.申请书封面“单位名称”处应盖申请单位公章。6.申请书表格中,除“单位网址”、“电子信箱”是可选项外,其他栏均为必填项。其中:申请书与工商营业执照所载的事项相同的,按工商营业执照登记的内容填写;“登记机关”是指颁发工商营业执照或者预先核准单位名称的工商行政管理部门的全称;“经济类型”按照国家统计局和原国家工商行政管理局《关于划分企业登记注册类型的规定》(国统字〔1998〕200号)的规定,填写企业登记注册类型代码;“固定资产总值”、“销售额”、“出口额”分别指填写本表时上年度的固定资产总值、销售收入总额、出口总额。以前未经营烟花爆竹的不需填写;“申请经营范围”栏在[]内选择性划“√”。许可证申请表单位名称法定代表人注册地址邮政编码仓储设施地址经济类型注册资本万元联系电话传真单位网址电子信箱工商注册号登记日期登记机关固定资产总值万元销售额万元出口额万元从业人员人其中安全管理人员人运输车辆辆仓库保管和守护人员人申请经营范围烟花类[]产品分级A[]B[]C[]D[]爆竹类[]产品分级B[]C[]烟火药[]黑火药[]引火线[]申请意见本单位符合《烟花...

1、当您付费下载文档后,您只拥有了使用权限,并不意味着购买了版权,文档只能用于自身使用,不得用于其他商业用途(如 [转卖]进行直接盈利或[编辑后售卖]进行间接盈利)。
2、本站所有内容均由合作方或网友上传,本站不对文档的完整性、权威性及其观点立场正确性做任何保证或承诺!文档内容仅供研究参考,付费前请自行鉴别。
3、如文档内容存在违规,或者侵犯商业秘密、侵犯著作权等,请点击“违规举报”。

碎片内容

烟花爆竹经营(批发)企业行政许可(新办、延期)

确认删除?
VIP
微信客服
  • 扫码咨询
会员Q群
  • 会员专属群点击这里加入QQ群
客服邮箱
回到顶部