电脑桌面
添加小米粒文库到电脑桌面
安装后可以在桌面快捷访问

冠梁技术交底模板VIP免费

冠梁技术交底模板_第1页
1/6
冠梁技术交底模板_第2页
2/6
冠梁技术交底模板_第3页
3/6
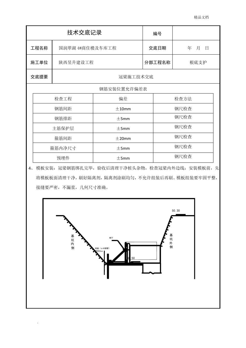
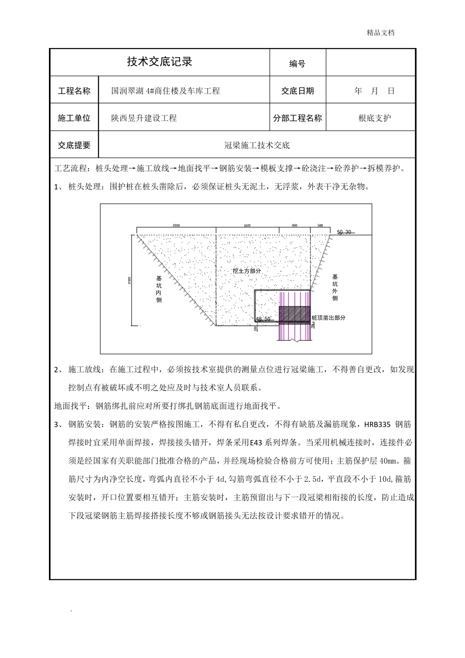
精品文档技术交底记录工程名称施工单位交底提要编号交底日期分部工程名称冠梁施工技术交底年月日根底支护国润翠湖4#商住楼及车库工程陕西昱升建设工程交底内容:一、施工准备1、技术准备1)已熟悉相关图纸,编制施工方案经审批,并向有关人员进行技术交底。2)施工人员培训合格后持证上岗。3)钢筋及焊条等原材检验已合格。2、材料要求1)钢筋:钢筋进场应有产品合格证和出厂检验报告,进场后,应按国家现行标准【钢筋混凝土用热轧带肋钢筋】〔GB1499〕等的规定抽取试件做力学性能试验,其品种、级别、规格和质量应符合设计和有关标准要求。2)模板:模板外表平整无变形,已进行打磨除锈,其品种、级别、规格和质量应符合设计和有关标准要求。3)焊接材料:手工焊接用焊条,应有产品出厂合格证,其质量应符合国家现行标准【碳素钢焊条】〔GB/T5117〕或【低合金钢焊条】〔GB/T5118〕的规定。二、机具设备电焊机、钢筋调直机、钢筋弯曲机、钢筋切断机、无齿锯、振捣器、风镐、等。三、作业条件1、钢筋加工及安装、模板安装施工队伍具有专业承包资质,已经在工程部备案,施工人员已经通过三级平安教育,考试合格。2、地表土开挖至冠梁底。3、现场冠梁轴线控制点、标高点已放设完成,并进行测量复核。4、桩头凿除施工完成。四、施工工艺.精品文档技术交底记录工程名称施工单位交底提要国润翠湖4#商住楼及车库工程陕西昱升建设工程编号交底日期分部工程名称冠梁施工技术交底年月日根底支护工艺流程:桩头处理→施工放线→地面找平→钢筋安装→模板支撑→砼浇注→砼养护→拆模养护。1、桩头处理:围护桩在桩头凿除后,必须保证桩头无泥土,无浮浆,外表干净无杂物。挖土方部分基坑内侧50.3048.50基坑外侧桩顶凿出部分2、施工放线:在施工过程中,必须按技术室提供的测量点位进行冠梁施工,不得善自更改,如发现控制点有被破坏或不明之处应及时与技术室人员联系。地面找平:钢筋绑扎前应对所要打绑扎钢筋底面进行地面找平。3、钢筋安装:钢筋的安装严格按图施工,不得有私自更改,不得有缺筋及漏筋现象,HRB335钢筋焊接时宜采用单面焊接,焊接接头错开,焊条采用E43系列焊条。当采用机械连接时,连接件必须是经国家有关职能部门批准合格的产品,并经现场检验合格前方可使用;主筋保护层40mm。箍筋尺寸为内净空长度,弯弧内直径不小于4d,勾筋弯弧直径不小于2.5d,平直段不小于10d,箍筋安装时,开口位置要相互错开;主筋安装时,主筋预留出与下一段冠梁相衔接的长度,防止造成下段冠梁钢筋主筋焊接搭接长度不够或钢筋接头无法按设计要求错开的情况。.精品文档技术交底记录工程名称施工单位交底提要国润翠湖4#商住楼及车库工程陕西昱升建设工程编号交底日期分部工程名称冠梁施工技术交底年月日根底支护钢筋安装位置允许偏差表检查工程钢筋间距钢筋排距主筋保护层箍筋间距箍筋内净尺寸预埋件偏差±10mm±5mm±5mm±20mm±5mm±5mm检查方法钢尺检查钢尺检查钢尺检查钢尺检查钢尺检查钢尺检查4、模板安装:冠梁钢筋绑扎完毕,验收后清理干净桩头杂物,检查冠梁内外边线;安装模板前,先将模板板面清理干净,刷好隔离剂,隔离剂涂刷均匀,不允许组装后再刷。模板组装要牢固平整,接缝要严密,不漏浆,几何尺寸准确。基坑内侧楔子50.30地锚(φ40钢管)埋深50cm基坑外侧48.50.精品文档技术交底记录工程名称施工单位交底提要国润翠湖4#商住楼及车库工程陕西昱升建设工程编号交底日期分部工程名称冠梁施工技术交底年月日根底支护模板安装允许偏差及检查方法工程底模标高截面尺寸相邻模板错台外表平整度允许偏差±5mm±10mm2mm5mm检查方法水准仪钢尺钢尺2m靠尺及塞尺5、混凝土浇注及养护:冠梁浇注混凝土前保证与上一段冠梁的接茬面已经凿毛,并浇水湿润,冠梁采用C30商品混凝土,要求坍落度160~200mm,泵送入模,振捣棒振捣密实。冠梁混凝土强度到达临界受冻强度条件前方可拆模。6、模板撤除:当冠梁砼到达设计强度时,方可进行模板撤除,拆模时先撤除上拉撑,最后撤除水平拉撑,拆下的木楞,模板等,随拆随派人运到指定地点堆放,以免基坑附近地面受压造成坑壁塌方,冠梁拆模后及时将与下一段冠梁的接茬...

1、当您付费下载文档后,您只拥有了使用权限,并不意味着购买了版权,文档只能用于自身使用,不得用于其他商业用途(如 [转卖]进行直接盈利或[编辑后售卖]进行间接盈利)。
2、本站所有内容均由合作方或网友上传,本站不对文档的完整性、权威性及其观点立场正确性做任何保证或承诺!文档内容仅供研究参考,付费前请自行鉴别。
3、如文档内容存在违规,或者侵犯商业秘密、侵犯著作权等,请点击“违规举报”。

碎片内容

冠梁技术交底模板

您可能关注的文档

爱的疯狂+ 关注
实名认证
内容提供者

该用户很懒,什么也没介绍

确认删除?
VIP
微信客服
  • 扫码咨询
会员Q群
  • 会员专属群点击这里加入QQ群
客服邮箱
回到顶部