电脑桌面
添加小米粒文库到电脑桌面
安装后可以在桌面快捷访问

高压旋喷止水帷幕桩施工方案VIP免费

高压旋喷止水帷幕桩施工方案_第1页
1/6
高压旋喷止水帷幕桩施工方案_第2页
2/6
高压旋喷止水帷幕桩施工方案_第3页
3/6
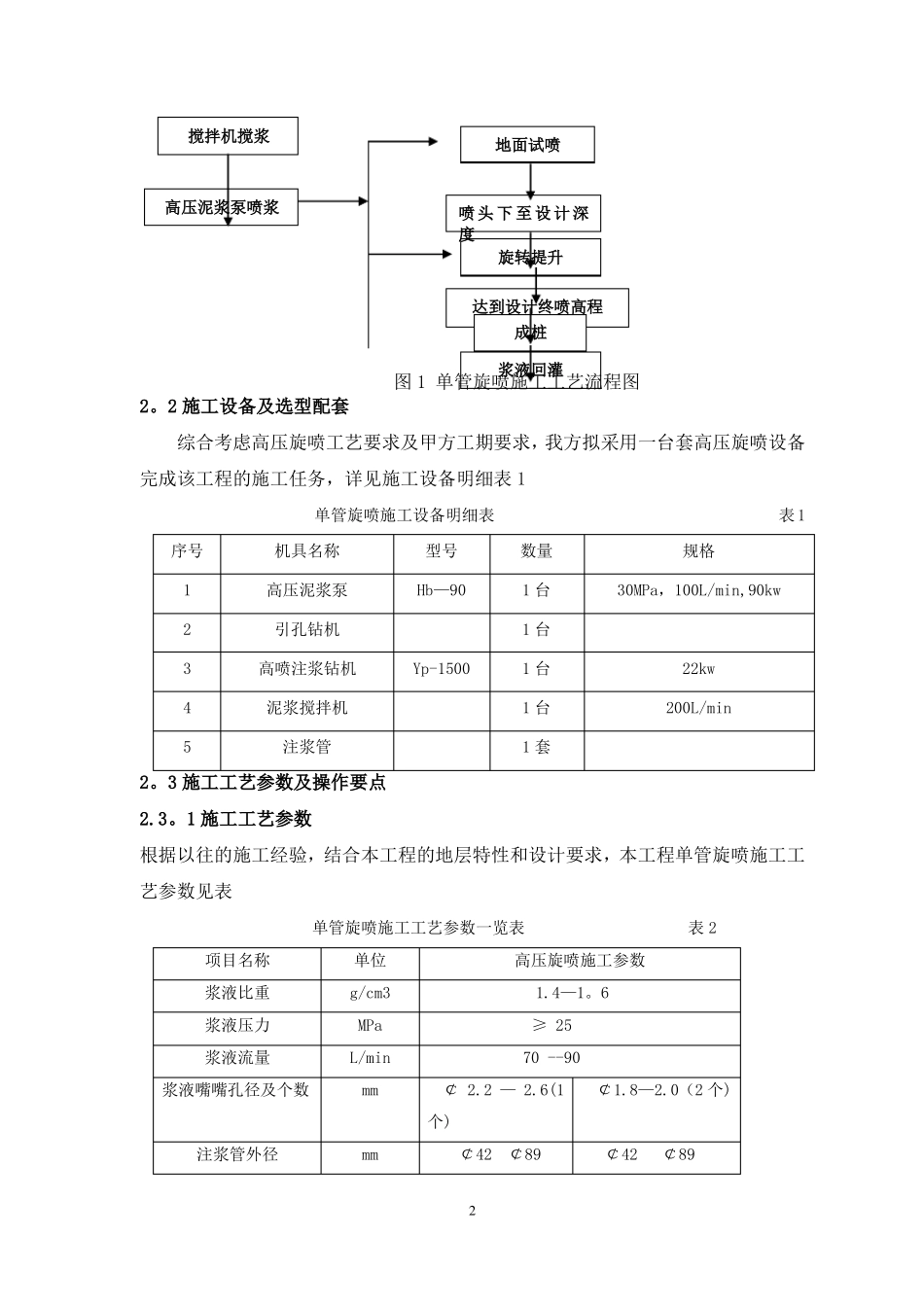
江东和谐家园·和谐广场基坑支护工程高压旋喷止水桩施工组织设计1。工程概况及设计要求1。1工程概况江东和谐家园·和谐广场基坑支护工程由四川省蜀通岩土工程公司承建,受该公司委托,我方承担了该工程的部分高压旋喷止水桩的施工任务。该基坑深度12米,基坑支护深搅加锚喷支护方案,局部圆砾胶结层深搅不下去的地方,采用单管高压旋喷桩加锚喷支护方案。1.2工程地质条件及设计要求施工场区内自上而下(自现开挖基坑底算起),依次为0-1。5米为粘性土;1。5—15米为圆砾土,其中6-8米和11-13米为圆砾胶结层。地下水埋深约4.5米左右。本工程设计工程量约6000延米,我方拟承担其中约100余根桩,1500米的施工任务。高压旋喷桩采用单管法,桩间距300mm,桩长约15。0米,压浆压力25MPa。2。施工工艺、施工设备和工程进度2。1施工工艺流程根据底层情况和甲方技术要求,本基坑支护工程深搅不下去的地方圆砾土胶结层采用单管旋喷止水,我方负责该工程部分旋喷桩止水施工任务.我方将严格按甲方设计要求、施工技术交底及有关高压旋喷的规范规程施工。2.1.1旋喷施工顺序如下:(1)引孔钻机就位导孔;(3)旋喷机就位下旋喷头至设计桩底标高;(4)边提升、边旋转喷射至设计桩顶标高;(5)提钻清洗钻具;(6)移机至下一孔位;2。1。2施工工艺流程见图1钻机就位引孔高喷机就位1搅拌机搅浆地面试喷高压泥浆泵喷浆喷头下至设计深度旋转提升达到设计终喷高程成桩2。2施工设备及选型配套图1单管旋喷施工工艺流程图浆液回灌综合考虑高压旋喷工艺要求及甲方工期要求,我方拟采用一台套高压旋喷设备完成该工程的施工任务,详见施工设备明细表1序号12345单管旋喷施工设备明细表机具名称高压泥浆泵引孔钻机高喷注浆钻机泥浆搅拌机注浆管型号Hb—90Yp-1500数量1台1台1台1台1套规格30MPa,100L/min,90kw22kw200L/min表12。3施工工艺参数及操作要点2.3。1施工工艺参数根据以往的施工经验,结合本工程的地层特性和设计要求,本工程单管旋喷施工工艺参数见表项目名称浆液比重浆液压力浆液流量浆液嘴嘴孔径及个数单管旋喷施工工艺参数一览表单位g/cm3MPaL/minmm高压旋喷施工参数1.4—1。6≥2570--90¢2.2—2.6(1个)注浆管外径表2¢1.8—2.0(2个)mm¢42¢892¢42¢89提升速度旋转速度cm/minr/min15-2015—2010-165—82。3。2旋喷操作要点(1)旋喷前要检查高压设备和管路系统,其压力和流量必须满足设计要求。注浆管及喷嘴内不得有任何杂物。注浆管接头的密封圈必须良好。(2)垂直施工时,钻孔倾斜度不得大于1.5%。(3)在插管和喷射过程中,要注意防止喷嘴被堵,在拆卸和安装注浆管时动作要快。(4)喷射时,要做好压力、流量和冒浆量的量测工作.及时了解土层的变化、喷射注浆的大致效果和喷射参数是否合理。单管法冒浆量小于注浆量的20%为正常。(5)深层旋喷时,应先喷浆后,再旋转和提升,以防注浆管扭断。(6)高喷深度大时,易造成上粗下细的固结体,应通过增大喷射压力和流量或降低旋转和提升速度等措施.(7)搅拌水泥时,水灰比要按设计规定执行,不得随意更改。(8)施工完毕,立即拔出注浆管并彻底清洗注浆管和注浆泵,以防凝固堵塞.2.4施工顺序及工期进度计划2。4.1施工顺序安排施工时根据甲方的总体规划部署,和施工作面情况,将一台套高压旋喷设备,分一个工作区进行施工,施工过程中,我方将积极做好与工地其他施工队的协作配合,保证网络计划进度的顺利完成。2.4。2施工工程进度计划根据以往的施工经验,结合该工程的地层特点和单管旋喷的施工参数特征,按每天24小时施工,每根桩长按15米估算,预计每台套每天可成桩10-13根,即每台套每天可完成150—200米。考虑到设备和甲方及现场不可预见因素,该工程约需15天完成。详见工程进度计划图(图2)天数进度施工准备2天5天5天5天2天3施工阶段设备撤场2.5工期保证措施2。5。1组织强有力的项目管理班子,强化项目管理,做到统一组织,统一协调,确保各项施工管理工作,按计划有序的进行。2.5.2认真做好施工前的准备工作,及时组织人员设备进场,合理布置施工现场,做好各工序之间的衔接,防止窝工、怠工现象发生,提高工作效率。2。5。3加强设备的维护和保养,保证...

1、当您付费下载文档后,您只拥有了使用权限,并不意味着购买了版权,文档只能用于自身使用,不得用于其他商业用途(如 [转卖]进行直接盈利或[编辑后售卖]进行间接盈利)。
2、本站所有内容均由合作方或网友上传,本站不对文档的完整性、权威性及其观点立场正确性做任何保证或承诺!文档内容仅供研究参考,付费前请自行鉴别。
3、如文档内容存在违规,或者侵犯商业秘密、侵犯著作权等,请点击“违规举报”。

碎片内容

高压旋喷止水帷幕桩施工方案

您可能关注的文档

确认删除?
VIP
微信客服
  • 扫码咨询
会员Q群
  • 会员专属群点击这里加入QQ群
客服邮箱
回到顶部