电脑桌面
添加小米粒文库到电脑桌面
安装后可以在桌面快捷访问

混凝土试块抗压强度汇总及评定表VIP免费

混凝土试块抗压强度汇总及评定表_第1页
1/10
混凝土试块抗压强度汇总及评定表_第2页
2/10
混凝土试块抗压强度汇总及评定表_第3页
3/10
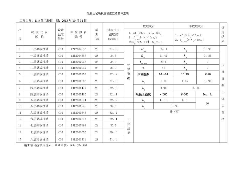
混凝土试块抗压强度汇总及评定表工程名称:#####11#住宅楼日期:2013年11月18日数理统计序号12345试块代表部位设计强度等级C20C20C20C20C20试验报告编号龄期(d)2828282828试块抗压强度值2(N/mm)24。733。740。527。929.6计算结果计算数据1、mfcu≥fcu,k+λ1×Sfcu2、fcu,min≥λ2×fcu,k当Sfcu<2。5时,Sfcu=2。5mfcuSfcufcu,minn试块组数λ1λ2混凝土强度λ3λ431。3/24。7510~141。150。90<C601。150。95≥C601.120非数理统计1、mfcu≥λ3×fcu,k2、fcu,min≥λ4×fcu,kλ1λ2λ3λ415~191.050。85fcu,k//1.150.95≥200.95该批混凝土评定合格评定结果基础垫层基础防水保护层附楼基础垫层地下室及夹层GZ、GL地下室室内垫层12120036491212003754131200182813120034931312004433 n=5<10∴采用非数理统计法 1式左边=31。3右边=1。15×20=2331.3〉23∴mfcu〉1。15fcu,k 2式左边=24。7右边=0.95×20=1924。7〉19∴fcu,min>0.95fcu,k∴1式、2式均成立施工项目技术负责人:##审核:##计算:##混凝土试块抗压强度汇总及评定表工程名称:11#住宅楼日期:2013年10月18日数理统计序号1234567891011121314试块代表部位设计强度等级C30C30C30C30C30C30C30C30C30C30C30C30C30C30试验报告编号龄期(d)282828282828282828282828282828试块抗压强度值2(N/mm)35。835。340。334。036。740。437。138。237。330.335.134。934。238.134。7计算结果计算数据1、mfcu≥fcu,k+λ1×Sfcu2、fcu,min≥λ2×fcu,k当Sfcu<2。5时,Sfcu=2。5mfcuSfcufcu,minn试块组数λ1λ2混凝土强度λ3λ436。22。5930。31510~141。150。90<C601。150。95≥C601.130非数理统计1、mfcu≥λ3×fcu,k2、fcu,min≥λ4×fcu,kλ1λ2λ3λ415~191。050。85fcu,k1。050。85//≥200。95该批混凝土评定评定结果筏板基础筏板基础筏板基础筏板基础筏板基础地下室夹层墙梁板柱地下室夹层墙梁板柱地下室夹层墙梁板柱地下室夹层墙梁板柱地下室墙梁板柱地下室墙梁板柱地下室墙梁板柱地下室墙梁板柱附楼-4。4地梁承台12120039441212003945121200394612120039471212003948121200414512120041461212004147121200414812120044451212004446121200444712120044481312001965131200366615附楼—0。73以下梁柱C30施工项目技术负责人:##审核:##计算:## n=15﹥10∴采用数理统计法合 1式左边=36。2右边=30+1.05×2.59=32。736.2〉32。格7∴mfcu﹥fcu,k+λ1×Sfcu 2式左边=30。3右边=0.85×30=25.530。3〉25。5∴fcu,min﹥λ2×fcu,k∴1式、2式均成立混凝土试块抗压强度汇总及评定表工程名称:11#住宅楼日期:2013年10月31日数理统计序号123456789101112131415试块代表部位设计强度等级C30C30C30C30C30C30C30C30C30C30C30C30C30C30C30试验报告编号龄期(d)282828282828282828282828282828试块抗压强度值2(N/mm)31。834.534.136.932。237。832。632。732。934.132。732。130.639。351。4计算结果计算数据1、mfcu≥fcu,k+λ1×Sfcu2、fcu,min≥λ2×fcu,k当Sfcu<2。5时,Sfcu=2.5mfcuSfcufcu,minn试块组数λ1λ2混凝土强度λ3λ435。44。4729.64110~141.150.90<C601。150。95≥C601。130非数理统计1、mfcu≥λ3×fcu,k2、fcu,min≥λ4×fcu,kλ1λ2λ3λ415~191.050。85fcu,k0。950。85//≥200。95该批混凝土评定合格评定结果一层梁板柱墙一层梁板柱墙二层梁板柱墙二层梁板柱墙三层梁板柱墙三层梁板柱墙四层梁板柱墙四层梁板柱墙五层梁板柱墙五层梁板柱墙六层梁板柱墙六层梁板柱墙七层梁板柱墙七层梁板柱墙八层梁板柱墙121200455612120045571312000068131200006913120002051312000206131200047913120004801312000544131200054513120005461312000547131200099913120010001312001311接下页施工项目技术负责人:##审核:##计算:##混凝土试块抗压强度汇总及评定表工程名称:11#住宅楼日期:2013年10月31日数理统计序号161718192021222324252627282930试块代表部位设计强度等级C30C30C30C30C30C30C30C30C30C30C30C30C30C30C30试验报告编号龄期(d)282828282828282828282828282828试块抗压强度值2(N/m...

1、当您付费下载文档后,您只拥有了使用权限,并不意味着购买了版权,文档只能用于自身使用,不得用于其他商业用途(如 [转卖]进行直接盈利或[编辑后售卖]进行间接盈利)。
2、本站所有内容均由合作方或网友上传,本站不对文档的完整性、权威性及其观点立场正确性做任何保证或承诺!文档内容仅供研究参考,付费前请自行鉴别。
3、如文档内容存在违规,或者侵犯商业秘密、侵犯著作权等,请点击“违规举报”。

碎片内容

混凝土试块抗压强度汇总及评定表

确认删除?
VIP
微信客服
  • 扫码咨询
会员Q群
  • 会员专属群点击这里加入QQ群
客服邮箱
回到顶部