电脑桌面
添加小米粒文库到电脑桌面
安装后可以在桌面快捷访问

江苏锅炉压力容器检验收费标准VIP免费

江苏锅炉压力容器检验收费标准_第1页
1/9
江苏锅炉压力容器检验收费标准_第2页
2/9
江苏锅炉压力容器检验收费标准_第3页
3/9
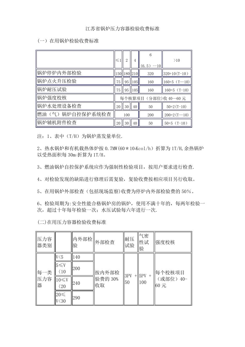
江苏省锅炉压力容器检验收费标准(一)在用锅炉检验收费标准6锅炉停炉内外部检验锅炉点火升压检验锅炉耐压试验锅炉强度校核锅炉水处理设备检查燃油(气)锅炉自控保护系统检查锅炉辅机附件检查≤124(6.5)--10320160160>10320+10(T-10)160+5(T—10)160+5(T-10)15018021075951057595105每个核算项目(分部位)收40—60元203040100203040502005050+2(T-10)200+2(T—10)50+5(T-10)注:1、表中(T/H)为锅炉蒸发量单位.2、热水锅炉和有机载热体炉按0.7MW(60*104Kcol/h)折算为1T/H,余热锅炉以受热面积每30m2折算为1T/H。3、燃油锅炉自控保护系统应作为强制性检验项目,按用户要求进行检查.4、对检验发现的缺陷进行修理后需复验,复验收费按相应项目另行收取。5、在用锅炉外部检查(包括现场监察)收费为停炉内外部检验费的50%。6、检验周期为:安全性能合格锅炉房的锅炉,使用不满十年的,每两年检验一次,超过十年每年检验一次;水压试验每六年进行一次.(二)在用压力容器检验收费标准压力容器类别V<5内外部检外部检查验140按内外部检验费的30%收取每个校核项目3PV+5PV+(或部位)40-5010060元气密耐压性试试验验强度校核5≤V200〈10每一类压力容10≤V240器〈2020≤290V<3030≤330V<4040≤450V<50V≥50450+2(V-50)注:1、V——容积(m3),P-—压力(Mpa)2、第二类压力容器内外部检验收费为同容积第一类容器的1.5倍.3、第三类压力容器内外部检验收费为同容积第一类容器的1。7倍,塔器、球罐以及超高压容器为同容积第一类容器收费的2倍。4、不停止运行下的外部检查包括现场监察时进行的检查。5、对检验出缺陷进行处理,需要再进行检验时,复验收费按相应项目另行收费。6、安全状况等级1-3级者,每3—6年检验一次,安全状况等级为4级者,每年检验一次;第三类压力容器投用一年后应进行一次检验。(二)锅炉压力容器产品监督检验收费标准类别第一类压力容器第二类压力容器第三类压力容器高压气瓶液化石油气钢瓶溶解乙炔气钢瓶焊接气瓶汽车槽车其它压力容器收费标准(元/台)按被检产品出厂价格的0.7-0.75%收费按被检产品出厂价格的0.8-0.85%收费按被检产品出厂价格的0。9—1%收费按被检产品出厂价格的0.8-1%收费按被检产品出厂价格的0。5-0。7%收费按被检产品出厂价格的0。8-1%收费按被检产品出厂价格的0。7—0。9%收费按槽车罐体(包括受压部件和安全附件)为基准每辆收出厂价的0.9%每只(台、套)收出厂价的0。9-1%D〈4T/H蒸汽锅炉D≥4T/HQ<240万大卡/时热水锅炉Q≥240万大卡/时按被检产品出厂价格的0.65-0.75%收费按被检产品出厂价格的0。60-0。70%收费按被检产品出厂价格的0。65—0。75%收费按被检产品出厂价格的0。60-0。70%收费注:1、余热锅炉中产生蒸汽锅炉收费,产生热水的按热水锅炉收费;有机载热体炉中气相炉按蒸汽锅炉收费。液相炉按热水锅炉收费。2、产品出厂价格应扣除随锅炉本体供应的送风机、引风机、烟囱等。3、对散装锅炉产品出厂价格还应扣除平台扶梯、炉排等。4、锅炉安装监督检验费:散装锅炉按锅炉造价的1-1.5%,组装锅炉按锅炉造价0.3-1%,整装锅炉按锅炉造价的0。5-0。8%收取.5、锅炉压力容器受元件修理、改造监督检验按修理、改造总费用的1—1。5%收取。6、大型压力容器现场组装安全质量监督检验费按压力容器造价的1—1。2%收取。7、对进口锅炉压力容器按规定需到制造国现场监督检验的,按监检设备总造价的1—1.5%收取.(四)在用液化气体汽车槽车检验收费标准抽内外清洗残部检置换液验m3m3m3气密水压性试试验验m3m3安全阀液面计、紧急性能试切断装置及其验它附件只40只60除喷锈漆m2M21012项目单位收费2020100(元)50100注:1、外部检验按内外部检验费的50%收取。2、卸车管路检验费每根30元。3、安全阀、液面计、紧急切断装置及其它附件的修理、另件更换等费用另计。4、无损探伤项目按相应项目价格计算.5、为无损探伤进行的打磨费另计.6、检验周期按“液化石油气汽车罐车安全监察规程”等规定执行。(五)在用液化气体铁路罐车检验收费标准序号123内外部表面宏观检验45678910外部资料表面项目审查宏观检验紧急安全工断一阀阀校校验验80/只100/只测定...

1、当您付费下载文档后,您只拥有了使用权限,并不意味着购买了版权,文档只能用于自身使用,不得用于其他商业用途(如 [转卖]进行直接盈利或[编辑后售卖]进行间接盈利)。
2、本站所有内容均由合作方或网友上传,本站不对文档的完整性、权威性及其观点立场正确性做任何保证或承诺!文档内容仅供研究参考,付费前请自行鉴别。
3、如文档内容存在违规,或者侵犯商业秘密、侵犯著作权等,请点击“违规举报”。

碎片内容

江苏锅炉压力容器检验收费标准

您可能关注的文档

确认删除?
VIP
微信客服
  • 扫码咨询
会员Q群
  • 会员专属群点击这里加入QQ群
客服邮箱
回到顶部