电脑桌面
添加小米粒文库到电脑桌面
安装后可以在桌面快捷访问

高三二轮复习 细胞的代谢1测试题VIP免费

高三二轮复习 细胞的代谢1测试题_第1页
1/7
高三二轮复习 细胞的代谢1测试题_第2页
2/7
高三二轮复习 细胞的代谢1测试题_第3页
3/7
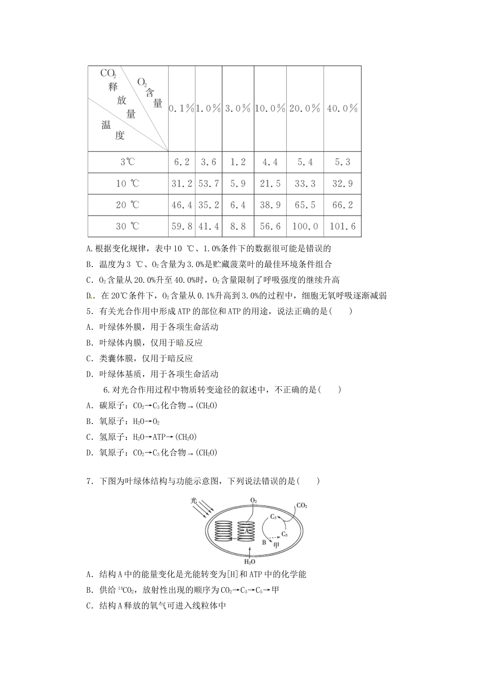
届二轮复习测试题--细胞的代谢1(时间:45分钟分值:100分)一、单项选择题(共10小题,每题5分,共50分)1.(2012·广州模拟)在某细胞培养液中加入32P标记的磷酸分子,短时间内分离出细胞的ATP,发现其含量变化不大,但部分ATP的末端P已带上放射性标记,该现象不能说明()A.ATP中远离A的P容易脱离B.部分32P标记的ATP是重新合成的C.ATP是细胞内的直接能源物质D.该过程中ATP既有合成又有分解2.过量摄入糖类会导致体内脂肪积累,其部分原理如右图所示。其中过程X、物质Y和物质Z分别是()A.糖酵解、丙酮酸、脂肪酸B.有氧呼吸、乳酸、脂肪酸C.糖酵解、乳酸、胆固醇D.有氧呼吸、丙酮酸、胆固醇3.人体在剧烈运动时,肌肉处于暂时相对缺氧状态,葡萄糖的消耗量剧增,但产生的ATP没有明显增加。这是因为()A.机体产热增加,能量以热能的形式散失B.葡萄糖分解不彻底,能量没有释放出来C.ATP合成酶量减少,无法大量合成ATPD.机体代谢加快,大量能量随汗水流失4.为了探究植物呼吸强度的变化规律,研究者在遮光状态下,测得了相同的新鲜菠菜叶在不同温度和O2含量条件下的CO2释放量,结果如下表(表中数据为相对值)。下列分析错误的是()A.根据变化规律,表中10℃、1.0%条件下的数据很可能是错误的B.温度为3℃、O2含量为3.0%是贮藏菠菜叶的最佳环境条件组合C.O2含量从20.0%升至40.0%时,O2含量限制了呼吸强度的继续升高D.在20℃条件下,O2含量从0.1%升高到3.0%的过程中,细胞无氧呼吸逐渐减弱5.有关光合作用中形成ATP的部位和ATP的用途,说法正确的是()A.叶绿体外膜,用于各项生命活动B.叶绿体内膜,仅用于暗反应C.类囊体膜,仅用于暗反应D.叶绿体基质,用于各项生命活动6.对光合作用过程中物质转变途径的叙述中,不正确的是()A.碳原子:CO2→C3→化合物(CH2O)B.氧原子:H2O→O2C.氢原子:H2O→ATP→(CH2O)D.氧原子:CO2→C3→化合物(CH2O)7.下图为叶绿体结构与功能示意图,下列说法错误的是()A.结构A中的能量变化是光能转变为[H]和ATP中的化学能B.供给14CO2,放射性出现的顺序为CO2→C3→C5→甲C.结构A释放的氧气可进入线粒体中D.结构A释放的氧气来自水8.将某植物的叶肉细胞放在含低浓度NaHCO3的培养液中,并用石蜡油覆盖液面。先照光一段时间,然后在相同光照强度下不同时间测定叶肉细胞的光合作用强度。下列示意图中能正确反映测定时间与光合作用强度关系的是()9.利用地窖贮藏种子、果蔬在我国历史悠久。地窖中的CO2浓度较高,有利于()A.降低呼吸强度B.降低水分吸收C.促进果实成熟D.促进光合作用10.破伤风梭状芽孢杆菌侵入了人体深部的组织细胞并大量繁殖,下列关于该菌的细胞呼吸类型和消灭该菌首先要通过的免疫途径的叙述,正确的是()A.无氧呼吸和体液免疫B.无氧呼吸和细胞免疫C.有氧呼吸和体液免疫D.有氧呼吸和细胞免疫二、双项选择题(共2个小题,每题5分,共10分)11.(多选)以测定的CO2吸收量与释放量为指标,研究温度对某绿色植物光合作用与呼吸作用的影响,结果如图所示。下列分析正确的是()A.光照相同时间,35℃时光合作用制造的有机物的量与30℃时相等B.光照相同时间,在20℃条件下植物积累的有机物的量最多C.温度高于25℃时,光合作用积累的有机物的量开始减少D.两曲线的交点表示光合作用制造的与呼吸作用消耗的有机物的量相等12.(2011·清远检测)下图为Ⅰ、Ⅱ两种植物光合速率与光强度和CO2浓度的关系示意图,下列有关叙述最正确的是()A.在曲线OA段,两种植物光合速率的限制因素是光照强度B.在E~F光强度范围内,影响两种植物光合速率的因素是光照强度C.影响植物Ⅱ出现C、D两点差异的主要因素是CO2浓度D.植物Ⅱ对CO2的利用率高于植物Ⅰ二、非选择题(共3个大题,共40分)13.(9分)图1表示光合作用部分过程的图解,图2表示改变光照后,与光合作用有关的C5和C3在细胞内的变化曲线。请据图回答:(1)图1中A表示的物质是__________,它由___________产生,主要用于__________。(2)图1中ATP形成所需的能量最终来自__________。若用放射性同位素标记14CO2,则14C最终进入的物质是__________。(3)图2中曲线a表示的化合物是__________,在无光照时...

1、当您付费下载文档后,您只拥有了使用权限,并不意味着购买了版权,文档只能用于自身使用,不得用于其他商业用途(如 [转卖]进行直接盈利或[编辑后售卖]进行间接盈利)。
2、本站所有内容均由合作方或网友上传,本站不对文档的完整性、权威性及其观点立场正确性做任何保证或承诺!文档内容仅供研究参考,付费前请自行鉴别。
3、如文档内容存在违规,或者侵犯商业秘密、侵犯著作权等,请点击“违规举报”。

碎片内容

高三二轮复习 细胞的代谢1测试题

文章天下+ 关注
实名认证
内容提供者

各种文档应有尽有

相关文档

确认删除?
VIP
微信客服
  • 扫码咨询
会员Q群
  • 会员专属群点击这里加入QQ群
客服邮箱
回到顶部