电脑桌面
添加小米粒文库到电脑桌面
安装后可以在桌面快捷访问

TQM精神、理念、策略暨管理模式类PPT-p33VIP专享VIP免费

TQM精神、理念、策略暨管理模式类PPT-p33_第1页
1/51
TQM精神、理念、策略暨管理模式类PPT-p33_第2页
2/51
TQM精神、理念、策略暨管理模式类PPT-p33_第3页
3/51
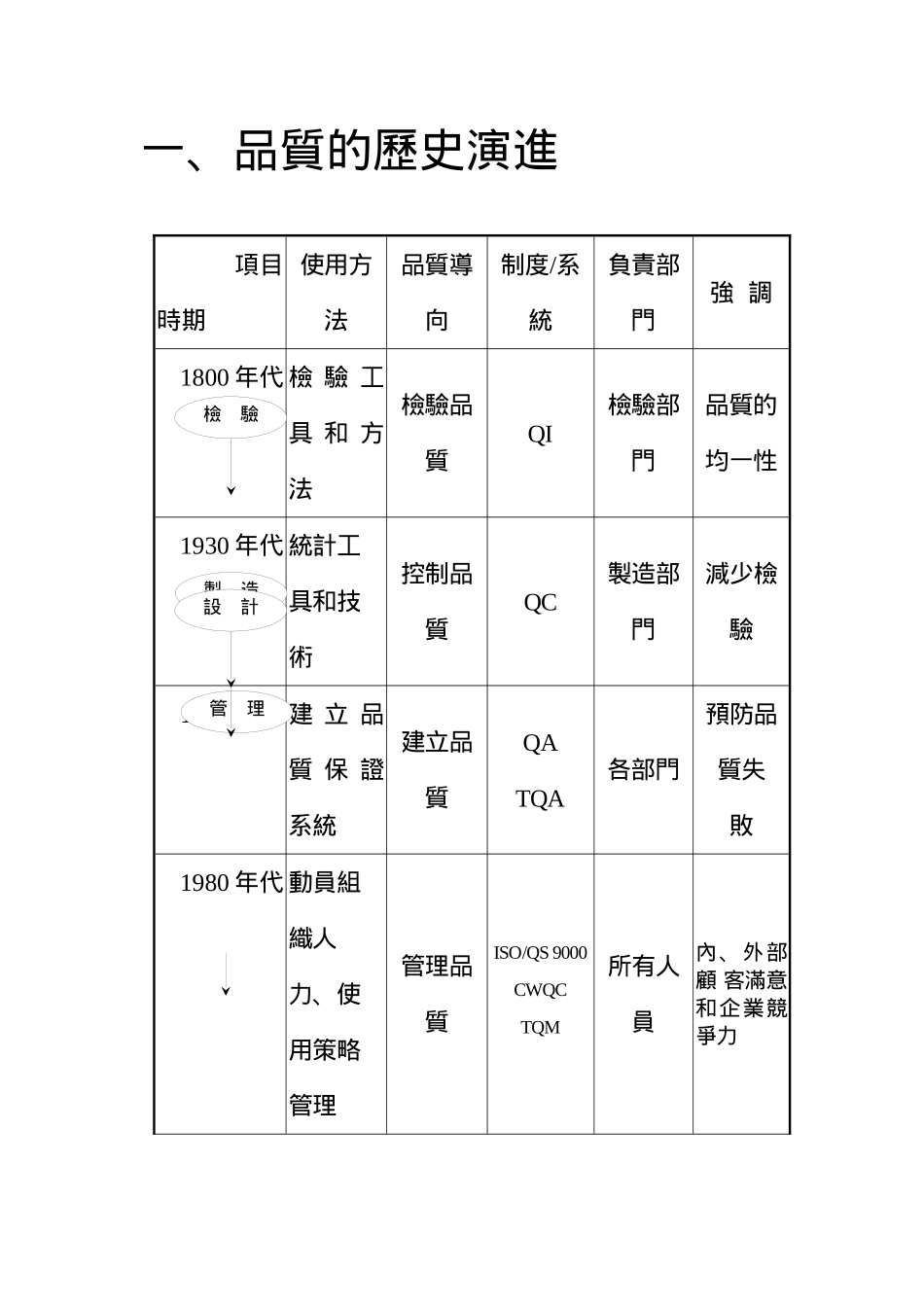
目錄一、品質的歷史演進_______________________________________1二、品質管理的未來_______________________________________2三、品質大師理念_________________________________________4四、全面品質經營(TQM)_________________________________5五、以ISO(QS)9000為基邁向TQM________________________6六、全面品質經營(TQM)的理念___________________________7七、全面品質經營(TQM)的中心思想_______________________8八、全面品質經營(TQM)的文化___________________________9九、全面品質經營(TQM)的團隊___________________________10十、全面品質經營(TQM)的管理策略_______________________11十一、全面品質經營(TQM)的管理模式_____________________18十二、全面品質經營(TQM)的運作方法_____________________23十三、全面品質經營(TQM)的架構_________________________28十四、為何要推動TQM____________________________________29十五、推動全面品質經營TQM的時機________________________31十六、全面品質經營(TQM)推動組織_______________________32十七、全面品質經營(TQM)成功要素_______________________33一、品質的歷史演進項目時期使用方法品質導向制度/系統負責部門強調1800年代檢驗工具和方法檢驗品質QI檢驗部門品質的均一性1930年代統計工具和技術控制品質QC製造部門減少檢驗1950年代建立品質保證系統建立品質QATQA各部門預防品質失敗1980年代動員組織人力、使用策略管理管理品質ISO/QS9000CWQCTQM所有人員內、外部顧客滿意和企業競爭力製造檢驗設計管理21世紀TQM供應商企業(本身)客戶二、品質管理的未來(一)以品質為中心的經營管理1.檢討組織任務。2.「品質」長期經營。3.鑑定品質經營特性。4.關鍵領域的持續改善。(二)建立品質鏈※追求供應商、企業及客戶的滿意。(三)過程管理過程產出投入關鍵過程(B.C.P)持續改善產品、服務資訊、情報::人、材料技術、機器::三、品管大師理念(一)戴明(EdwardsDeming)(二)朱蘭(JosephJuran)(三)費根堡(ArmandV.Feigenbaum)(四)石川馨(Ishikawa)(五)克勞斯比(PhilipB.Crosby)四、全面品質經營(TQM)TQM是一種理性的思考方式與一組指導原則,作為持續改進組織的基礎,它利用數量方法與人力資源,以改進所獲得的產品與服務的品質及組織內的所有作業過程,以符合顧客現在與未來的需要。它是以規劃的方法,整合基本的管理技術、現有的改進努力以及技術與工具,集中全力於品質改進的工作上。對象時間外部顧客內部顧客現在12未來34現狀合理化標準化標準化合理化標準化合理化TQM時間獲得驗證ISO/QS9000追求全面顧客滿意強化企業體質品質系統全面顧客滿意強化企業體質五、以ISO(QS)9000為基礎邁向TQMTQM=ISO9000+QS9000AS9000...訓練(Trainings)團隊(Teams)顧客(Customer)系統(Systems)工具(Tools)領導(Leadership)過程(Process)過程(Process)過程(Process)過程(Process)承諾(Commitment)(Communication)溝通文化(Culture)六、全面品質經營(TQM)的理念持續改善(Continuousimprovement)七、全面品質經營(TQM)的中心思想(一)以顧客(內、外部)為中心。(二)追求組織的經營績效。(三)進行永無止盡的過程改善。八、全面品質經營(TQM)的文化項目一般公司文化TQM文化1.企業任務追求利潤從顧客滿意中追求利潤2.顧客需求(1)請顧客訂出規格(2)避免顧客抱怨(1)發掘顧客需求(2)滿足內、外部顧客需求3.目標追求短期經營績效追求長期經營績效4.改善方式著重個人想法強調功能性團隊5.改善時程有時間性永無止盡改善6.改善對象產品/服務產品/服務/過程7.改善種類多而雜目標集中8.問題改善救火隊系統化.........九、全面品質經營(TQM)團隊◎願景◎品質意識◎優先順序◎改善團隊◎目標/標的◎目標確認◎團隊運作◎過程改善◎問題解決高階主管中階主管基層人員品質經營團隊品質改善團隊十、全面品質經營(TQM)的管理策略(一)品質政策TQM的原則應包括人員、作業流程、產品、服務及報告、文書資料。作業流程的管理、改進及衡量為基本的管理方法。對於每一組織階層,均應作適切的訓練,訓練工作要從最高階層做起。...

1、当您付费下载文档后,您只拥有了使用权限,并不意味着购买了版权,文档只能用于自身使用,不得用于其他商业用途(如 [转卖]进行直接盈利或[编辑后售卖]进行间接盈利)。
2、本站所有内容均由合作方或网友上传,本站不对文档的完整性、权威性及其观点立场正确性做任何保证或承诺!文档内容仅供研究参考,付费前请自行鉴别。
3、如文档内容存在违规,或者侵犯商业秘密、侵犯著作权等,请点击“违规举报”。

碎片内容

TQM精神、理念、策略暨管理模式类PPT-p33

确认删除?
VIP
微信客服
  • 扫码咨询
会员Q群
  • 会员专属群点击这里加入QQ群
客服邮箱
回到顶部