电脑桌面
添加小米粒文库到电脑桌面
安装后可以在桌面快捷访问

论机械产品生产计划的优化设计VIP免费

论机械产品生产计划的优化设计_第1页
1/12
论机械产品生产计划的优化设计_第2页
2/12
论机械产品生产计划的优化设计_第3页
3/12
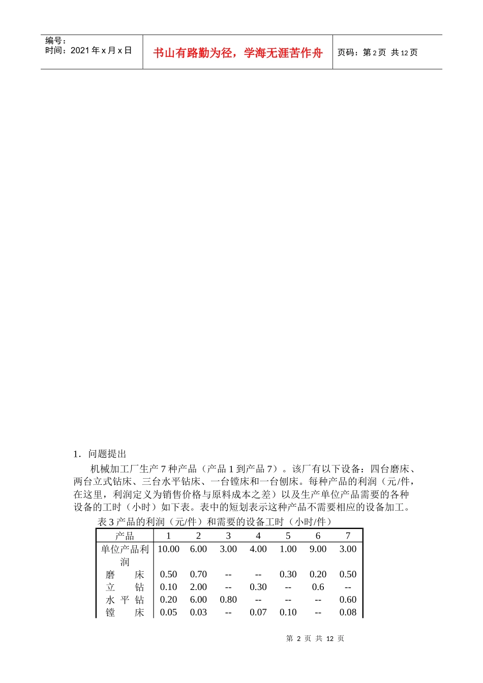
第1页共12页编号:时间:2021年x月x日书山有路勤为径,学海无涯苦作舟页码:第1页共12页机械产品生产计划的优化设计当今世界,瞬息万变。人们的生活节奏也越来越快,各种新产品层出不穷,已经进入了机械化时代。机械产品生产计划问题已经成为各大厂家关注的焦点。产品生产的原料配置以及销售计划急需优化。本文对一机械产品生产计划的利润进行了求解,并优化了产品生产方案,增大了产品的利润。在合理的假设前提下,对机械产品生产计划进行分析,利用生产量、库存量、销售量之间的关系建立线性整数规划模型。运用lingo进行求解,得出最优的生产、库存、销售方案。在原计划不变的条件下,即不改变机器设备定月检修的方案,对数据进行灵敏度分析,得出部分产品的销售价格可以上调;再固定各产品的销售价格,从设备的角度分析增加利润的,建立模型并求解,得出优化的机器设备检修方案。把部分产品上调后的价格作为产品的价格销售方案,把调整后的设备检修表作为优化后的检修方案,建立优化线性整数规划模型。用lingo求得优化后的最大利润。对机械产品生产逐步进行分析,从销售的价格、设备的检修等多角度寻求增加最大利润的方法。最终得出最优的生产计划方案。关键字:机械产品生产生产量、库存量、销售量lingo求解线性整数规划模型设备检修第2页共12页第1页共12页编号:时间:2021年x月x日书山有路勤为径,学海无涯苦作舟页码:第2页共12页1.问题提出机械加工厂生产7种产品(产品1到产品7)。该厂有以下设备:四台磨床、两台立式钻床、三台水平钻床、一台镗床和一台刨床。每种产品的利润(元/件,在这里,利润定义为销售价格与原料成本之差)以及生产单位产品需要的各种设备的工时(小时)如下表。表中的短划表示这种产品不需要相应的设备加工。表3产品的利润(元/件)和需要的设备工时(小时/件)产品1234567单位产品利润10.006.003.004.001.009.003.00磨床0.500.70----0.300.200.50立钻0.102.00--0.30--0.6--水平钻0.206.000.80------0.60镗床0.050.03--0.070.10--0.08第3页共12页第2页共12页编号:时间:2021年x月x日书山有路勤为径,学海无涯苦作舟页码:第3页共12页刨床----0.01--0.05--0.05从一月份至六月份,每个月中需要检修的设备是(在检修的月份,被检修的设备全月不能用于生产):表4设备检修计划月份计划检修设备及台数月份计划检修设备及台数一月一台磨床四月一台立式钻床二月二台立式钻床五月一台磨床和一台立式钻床三月一台镗床六月一台刨床和一台水平钻床每个月各种产品的市场销售量的上限是:表5产品的市场销售量上限(件/月)产品1234567一月5001000300300800200100二月6005002000400300150三月30060000500400100四月2003004005002000100五月010050010010003000六月500500100300110050060每种产品的最大库存量为100件,库存费用为每件每月0.5元,在一月初,所有产品都没有库存;而要求在六月底,每种产品都有50件库存。工厂每天开两班,每班8小时,为简单起见,假定每月都工作24天。生产过程中,各种工序没有先后次序的要求。问题1:制定六个月的生产、库存、销售计划,使六个月的总利润最大。问题2:在不改变以上计划的前提下,哪几个月中哪些产品的售价可以提高以达到增加利润的目的。价格提高的幅度是多大?问题3:哪些设备的能力应该增加?请列出购置新设备的优先顺序。问题4:是否可以通过调整现有设备的检修计划来提高利润?提出一个新的设备检修计划,使原来计划检修的设备在这半年中都得到检修而使利润尽可能增加。最优设备检修计划问题对案例3中的生产计划问题。构造一个最优设备检修计划模型,使在这半年中各设备的检修台数满足案例3中的要求而使利润为最大。2.模型假设与说明(1).假设工厂工人每月工作24天;(2).在进行部分产品价格上调时,机器设备的检修方案不变;(3)在优化检修设备方案时,产品的价格是上涨后的价格。第4页共12页第3页共12页编号:时间:2021年x月x日书山有路勤为径,学海无涯苦作舟页码:第4页共12页3.符号说明i:表示产品;j:表示月份;m:表示机器设备;Aij:表示第i中产品在第j个月的产量;Bij:表示第i中产品在第j个月的库存量...

1、当您付费下载文档后,您只拥有了使用权限,并不意味着购买了版权,文档只能用于自身使用,不得用于其他商业用途(如 [转卖]进行直接盈利或[编辑后售卖]进行间接盈利)。
2、本站所有内容均由合作方或网友上传,本站不对文档的完整性、权威性及其观点立场正确性做任何保证或承诺!文档内容仅供研究参考,付费前请自行鉴别。
3、如文档内容存在违规,或者侵犯商业秘密、侵犯著作权等,请点击“违规举报”。

碎片内容

论机械产品生产计划的优化设计

中小学教育精品资料+ 关注
实名认证
内容提供者

中小学教育资料,优质文档创作者

确认删除?
VIP
微信客服
  • 扫码咨询
会员Q群
  • 会员专属群点击这里加入QQ群
客服邮箱
回到顶部