电脑桌面
添加小米粒文库到电脑桌面
安装后可以在桌面快捷访问

危险化学品生产企业安全生产许可证申请表word版VIP免费

危险化学品生产企业安全生产许可证申请表word版_第1页
1/18
危险化学品生产企业安全生产许可证申请表word版_第2页
2/18
危险化学品生产企业安全生产许可证申请表word版_第3页
3/18
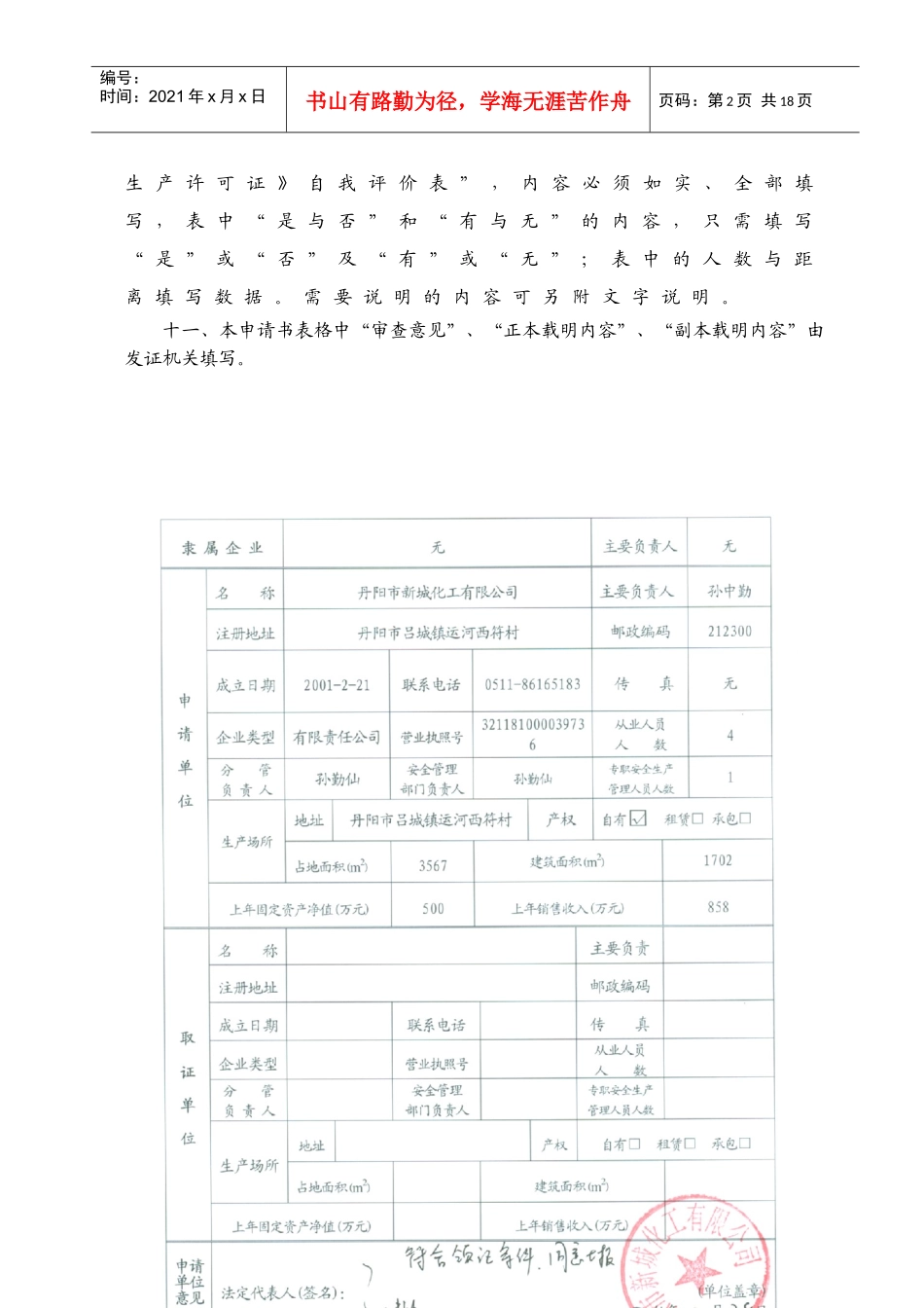
第1页共18页编号:时间:2021年x月x日书山有路勤为径,学海无涯苦作舟页码:第1页共18页申请书填写说明一、本申请书用钢笔、签字笔填写或用打印机打印,要求字迹清晰、工整。二、本申请书封面“申请编号”、“申请日期”、“受理编号”、“受理日期”由受理人填写,其余各项由申请企业填写。其中:“经办人”是指申请企业指定的办理申请事宜的人员;“联系电话”是指经办人的电话。三、本申请书中“隶属企业”、“申请单位”、“取证单位”按下列情况分别填写:1、具有法人资格的危险化学品生产企业申请安全生产许可证,填写“申请单位”和“申请单位意见”栏;有隶属企业的,还需填写“隶属企业”栏。2、不具有法人资格的危险化学品生产企业申请安全生产许可证,填写“申请单位”、“取证单位”和“申请单位意见”、“取证单位意见”栏;申请单位有隶属企业的,还需填写“隶属企业”栏。3、中央直接管理的集团公司、总公司、上市公司所属分公司、子公司申请安全生产许可证,填写“申请单位”、“申请单位意见”及“隶属企业”栏;分公司、子公司下属的独立核算生产成本的生产单位申请安全生产许可证,填写全部栏目。四、本申请书表格中“成立日期”栏,填写批准成立的日期;“隶属企业”、“申请单位”、“取证单位”的“名称”栏,填写工商登记名称;“企业类型”栏,按照《关于划分企业登记注册类型的规定》(国统字[1998]200号)划分的企业登记注册类型填写。五、本申请书中所涉及的最终产品、中间产品和原料是指列入《危险化学品名录》的危险化学品,化学品名称填写应符合《化学命名原则》(1980)的中文化学名;“危险货物编号”应按《危险化学品名录》填写。六、本申请书中“生产能力”填写该产品年设计生产量;“投产日期”填写该产品生产系统正式投产的日期;“验收文号”填写该产品投产前安监部门出具的安全设施验收文件编号。七、本申请书中“危险化学品的生产工艺系统简况”栏,“工艺系统简况”是指产品所使用的生产工艺及主要生产设备,可用工艺流程框图表示,且需注明各工艺过程中的主要危险因素和主要生产设备。本栏为一产品一表,多产品的须另增加表格。八、本申请书中“危险化学品的生产原料登记表”栏的“生产原料”,应填写主要原料。九、本申请书中“危险化学品贮罐、仓库区基本情况表”栏,“在厂区的位置”填写贮罐区、仓库在厂区的具体方位;“所处功能区”在“工业区、农业区、商业区、行政办公区、交通枢纽区、科技文化区、水源保护区、文物保护区”中选择填写。十、本申请书中“申请《危险化学品生产企业安全第2页共18页第1页共18页编号:时间:2021年x月x日书山有路勤为径,学海无涯苦作舟页码:第2页共18页生产许可证》自我评价表”,内容必须如实、全部填写,表中“是与否”和“有与无”的内容,只需填写“是”或“否”及“有”或“无”;表中的人数与距离填写数据。需要说明的内容可另附文字说明。十一、本申请书表格中“审查意见”、“正本载明内容”、“副本载明内容”由发证机关填写。第3页共18页第2页共18页编号:时间:2021年x月x日书山有路勤为径,学海无涯苦作舟页码:第3页共18页危险化学品的生产产品申报表序号品名危险货物编号生产能力(吨/年)投产日期验收文号备注1丙烯酸烘漆33646502001-2-21无2丙烯酸氨基清烘漆336461502001-2-21无以下空白第4页共18页第3页共18页编号:时间:2021年x月x日书山有路勤为径,学海无涯苦作舟页码:第4页共18页危险化学品的生产工艺系统简况产品名称最终产丙烯酸烘漆中间产无设计单位丹阳市化工医药设计研究所技术来源/危险化学品的中间产品申报表序号品名危险货物编号由该中间产品生产的最终产品(品名)备注无第5页共18页第4页共18页编号:时间:2021年x月x日书山有路勤为径,学海无涯苦作舟页码:第5页共18页工艺系统简况(工艺流程简图和主要设备情况):工艺名称主要设备主要危险因素预混分散FL150型高速分散机FL12型高速分散机火灾、爆炸、中毒砂磨SK40型砂磨机ZM型卧式砂磨机火灾、爆炸、中毒危险化学品的生产工艺系统简况最终产丙烯酸氨基清烘漆羟基丙烯酸树脂溶剂研磨助剂溶剂高速分散检测过滤成品包...

1、当您付费下载文档后,您只拥有了使用权限,并不意味着购买了版权,文档只能用于自身使用,不得用于其他商业用途(如 [转卖]进行直接盈利或[编辑后售卖]进行间接盈利)。
2、本站所有内容均由合作方或网友上传,本站不对文档的完整性、权威性及其观点立场正确性做任何保证或承诺!文档内容仅供研究参考,付费前请自行鉴别。
3、如文档内容存在违规,或者侵犯商业秘密、侵犯著作权等,请点击“违规举报”。

碎片内容

危险化学品生产企业安全生产许可证申请表word版

确认删除?
VIP
微信客服
  • 扫码咨询
会员Q群
  • 会员专属群点击这里加入QQ群
客服邮箱
回到顶部