电脑桌面
添加小米粒文库到电脑桌面
安装后可以在桌面快捷访问

桩基高压注浆补强加固 施工方案VIP免费

桩基高压注浆补强加固 施工方案_第1页
1/7
桩基高压注浆补强加固 施工方案_第2页
2/7
桩基高压注浆补强加固 施工方案_第3页
3/7
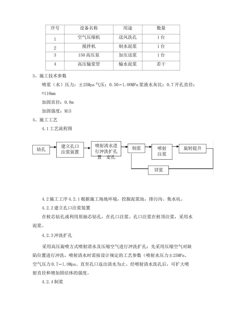
二期14~20栋桩基高压注浆补强加固施工方案编制单位:编制人:审核人:编制时间:2014年01月20日一、工程概况经抽芯检查发现部分工程桩存在桩端持力层软弱或沉渣不达标等缺陷,不能满足设计要求,须对该部分工程桩缺陷位置进行补强加固处理。工程桩概况如下:1、47#0-0.10m:空桩;0.10-11.48m:桩芯砼,无明显缺陷;11.48-11.68m:桩底分布20cm厚的沉渣;11.68-13.08m:中风化砂砾岩。缺陷位置:需进行处理。二、编制依据《混凝土结构工程施工质量验收规范》JGJ94-2008;《建筑地基基础工程施工质量验收规范》GB50204-2002;《建筑桩基技术规范》(JGJ94-2008);《钢筋焊接及验收规范》JGJ18-2003;《建筑机械使用安全技术规程》JGJ33-2001;《建设工程施工现场供用电安全规范》GB50194-1993;《建筑工程施工质量验收统一标准》GB50300-2001。三、施工方案根据现场芯样分析和质监要求,要对该桩端持力层和桩底沉渣不达标部位实施有效的加固补强措施,目前较有效的方法就是采用复合注浆法。其加固原理为先对桩抽芯孔采用高压水流冲洗,然后采用高压循环灌浆系统进行多次反复压浆工艺,以使桩端软弱层及沉渣部位有效填充,提高桩端持力层的承载力,达到桩端持力层补强的目的。1、施工场地布置及准备施工场地主要设施有:水泥站、制浆站、泥浆池、临时生活设施等。2、施工设备施工设备一览表序号设备名称用途数量1空气压缩机送风洗孔1台2搅拌机制水泥浆1台3150高压泵加压送浆1台4高压输浆管输水泥浆若干3、施工技术参数喷浆(水)压力:±25Mpa气压:0.50〜l.OOMPa浆液水灰比:0.7开孔直径:©110mm加固直径:0.8m加固强度:M154、施工工艺4.1工艺流程图4.2施工工序4.2.1根据施工场地环境,挖掘泥浆池,排污沟、集水坑。4.2.2建立孔口注浆装置在桩芯钻孔或利用原抽芯钻孔,在孔口注浆。孔口注浆在桩顶注浆,采用水泥浆。4.2.3冲洗扩孔采用高压旋喷方式喷射清水及压缩空气进行冲洗扩孔:先采用压缩空气对缺陷位置进行冲洗,喷射清水时需按设计规定的工艺参数(喷射水压力±25MPa、空气压力0.7〜l.OMpa、直至孔口返出清水为止。经喷射清水洗孔后,可扩大喷射直径和增加固结体的强度。4.2.4制浆1)注浆材料采用42.5R普硅水泥,购置的材料须有出厂合格证明、化验单,每批水泥使用前,均须按质检要求取样检验。2)水泥浆的水灰比为0.7,水泥浆液宜在搅拌60min内,使用完毕。3)水泥浆搅拌用水必须符合《混凝土拌合用水标准》JTJ63-89的规定。4)输送浆液的管路不宜过长,以减少沿程损失,造成实际喷射压力降低的后果。液找成水进4.2.5喷浆是否畅通,所有准备1)喷浆前须检查输浆系流工作是否就绪。2)喷浆嘴必须贯至孔底,达到设计位置。3)喷射注浆结束后,及时清洗管路以免堵管。通常是把浆行连续冲洗,直到管路中出现清水为止。4.2.6采用注浆方式进行高压注浆逐渐增加浆液浓度及加大注浆压力,直至设计注浆量和注浆压力为止。4.2.7封孔静压注浆结束后,需补灌浆液到注浆孔内浆液饱满为止。4.2.8施工中异常情况处理1)流量不变而压力突然下降时,应检查各部的渗漏情况,必要时拔出注浆管,检查密封性能。2)出现不冒浆或断续冒浆时,则应不提注浆管继续注浆直至冒浆为止。3)出现大量冒浆压力下降时,应拔出注浆管检查是否被击穿。5、泥浆处理1)回浆比重不得小于1.3。2)所有回浆、泥浆及废水等必须经排污沟流入泥浆池,不得随意排放。3)排污沟需经常清理,保持畅通,泥浆池须及时清理,不得出现污泥(水)溢流现象。4)回浆中水泥含量较高时,应考虑回浆利用四、施工技术措施及质量管理高压注浆补强加固桩基属隐蔽工程,施工时不能直接观察到它的质量,必须严格管理好各工序操作、工艺参数等的执行,为此我公司采取如下措施:1、建议技术管理责任制,施工员及质检员等进行跟班监督指挥,并随时反馈信息。施工中,接受甲方的监督,发现问题,及时向甲方汇报,并及时采取措施解决。整个施工中,实施如下图所示质量监理系统。2、质量控制1)洗孔:针对抽芯揭露的缺陷位置,反复冲洗,直至孔口返清水为止2)注浆管插入深度:桩底缺陷桩,插至桩底,反复喷浆。3)随机抽查水泥浆密度,判定是否...

1、当您付费下载文档后,您只拥有了使用权限,并不意味着购买了版权,文档只能用于自身使用,不得用于其他商业用途(如 [转卖]进行直接盈利或[编辑后售卖]进行间接盈利)。
2、本站所有内容均由合作方或网友上传,本站不对文档的完整性、权威性及其观点立场正确性做任何保证或承诺!文档内容仅供研究参考,付费前请自行鉴别。
3、如文档内容存在违规,或者侵犯商业秘密、侵犯著作权等,请点击“违规举报”。

碎片内容

桩基高压注浆补强加固 施工方案

您可能关注的文档

确认删除?
VIP
微信客服
  • 扫码咨询
会员Q群
  • 会员专属群点击这里加入QQ群
客服邮箱
回到顶部