电脑桌面
添加小米粒文库到电脑桌面
安装后可以在桌面快捷访问

钢结构二氧化碳气体保护焊施工工艺规程NEW01VIP专享VIP免费

钢结构二氧化碳气体保护焊施工工艺规程NEW01_第1页
1/21
钢结构二氧化碳气体保护焊施工工艺规程NEW01_第2页
2/21
钢结构二氧化碳气体保护焊施工工艺规程NEW01_第3页
3/21
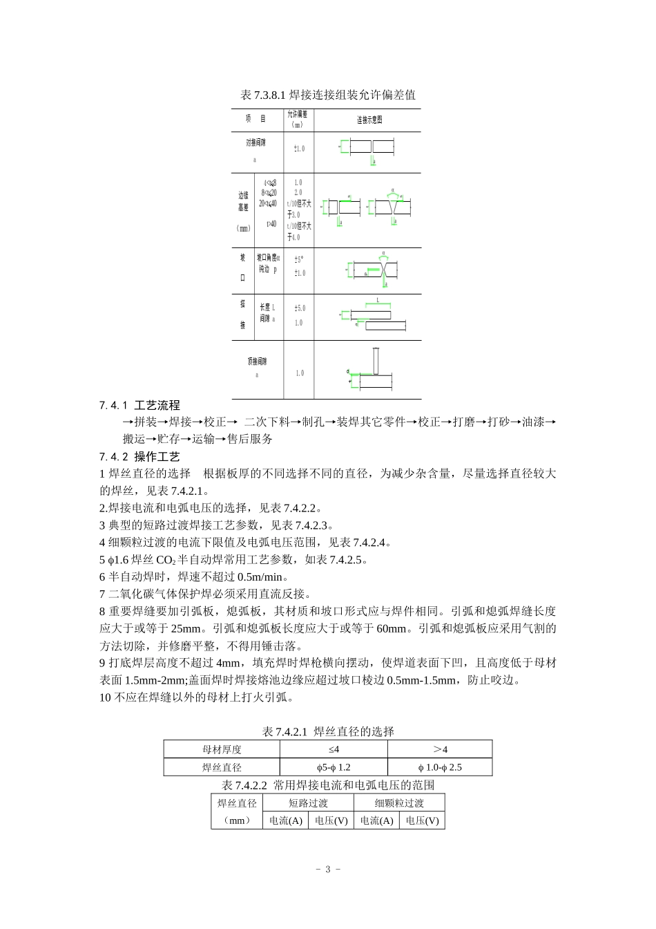
第七章二氧化碳气体保护焊施焊接工艺适用范围:本工艺适用于中建总公司承接加工的钢结构工程。工艺规定了一般低碳钢、普通低合金钢的二氧化碳气体保护焊的基本要求。凡各工程的工艺中无特殊要求的结构件的二氧化碳气体保护焊均应按本工艺规定执行。第一节材料要求1钢材及焊接应按施工图的要求选用,其性能和质量必须符合国家标准和行业标准的规定,并应具有质量证明书或检验报告。如果用其它钢材和焊材代换时,须经设计单位同意,并按相应工艺文件施焊。2焊丝焊丝成份应与母材成份相近,主要考虑碳当量含量,它应具有良好的焊接工艺性能。焊丝含C量一般要求<0.11%。其表面一般有镀铜等防锈措施。目前我国常用的CO2气体保护焊焊丝是H08Mn2SiA,其化学成分见GB1300-77(表8-1)。它适用于焊接低碳钢和抗拉强度为500MPa级的低合金结构钢。H08Mn2SiA焊丝熔敷金属的机械性能详见GB8110-87《二氧化碳气体保护焊用焊丝》。3CO2气体纯度不低于99.5%,含水量和含氧量不超过0.1%,气路系统中应设置干燥器和预热装置。当压力低于10个大气压时,不得继续使用。4焊件坡口形式的选择要考虑在施焊和坡口加工可能的条件下,尽量减小焊接变形,节省焊材,提高劳动生产率,降低成本。一般主要根据板厚选择(见《气焊、手工电弧焊及气体保护焊焊缝坡口的基本形式与尺寸》GB985-88)。5不同板厚的钢板对接接头的两板厚度差(1)不超过表1.4.2规定时,则焊缝坡口的基本形式与尺寸按较厚板的尺寸数据来选择;否则应在厚板上作出如表中图示的单面a)或双面削薄b),其削薄长度L≥3(1)。表1.4.2较薄板厚度(mm)≥2~5>5~9>9~12>12允许厚度差(1)(mm)1234第二节主要机具表7.2.1焊接用机械设备表CO2备名称设备型号数量单位备注电动空压机根据工程实际情况确定台碳弧气刨-1-根据工程实际情况确定柴油发电机台应急使用CO2焊机台结构焊接焊接滚轮架台结构焊接翼缘矫正机台型钢校正表7.2.2工厂加工检验设备、仪器、工具表备名称设备型号数量单位设备能力超声波探伤仪根据工程实际情况确定根据工程实际情况确定台检查焊缝内部缺陷数字温度仪台测量层间温度数字钳形电流表个测量焊接电流温湿度仪个测量空气湿度焊缝检验尺把检验焊缝外观尺寸磁粉探伤仪台检查焊缝外观尺寸游标卡尺把检查焊缝外观尺寸钢卷尺把测量第三节作业条件7.3.1焊接区应保持干燥、不得有油、锈和其它污物。7.3.2当焊接区风速过大而影响焊接质量时,应采用挡风装置。对焊接现场进行有效防护后方可开始焊接。7.3.3施焊前打开气瓶高压阀,将预热器打开,预热10—15分钟,预热后打开低压阀,调到所需气体流量后焊接。7.3.4直径不大于1.2mm时,二氧化碳气体流量一般为6—15L/min为宜。当选用大电流焊时,焊速提高,室外焊及仰焊时,应采用较大气体流量。7.3.5为保证焊接过程的稳定性,细丝导电嘴孔径一般不大于焊丝直径的0.1—0.25mm,粗丝焊导电嘴孔径一般应不大于焊丝直径的0.20—0.40mm。送丝软管内的曲率半径不得小于150mm。7.3.6焊丝干伸出长度以10倍焊丝直径为宜。7.3.7焊前应对焊丝仔细清理,去除铁锈和油污等杂质。7.3.8施焊前,焊工应复核焊接件的接头质量和焊接区域的坡口、间隙、钝边等的处理情况。当发现有不符合要求时,应修整合格后方可施焊。焊接连接组装允许偏差值见表7.3.8.1的规定。-2-表7.3.8.1焊接连接组装允许偏差值第四节施工工艺7.4.1工艺流程拼装焊接校正二次下料制孔装焊其它零件校正打磨打砂油漆搬运贮存运输售后服务7.4.2操作工艺1焊丝直径的选择根据板厚的不同选择不同的直径,为减少杂含量,尽量选择直径较大的焊丝,见表7.4.2.1。2.焊接电流和电弧电压的选择,见表7.4.2.2。3典型的短路过渡焊接工艺参数,见表7.4.2.3。4细颗粒过渡的电流下限值及电弧电压范围,见表7.4.2.4。51.6焊丝CO2半自动焊常用工艺参数,如表7.4.2.5。6半自动焊时,焊速不超过0.5m/min。7二氧化碳气体保护焊必须采用直流反接。8重要焊缝要加引弧板,熄弧板,其材质和坡口形式应与焊件相同。引弧和熄弧焊缝长度应大于或等于25mm。引弧和熄弧板长度应大于或等于60mm。引弧和熄弧板应采用气割...

1、当您付费下载文档后,您只拥有了使用权限,并不意味着购买了版权,文档只能用于自身使用,不得用于其他商业用途(如 [转卖]进行直接盈利或[编辑后售卖]进行间接盈利)。
2、本站所有内容均由合作方或网友上传,本站不对文档的完整性、权威性及其观点立场正确性做任何保证或承诺!文档内容仅供研究参考,付费前请自行鉴别。
3、如文档内容存在违规,或者侵犯商业秘密、侵犯著作权等,请点击“违规举报”。

碎片内容

钢结构二氧化碳气体保护焊施工工艺规程NEW01

确认删除?
VIP
微信客服
  • 扫码咨询
会员Q群
  • 会员专属群点击这里加入QQ群
客服邮箱
回到顶部