电脑桌面
添加小米粒文库到电脑桌面
安装后可以在桌面快捷访问

液晶模组相关检验标准VIP免费

液晶模组相关检验标准_第1页
1/9
液晶模组相关检验标准_第2页
2/9
液晶模组相关检验标准_第3页
3/9
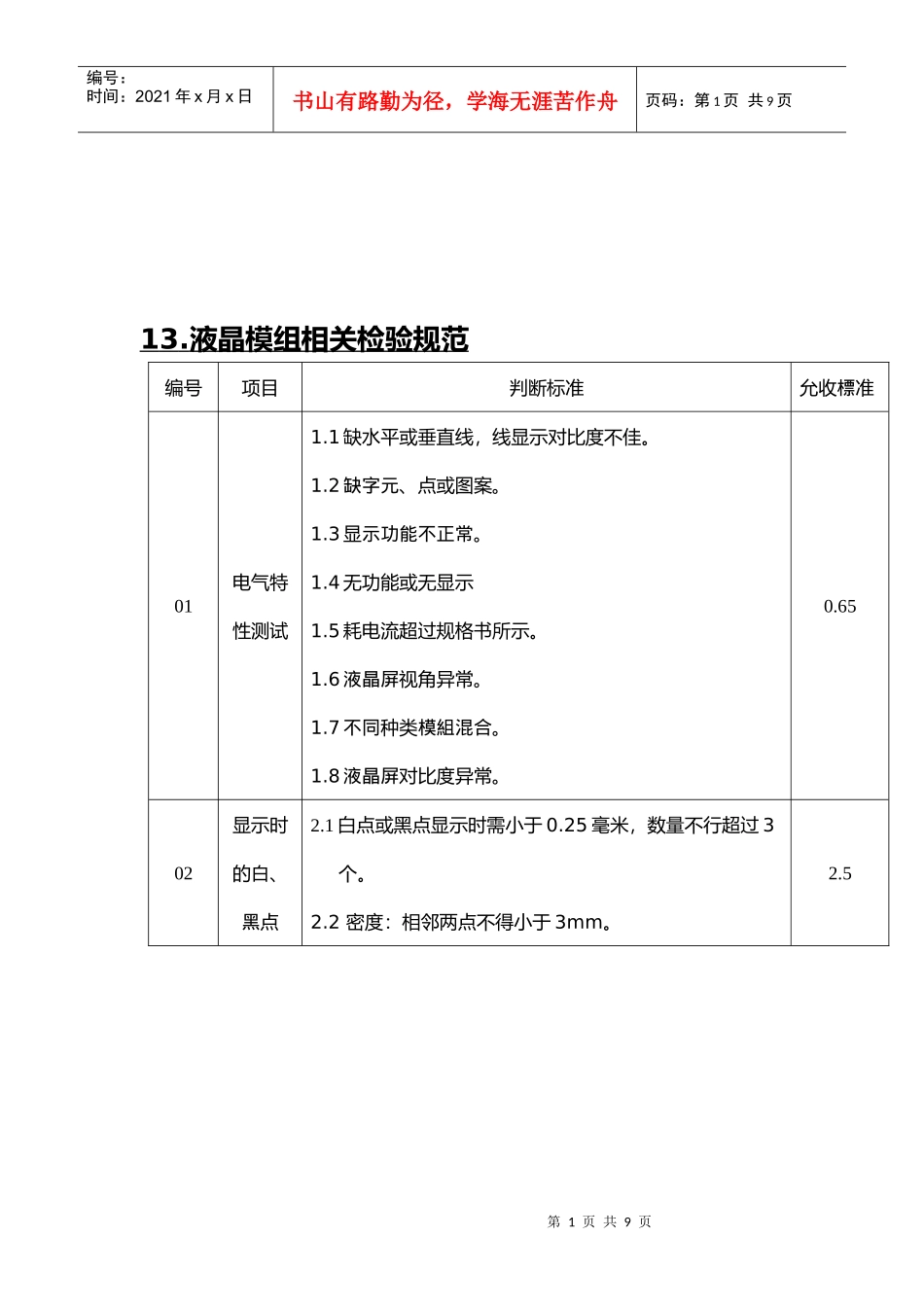
第1页共9页编号:时间:2021年x月x日书山有路勤为径,学海无涯苦作舟页码:第1页共9页13.液晶模组相关检验规范编号项目判断标准允收標准01电气特性测试1.1缺水平或垂直线,线显示对比度不佳。1.2缺字元、点或图案。1.3显示功能不正常。1.4无功能或无显示1.5耗电流超过规格书所示。1.6液晶屏视角异常。1.7不同种类模組混合。1.8液晶屏对比度异常。0.6502显示时的白、黑点2.1白点或黑点显示时需小于0.25毫米,数量不行超过3个。2.2密度:相邻两点不得小于3mm。2.5第2页共9页第1页共9页编号:时间:2021年x月x日书山有路勤为径,学海无涯苦作舟页码:第2页共9页03非显示时的白、黑点3.1图型:如下方图示Φ=(x+y)/22.53.2线型:如下方图示2.504偏光片气泡如果气泡是可免的,使用白、黑点检验标准;若是不可免的气泡,可依右方表格指示2.5尺寸可接受数量Φ≦0.10忽略不计0.10<Φ≦0.2020.20<Φ≦0.2510.25<Φ0长宽可接受数量---W≦0.02忽略不计L≦3.00.02<W≦0.032L≦2.50.03<W≦0.05---0.05<W使用圓型检验规范尺寸Φ可接受数量Φ≦0.20忽略不计0.20<Φ≦0.5030.50<Φ≦1.0021.00<Φ0总数量3第3页共9页第2页共9页编号:时间:2021年x月x日书山有路勤为径,学海无涯苦作舟页码:第3页共9页编号项目判断标准允收標准05刮伤依项目3非显示时的白、黑点检验规范进行检验06玻璃缺角符号定义:x:缺角长度y:缺角宽度z:缺角厚度k:封胶宽度t:玻璃厚度a:液晶屏边缘长度L:导电端子长度6.1一般玻璃缺角6.1.1缺角于液晶屏的表面及玻璃中的碎裂z:缺角厚度y:缺角宽度x:缺角长度Z≦1/2t不可达可视区x≦1/8a1/2t<z≦2t不可超过1/3kx≦1/8a2.5第4页共9页第3页共9页编号:时间:2021年x月x日书山有路勤为径,学海无涯苦作舟页码:第4页共9页☉若液晶屏上有超过两个缺角,x为缺角总长度6.1.2角边破裂:z:缺角厚度y:缺角宽度x:缺角长度Z≦1/2t不可达可视区x≦1/8a1/2t<z≦2t不可超过1/3kx≦1/8a☉若液晶屏上有超过两个缺角,x为缺角总长度编号项目判断标准允收標准06玻璃破裂符号定义:x:缺角长度y:缺角宽度z:缺角厚度2.5第5页共9页第4页共9页编号:时间:2021年x月x日书山有路勤为径,学海无涯苦作舟页码:第5页共9页k:封胶宽度t:玻璃厚度a:液晶屏边缘长度L:导电端子长度6.2边缘突出物6.2.1缺角于液晶屏导电端子y:缺角宽度x:缺角长度z:缺角厚度y≦0.5mmx≦1/8a0<z≦t6.2.2非导电部分:y:缺角宽度x:缺角长度z:缺角厚度y≦Lx≦1/8a0<z≦t☉若缺口部分触及导电端子(ITO)且超过2/3,则需参照电极端子检验规范。☉如果产品是需要客户进行热压的,整排导电端子(ITO)將不得被破坏。6.2.3基底玻璃突起及内部破裂y:宽度x:长度第6页共9页第5页共9页编号:时间:2021年x月x日书山有路勤为径,学海无涯苦作舟页码:第6页共9页编号项目判断标准允收标准07玻璃破裂液晶屏若有大量破裂情形,將不予接受。2.508背光元件8.1背光源于启动时有闪烁现象。8.2背光源点亮时有点或刮伤情形,使用液晶屏白黑点及刮伤检验标准。8.3背光源无法点亮或顏色错误。0.652.50.6509铁框9.1铁框不得有铁销、变形或手指印,污点或其他污染物。9.2铁框需完全符合工作规范。2.50.6510印刷电2.5y≦1/3Lx≦a第7页共9页第6页共9页编号:时间:2021年x月x日书山有路勤为径,学海无涯苦作舟页码:第7页共9页路板及IC邦定10.1邦定封胶区不得有孔大于0.2毫米或脏污。10.2邦定封胶区不得有贯孔于IC下方。10.3邦定封胶高度不得超过模組尺寸图。10.4邦定封胶不得超过封胶区边缘2毫米。黑胶超过封胶区边緣不得超过三个地方。10.5不得有氧化或脏污于印刷电路板端子上。10.6印刷电路板上所有零件需符合其特性图。不得打错零件、缺少零件或多打零件。10.7印刷电路板端子上的跳线或跨接线,需符合产品特性图。10.8如果焊锡沾到铁框焊点、LED焊点、导电橡皮焊点或螺丝孔焊点,清洁后需确保其光滑。10.9铁框导角刮除印刷电路板焊点,面积不得超过2平方毫米。X*Y<=2mm22.50.652.52.50.650.652.52.511焊接11.1不得有焊锡不熔解情形发生。11.2焊接加工不得有虚焊、缺焊、氧化及锡尖产生。11.3不得有锡渣或锡球于印刷电路板上。11.4焊接加工不...

1、当您付费下载文档后,您只拥有了使用权限,并不意味着购买了版权,文档只能用于自身使用,不得用于其他商业用途(如 [转卖]进行直接盈利或[编辑后售卖]进行间接盈利)。
2、本站所有内容均由合作方或网友上传,本站不对文档的完整性、权威性及其观点立场正确性做任何保证或承诺!文档内容仅供研究参考,付费前请自行鉴别。
3、如文档内容存在违规,或者侵犯商业秘密、侵犯著作权等,请点击“违规举报”。

碎片内容

液晶模组相关检验标准

确认删除?
VIP
微信客服
  • 扫码咨询
会员Q群
  • 会员专属群点击这里加入QQ群
客服邮箱
回到顶部