电脑桌面
添加小米粒文库到电脑桌面
安装后可以在桌面快捷访问

前端与干线设备安装、调试VIP免费

前端与干线设备安装、调试_第1页
1/11
前端与干线设备安装、调试_第2页
2/11
前端与干线设备安装、调试_第3页
3/11
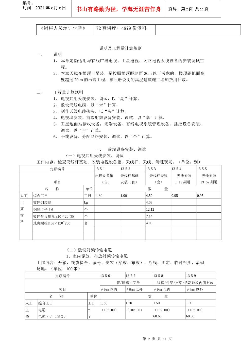
第1页共11页编号:时间:2021年x月x日书山有路勤为径,学海无涯苦作舟页码:第1页共11页更多企业学院:《中小企业管理全能版》183套讲座+89700份资料《总经理、高层管理》49套讲座+16388份资料《中层管理学院》46套讲座+6020份资料《国学智慧、易经》46套讲座《人力资源学院》56套讲座+27123份资料《各阶段员工培训学院》77套讲座+324份资料《员工管理企业学院》67套讲座+8720份资料《工厂生产管理学院》52套讲座+13920份资料《财务管理学院》53套讲座+17945份资料《销售经理学院》56套讲座+14350份资料第2页共11页第1页共11页编号:时间:2021年x月x日书山有路勤为径,学海无涯苦作舟页码:第2页共11页《销售人员培训学院》72套讲座+4879份资料说明及工程量计算规则一、说明1、本章定额适用与有线广播电视、卫星电视、闭路电视系统设备的安装调试工程。2、本章天线在楼顶上吊装,是按照楼顶距地面20m以下考虑的,楼顶距地面高度超过20m的吊装工程,按照册说明的高层建筑施工增加费用计取。二、工程量计算规则1、电视共用天线安装、调试,以“副”计算。2、敷设天线电缆,以“米”计算。3、制作天线电缆接头,以“头”计算。4、电视墙安装、前端射频设备安装、调试,以“套”计算。5、卫星地面站接收设备,光端设备、有线电视系统管理设备、播控设备安装、调试,以“台”计算。6、干线设备、分配网络安装、调试,以“个”计算。一、前端设备安装、调试(一)电视共用天线安装、调试工作内容:检查天线杆基础、安装电视设备箱、天线杆、天线、清理现场。(单位:副)定额编号13-5-113-5-213-5-313-5-413-5-5项目电视设备箱(台)天线杆基础安装(套)天线杆安装(套)天线安装1-12频道天线安装13-57频道名称单位数量人工综合工日工日1.801.004.500.950.95主要材料镀锌钢绞线kg4.08钢线卡子∮6个12.12镀锌带母螺栓M10×20~35个7.14地脚螺栓M14×120~230套4.08(二)敷设射频传输电缆1、室内穿放、布放射频传输电缆工作内容:开箱、线缆检查、编号、安装(穿放、布放)、断线、固定、临时封头、清理场地。(单位:100米)定额编号13-5-613-5-713-5-813-5-9项目管/暗槽内穿放线槽/桥架/支架/活动地板内明布放∮9mm以内∮9mm以外∮9mm以内∮9mm以外名称单位数量人工综合工日工日1.301.701.501.90主要电缆电缆卡子(综合)m个(102.00)(102.00)(102.00)60.60(102.00)60.60第3页共11页第2页共11页编号:时间:2021年x月x日书山有路勤为径,学海无涯苦作舟页码:第3页共11页材料仪器仪表数字万用表对讲机台班台班0.101.100.101.500.100.600.100.802、室外架设射频传输电缆工作内容:1、电杆上:检测电缆、配盘、架设电缆、挂钩、盘余长、绑保护物。2、墙壁上:安装支撑物、布放吊线、做终端、配盘、架设电缆、挂钩、盘余长、绑保护物。(单位:100米)定额编号13-5-1013-5-1113-5-1213-5-13项目在电杆上架设射频电缆在墙壁上架设射频电缆∮9mm以内∮9mm以外∮9mm以内∮9mm以外名称单位数量人工综合工日工日2.503.003.003.50主要材料电缆m(102.00)(102.00)(102.00)(102.00)镀锌铁丝16#~17#kg0.100.100.100.10拉线环(大号)个4.044.04电缆挂钩25个202.00202.00202.00202.00镀锌钢绞线kg11.2211.22U型钢卡副14.1414.14镀锌滚花膨胀螺栓套24.4824.48终端转角墙担根4.044.04中间支持物套8.088.08平顶射钉(螺纹)个25.2525.25仪器仪表对讲机台班1.601.802.002.003、制作射频电缆接头工作内容:检查器材、成端接头、固定接头。(单位:头)定额编号13-5-1413-5-15项目射频电缆接头(10个)架空地面名称单位数量人工综合工日工日1.000.80主要材料F型插头(75-7)个10.1010.10棉纱头kg0.100.054、卫星天线安装、调试第4页共11页第3页共11页编号:时间:2021年x月x日书山有路勤为径,学海无涯苦作舟页码:第4页共11页工作内容:天线和天线架的搬运、安装及吊装,天线安装就位,调正方向和俯仰角,调试输出电平,整理测试记录,检查、紧固天线各部件,补漆。吊装设备的安装、拆除,清理施工现场。(单位:副)定额编号13-5-1613-5-1713-5-1813-5-1913-5-2013-5-21项目天线在楼顶天...

1、当您付费下载文档后,您只拥有了使用权限,并不意味着购买了版权,文档只能用于自身使用,不得用于其他商业用途(如 [转卖]进行直接盈利或[编辑后售卖]进行间接盈利)。
2、本站所有内容均由合作方或网友上传,本站不对文档的完整性、权威性及其观点立场正确性做任何保证或承诺!文档内容仅供研究参考,付费前请自行鉴别。
3、如文档内容存在违规,或者侵犯商业秘密、侵犯著作权等,请点击“违规举报”。

碎片内容

前端与干线设备安装、调试

确认删除?
VIP
微信客服
  • 扫码咨询
会员Q群
  • 会员专属群点击这里加入QQ群
客服邮箱
回到顶部