电脑桌面
添加小米粒文库到电脑桌面
安装后可以在桌面快捷访问

螺杆泵生产组织与计划管理设计VIP免费

螺杆泵生产组织与计划管理设计_第1页
1/15
螺杆泵生产组织与计划管理设计_第2页
2/15
螺杆泵生产组织与计划管理设计_第3页
3/15
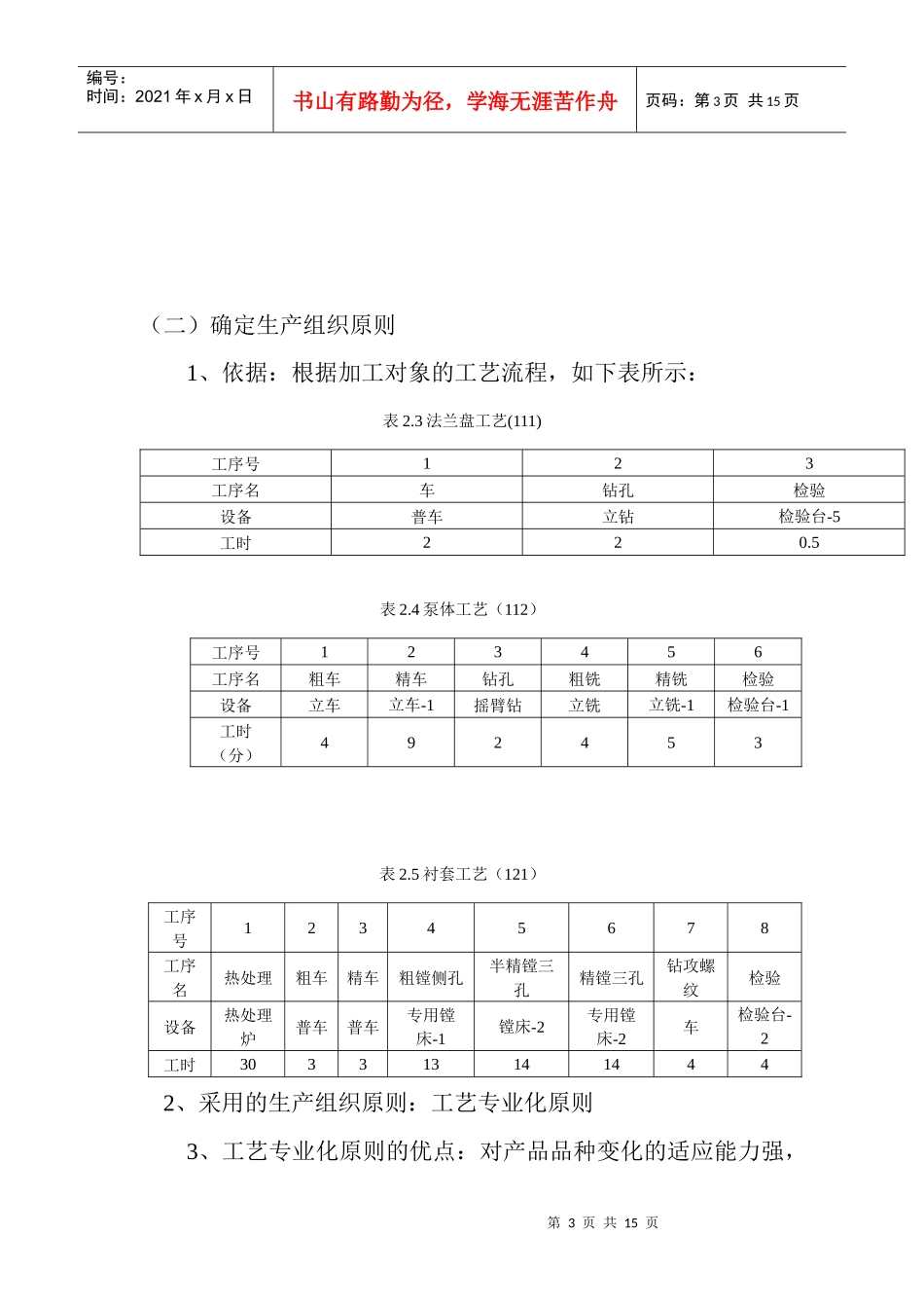
第1页共15页编号:时间:2021年x月x日书山有路勤为径,学海无涯苦作舟页码:第1页共15页一、课程设计任务书(一)设计题目螺杆泵生产组织与计划管理设计生产与运作管理课程设计是管理类学生的重要教学环节之一,学生学习了《机械制造工艺学》和《生产与运作管理》等课程的基本理论后,通过课程设计可以进一步掌握企业生产组织、计划与控制方面的具体内容和实施方法,增强生产管理的实际工作能力。(二)设计依据1、螺杆泵产品品种,结构与零件明细;2、零件工艺过程,工时定额及设备类型;3、生产能力设计规模(含易损件生产);4、某月订货情况;5、其他参考资料,生产间隔期或设备调整费用等,保管占用量,平行系数,期初重点占用量。(三)课程设计的主要工作任务及要求1、分析课程设计依据中给出的原始资料,领会设计意图,按照任务中规定的任务逐项设计并作出必额及设备类型;设置生产单位,根据资料给出的情况,设置与产品生产直接相关的职能科室,生产车间及有关的中间库、生产车间要求进一步设置内部生产单位。2、对生产车间做出生产组织设计方案采用适当的方法,确定生产车间或生产环节的生产类型;确定各类生产设备需要量;列出车间设备明细;选择合理的生产组织形式(流水线、生产线、设备组)进行组织设计画出加工车间平面布置示意图。3、编制作业计划依据资料中给出的某月订货情况,运用所学的加工排序方法对该月排出较优的投产顺序、编制产品进度计划;编制厂级生产作业计划(加工车间及装配车间);加工车间要求进一步编制车间内部作业计划(各工段或设备组的进度与负荷平衡图)。第2页共15页第1页共15页编号:时间:2021年x月x日书山有路勤为径,学海无涯苦作舟页码:第2页共15页二、课程设计内容(一)确定生产模式1、依据:客户订单,如下表:表2.1订单产品品种A—3C—2C—3数量350120100交货期222222表2.2产品自制零部件明细外壳法兰盘泵体主体衬套A—3a-31a-311a-312a-32a-321C—2c-21c-211c-212c-22c-221C—3c-31c-311c-312c-32c-3212、采用的生产模式:中小批量定单生产3、生产模式的优点:硬件投资少,易变换,运作灵活第3页共15页第2页共15页编号:时间:2021年x月x日书山有路勤为径,学海无涯苦作舟页码:第3页共15页(二)确定生产组织原则1、依据:根据加工对象的工艺流程,如下表所示:表2.3法兰盘工艺(111)工序号123工序名车钻孔检验设备普车立钻检验台-5工时220.5表2.4泵体工艺(112)工序号123456工序名粗车精车钻孔粗铣精铣检验设备立车立车-1摇臂钻立铣立铣-1检验台-1工时(分)492453表2.5衬套工艺(121)工序号12345678工序名热处理粗车精车粗镗侧孔半精镗三孔精镗三孔钻攻螺纹检验设备热处理炉普车普车专用镗床-1镗床-2专用镗床-2车检验台-2工时3033131414442、采用的生产组织原则:工艺专业化原则3、工艺专业化原则的优点:对产品品种变化的适应能力强,第4页共15页第3页共15页经理人事处财务处供应处生产处销售处原材料库加工车间装配车间成品库废品库编号:时间:2021年x月x日书山有路勤为径,学海无涯苦作舟页码:第4页共15页生产系统的可靠性较高,工艺及设备管理较方便(三)确定生产组织结构1、依据:2、生产组织结构图如图2.1所示:图2.1生产组织结构图3、生产单位职能介绍:经理:负责作出决策人事处:负责企业的人事安排及调动财务处:负责明细和掌管企业的各项财务收支供应处:负责管理采购原材料并向生产处提供原材料生产处:负责生产产品销售处:负责行销产品原材料库:负责管理储备原材料第5页共15页第4页共15页成品区加工区原料区装配区费品区前门办公楼后门编号:时间:2021年x月x日书山有路勤为径,学海无涯苦作舟页码:第5页共15页成品库:负责安放和管理成品加工车间:负责加工法兰盘、泵体、衬套装配车间:负责装配部件;外壳废品库:负责回收废品及毛料(四)生产单位平面布置示意图如图2.2所示:(五)生产单位平面布置示意图如图2.3所示:图2.2生产单位平面设计图(五)加工车间平面示意图如图2.3所示:立车作业区北立车作业区门口外壳装配区成品存放区半成品存放区普车作业区立铣作业区立车-1作业区车作业区专用镗床-...

1、当您付费下载文档后,您只拥有了使用权限,并不意味着购买了版权,文档只能用于自身使用,不得用于其他商业用途(如 [转卖]进行直接盈利或[编辑后售卖]进行间接盈利)。
2、本站所有内容均由合作方或网友上传,本站不对文档的完整性、权威性及其观点立场正确性做任何保证或承诺!文档内容仅供研究参考,付费前请自行鉴别。
3、如文档内容存在违规,或者侵犯商业秘密、侵犯著作权等,请点击“违规举报”。

碎片内容

螺杆泵生产组织与计划管理设计

您可能关注的文档

中小学教育精品资料+ 关注
实名认证
内容提供者

中小学教育资料,优质文档创作者

确认删除?
VIP
微信客服
  • 扫码咨询
会员Q群
  • 会员专属群点击这里加入QQ群
客服邮箱
回到顶部