电脑桌面
添加小米粒文库到电脑桌面
安装后可以在桌面快捷访问

6s評比檢查表VIP免费

6s評比檢查表_第1页
1/2
6s評比檢查表_第2页
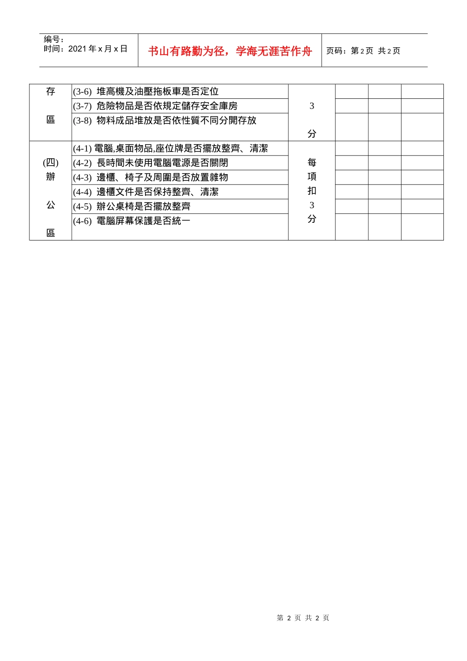
2/2
第1页共2页编号:时间:2021年x月x日书山有路勤为径,学海无涯苦作舟页码:第1页共2页6S評比檢查表檢查區域:廠檢查時間:評比人:區域名稱扣分事項應扣分數扣分加權備注(一)共同項目(1-1)人員是否佩帶識別證每項扣2分(1-2)人員是否衣著整齊(按公司規定著裝)(1-3)人員是否精神飽滿,有無大聲喧嘩,聊天(1-4)是否有人看與工作無關的東西(1-5)是否有人在工作時間吃零食(1-6)看板是否美觀實用(1-7)工作場所是否保持清潔(1-8)衛生間是否干淨,有無煙頭(1-9)地面及地毯是否清潔,有無紙屑雜物(1-10)門窗、門帘、牆壁、天花板是否清潔干淨(1-11)工作場所消防設備或安全門是否遭阻擋(1-12)是否發生工傷事故每項扣5分(1-13)工作場所通道是否保持通暢(1-14)工作場所電氣設備室(箱)內否放置雜物(1-15)工作場所廢棄物是否分類放置(紙箱是否拆平)(二)生產及維修區(2-1)作業人員是否佩帶靜電環每項扣3分(2-2)有機溶劑是否按規定存放(2-3)重要危險設備使用時專責人員是否在場(2-4)油壓拖板車是否放置定位(是否嬉戲)(2-5)油壓拖板車運送物品速度是否太快(2-6)物品存放是否放置規定區域內(2-7)機具及棧板放置是否整齊安全(2-8)儀器、待測及測試完板件擺放是否整齊安全(2-9)鞋櫃是否整齊,鞋櫃鎖是否完好(2-10)使用機具,工具是否合乎安全規定(2-11)機具、儀器、工具是否定期維護保持清潔(三)庫(3-1)堆高機運送物品速度是否太快每項扣(3-2)堆高機運送行駛是否有警示音響(3-3)材料成品堆放是否安全整齊(3-4)材料成品堆放是否放置規定區域內(3-5)棧板擺置是否安全整齊(含廢棄棧板)第2页共2页第1页共2页编号:时间:2021年x月x日书山有路勤为径,学海无涯苦作舟页码:第2页共2页存區3分(3-6)堆高機及油壓拖板車是否定位(3-7)危險物品是否依規定儲存安全庫房(3-8)物料成品堆放是否依性質不同分開存放(四)辦公區(4-1)電腦,桌面物品,座位牌是否擺放整齊、清潔每項扣3分(4-2)長時間未使用電腦電源是否關閉(4-3)邊櫃、椅子及周圍是否放置雜物(4-4)邊櫃文件是否保持整齊、清潔(4-5)辦公桌椅是否擺放整齊(4-6)電腦屏幕保護是否統一

1、当您付费下载文档后,您只拥有了使用权限,并不意味着购买了版权,文档只能用于自身使用,不得用于其他商业用途(如 [转卖]进行直接盈利或[编辑后售卖]进行间接盈利)。
2、本站所有内容均由合作方或网友上传,本站不对文档的完整性、权威性及其观点立场正确性做任何保证或承诺!文档内容仅供研究参考,付费前请自行鉴别。
3、如文档内容存在违规,或者侵犯商业秘密、侵犯著作权等,请点击“违规举报”。

碎片内容

6s評比檢查表

您可能关注的文档

确认删除?
VIP
微信客服
  • 扫码咨询
会员Q群
  • 会员专属群点击这里加入QQ群
客服邮箱
回到顶部