电脑桌面
添加小米粒文库到电脑桌面
安装后可以在桌面快捷访问

大桥验槽记录VIP免费

大桥验槽记录_第1页
1/6
大桥验槽记录_第2页
2/6
大桥验槽记录_第3页
3/6
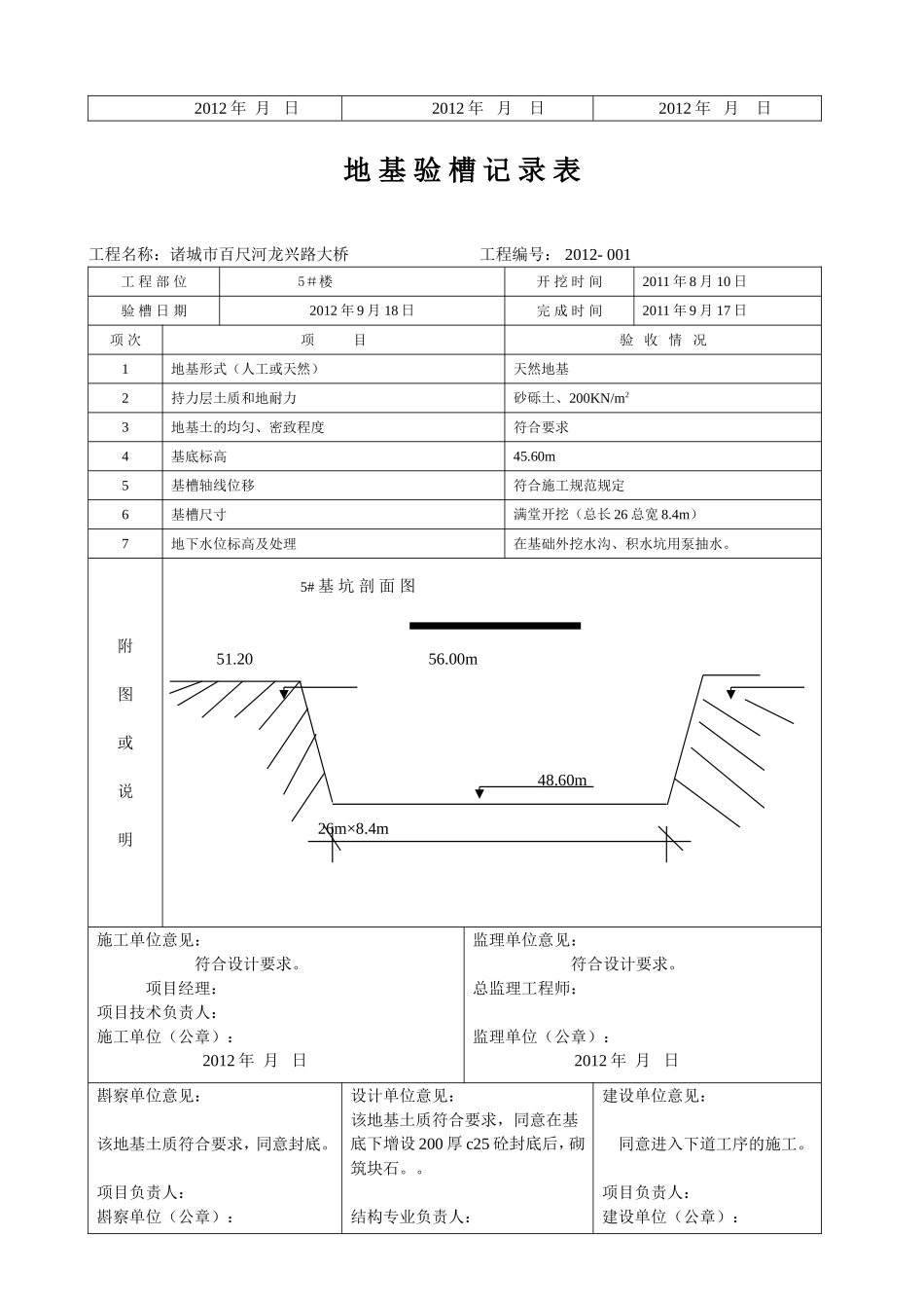
地基验槽记录表工程名称:诸城市百尺河龙兴路大桥工程编号:2012-002工程部位0#桥块石桥墩基础开挖时间2012年10月8日验槽日期2012年11月4日完成时间2012年11月3日项次项目验收情况1地基形式(人工或天然)天然地基2持力层土质和地耐力砂砾土、200KN/m23地基土的均匀、密致程度符合要求4基底标高48.50m5基槽轴线位移符合施工规范规定6基槽尺寸满堂开挖(总长26m、总宽8.4m)7地下水位标高及处理在基础外挖水沟、积水泵抽水。附图或说明0#基坑剖面图56.1551.2048.50m26m×8.4m施工单位意见:符合设计要求。项目技术负责人:施工单位(公章):2012年月日监理单位意见:符合设计要求。总监理工程师:监理单位(公章):2012年月日斟察单位意见:该地基土质符合要求,同意封底。项目负责人:斟察单位(公章):设计单位意见:该地基土质符合要求,同意在基底下增设200厚c25砼封底后,砌筑块石。结构专业负责人:设计单位(公章):建设单位意见:同意进入下道工序的施工。项目负责人:建设单位(公章):2012年月日2012年月日2012年月日地基验槽记录表工程名称:诸城市百尺河龙兴路大桥工程编号:2012-001工程部位5#楼开挖时间2011年8月10日验槽日期2012年9月18日完成时间2011年9月17日项次项目验收情况1地基形式(人工或天然)天然地基2持力层土质和地耐力砂砾土、200KN/m23地基土的均匀、密致程度符合要求4基底标高45.60m5基槽轴线位移符合施工规范规定6基槽尺寸满堂开挖(总长26总宽8.4m)7地下水位标高及处理在基础外挖水沟、积水坑用泵抽水。附图或说明5#基坑剖面图51.2056.00m48.60m26m×8.4m施工单位意见:符合设计要求。项目经理:项目技术负责人:施工单位(公章):2012年月日监理单位意见:符合设计要求。总监理工程师:监理单位(公章):2012年月日斟察单位意见:该地基土质符合要求,同意封底。项目负责人:斟察单位(公章):设计单位意见:该地基土质符合要求,同意在基底下增设200厚c25砼封底后,砌筑块石。。结构专业负责人:建设单位意见:同意进入下道工序的施工。项目负责人:建设单位(公章):2012年月日设计单位(公章):2012年月日2012年月日地基验槽记录表工程名称:连山林场危旧房改造工程E栋工程编号:2011-001工程部位~轴开挖时间2011年9月28日验槽日期2011年10月1日完成时间2011年10月1日项次项目验收情况1地基形式(人工或天然)天然地基2持力层土质和地耐力砂砾土、200KN/m23地基土的均匀、密致程度符合要求4基底标高-1.800m5基槽轴线位移符合施工规范规定6基槽尺寸满堂开挖(总长38.3m、总宽13m)7地下水位标高及处理在基础外挖水沟、积水坑用水泵抽水。附图或说明基坑剖面图龙门板-0.100m-0.300m-1.600m38.3m×13m施工单位意见:符合设计要求。项目经理:项目技术负责人:施工单位(公章):2011年月日监理单位意见:符合设计要求。总监理工程师:监理单位(公章):2011年月日斟察单位意见:该地基土质符合要求,同意封底。项目负责人:斟察单位(公章):2011年月日设计单位意见:该地基土质符合要求,同意封底。结构专业负责人:设计单位(公章):2011年月日建设单位意见:同意进入下道工序的施工。项目负责人:建设单位(公章):2011年月日地基验槽记录表工程名称:连山林场危旧房改造工程C、D栋工程编号:2011-001工程部位C#楼开挖时间2011年9月29日验槽日期2011年10月2日完成时间2011年10月2日项次项目验收情况1地基形式(人工或天然)天然地基2持力层土质和地耐力砂砾土、200KN/m23地基土的均匀、密致程度符合要求4基底标高-2.000m5基槽轴线位移符合施工规范规定6基槽尺寸满堂开挖(总长36.1m、总宽11.8m)7地下水位标高及处理附图或说明基坑剖面图龙门板-0.300m-0.700m-2.000m36.1m×11.8m施工单位意见:符合设计要求。项目经理:项目技术负责人:施工单位(公章):监理单位意见:符合设计要求。总监理工程师:监理单位(公章):2011年月日2011年月日斟察单位意见:该地基土质符合要求,同意封底。项目负责人:斟察单位(公章):2011年月日设计单位意见:该地基土质符合要求,同意封底。结构专业负责人:设计单位(公章)...

1、当您付费下载文档后,您只拥有了使用权限,并不意味着购买了版权,文档只能用于自身使用,不得用于其他商业用途(如 [转卖]进行直接盈利或[编辑后售卖]进行间接盈利)。
2、本站所有内容均由合作方或网友上传,本站不对文档的完整性、权威性及其观点立场正确性做任何保证或承诺!文档内容仅供研究参考,付费前请自行鉴别。
3、如文档内容存在违规,或者侵犯商业秘密、侵犯著作权等,请点击“违规举报”。

碎片内容

大桥验槽记录

您可能关注的文档

确认删除?
VIP
微信客服
  • 扫码咨询
会员Q群
  • 会员专属群点击这里加入QQ群
客服邮箱
回到顶部