电脑桌面
添加小米粒文库到电脑桌面
安装后可以在桌面快捷访问

某啤酒企业瓶厂装卸分拣班班长岗岗位说明书VIP免费

某啤酒企业瓶厂装卸分拣班班长岗岗位说明书_第1页
1/3
某啤酒企业瓶厂装卸分拣班班长岗岗位说明书_第2页
2/3
某啤酒企业瓶厂装卸分拣班班长岗岗位说明书_第3页
3/3
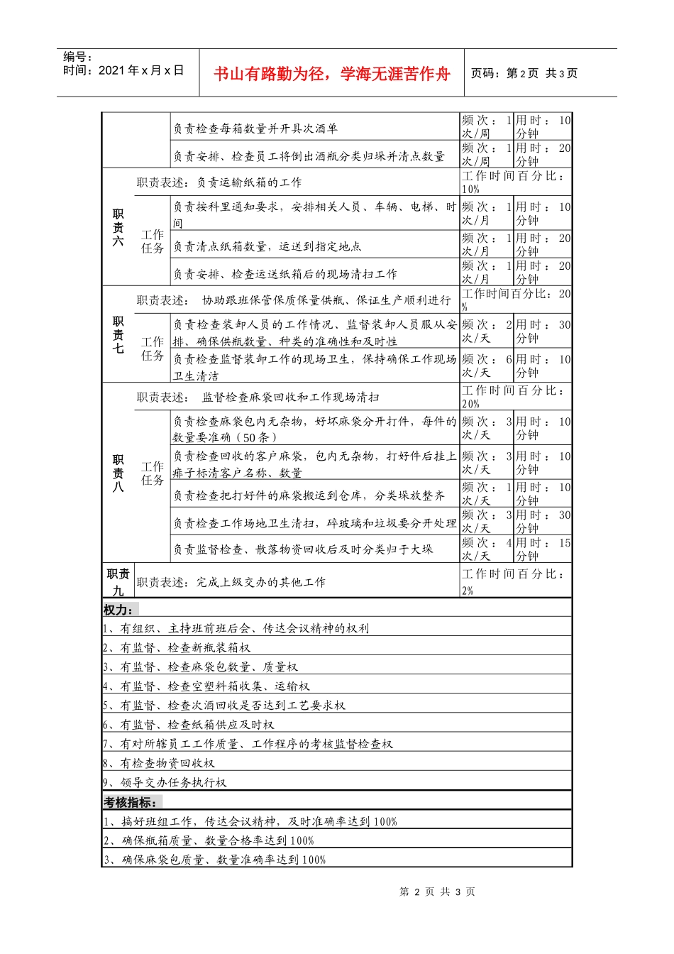
第1页共3页编号:时间:2021年x月x日书山有路勤为径,学海无涯苦作舟页码:第1页共3页某啤酒企业瓶厂装卸分拣班班长岗岗位说明书岗位名称装卸分拣班班长岗岗位编号所在部门一厂瓶场岗位定员1直接上级瓶场科长岗位工资直接下级装卸分拣分析人所辖人员40分析日期本职:负责本班组现场管理、安全生产、员工教育、质量管理等日常工作职责与工作任务:职责一职责表述:负责组织、主持班组会议工作时间百分比:10%工作任务负责每天班前对所管辖的范围巡视检查一遍频次:1次/天用时:15分钟每天召开主持班前、班后会议,布置当天工作,结工作中的先进经验及时、沟通、听取、反馈员工工作要求,并提出整改意见频次:1次/天用时:10分钟负责组织员工学习、传达公司及工厂的文件、通知频次:1次/天用时:5分钟负责组织监督检查、收集每月所管辖员工的绩效考核频次:1次/月用时:30分钟负责检查所辖员工的安全生产教育,监督和检查劳保用品穿戴整齐,操作程序规范频次:1次/天用时:10分钟职责二职责表述:负责新瓶装塑料箱工作工作时间百分比:20%工作任务负责安排员工将麻袋包内瓶分装到塑料箱,清点麻袋包、塑料箱的数量频次:4次/天用时:30分钟负责统计、汇总、记录、上报所辖员工每日工作量频次:1次/天用时:10分钟负责检查操作现场卫生清扫是否合格频次:4次/天用时:5分钟职责三职责表述:负责旧瓶装包工作工作时间百分比:10%工作任务负责安排员工将客户送的瓶装入麻袋包,清点装好的麻袋包数量频次:3次/天用时:20分钟负责检查操作现场卫生清扫是否合格频次:4次/天用时:5分钟职责四职责表述:负责空塑料箱的运输工作工作时间百分比:13%工作任务负责联系人力调配、运输、成品库的空塑料箱数量、位置频次:4次/天用时:20分钟及时清理现场卫生频次:4次/天用时:10分钟职责五职责表述:负责次酒回收工作工作时间百分比:5%工作任务负责联系、确定车辆、拉酒时间、倒酒时间频次:1次/周用时:10分钟负责检查倒酒操作程序及时、标准化(器具消毒)频次:1次/周用时:10分钟第2页共3页第1页共3页编号:时间:2021年x月x日书山有路勤为径,学海无涯苦作舟页码:第2页共3页负责检查每箱数量并开具次酒单频次:1次/周用时:10分钟负责安排、检查员工将倒出酒瓶分类归垛并清点数量频次:1次/周用时:20分钟职责六职责表述:负责运输纸箱的工作工作时间百分比:10%工作任务负责按科里通知要求,安排相关人员、车辆、电梯、时间频次:1次/月用时:10分钟负责清点纸箱数量,运送到指定地点频次:1次/月用时:20分钟负责安排、检查运送纸箱后的现场清扫工作频次:1次/月用时:20分钟职责七职责表述:协助跟班保管保质保量供瓶、保证生产顺利进行工作时间百分比:20%工作任务负责检查装卸人员的工作情况、监督装卸人员服从安排、确保供瓶数量、种类的准确性和及时性频次:2次/天用时:30分钟负责检查监督装卸工作的现场卫生,保持确保工作现场卫生清洁频次:6次/天用时:10分钟职责八职责表述:监督检查麻袋回收和工作现场清扫工作时间百分比:20%工作任务负责检查麻袋包内无杂物,好坏麻袋分开打件,每件的数量要准确(50条)频次:3次/天用时:10分钟负责检查回收的客户麻袋,包内无杂物,打好件后挂上痱子标清客户名称、数量频次:3次/天用时:10分钟负责检查把打好件的麻袋搬运到仓库,分类垛放整齐频次:1次/天用时:10分钟负责检查工作场地卫生清扫,碎玻璃和垃圾要分开处理频次:3次/天用时:30分钟负责监督检查、散落物资回收后及时分类归于大垛频次:4次/天用时:15分钟职责九职责表述:完成上级交办的其他工作工作时间百分比:2%权力:1、有组织、主持班前班后会、传达会议精神的权利2、有监督、检查新瓶装箱权3、有监督、检查麻袋包数量、质量权4、有监督、检查空塑料箱收集、运输权5、有监督、检查次酒回收是否达到工艺要求权6、有监督、检查纸箱供应及时权7、有对所辖员工工作质量、工作程序的考核监督检查权8、有检查物资回收权9、领导交办任务执行权考核指标:1、搞好班组工作,传达会议精神,及时准确率达到100%2、确保瓶箱质量、数量合格率达到100%3、确保麻袋包质量、数量...

1、当您付费下载文档后,您只拥有了使用权限,并不意味着购买了版权,文档只能用于自身使用,不得用于其他商业用途(如 [转卖]进行直接盈利或[编辑后售卖]进行间接盈利)。
2、本站所有内容均由合作方或网友上传,本站不对文档的完整性、权威性及其观点立场正确性做任何保证或承诺!文档内容仅供研究参考,付费前请自行鉴别。
3、如文档内容存在违规,或者侵犯商业秘密、侵犯著作权等,请点击“违规举报”。

碎片内容

某啤酒企业瓶厂装卸分拣班班长岗岗位说明书

中小学文库+ 关注
实名认证
内容提供者

精品资料应用尽有

确认删除?
VIP
微信客服
  • 扫码咨询
会员Q群
  • 会员专属群点击这里加入QQ群
客服邮箱
回到顶部