电脑桌面
添加小米粒文库到电脑桌面
安装后可以在桌面快捷访问

大学物理实验报告答案(最全)VIP免费

大学物理实验报告答案(最全)_第1页
1/32
大学物理实验报告答案(最全)_第2页
2/32
大学物理实验报告答案(最全)_第3页
3/32
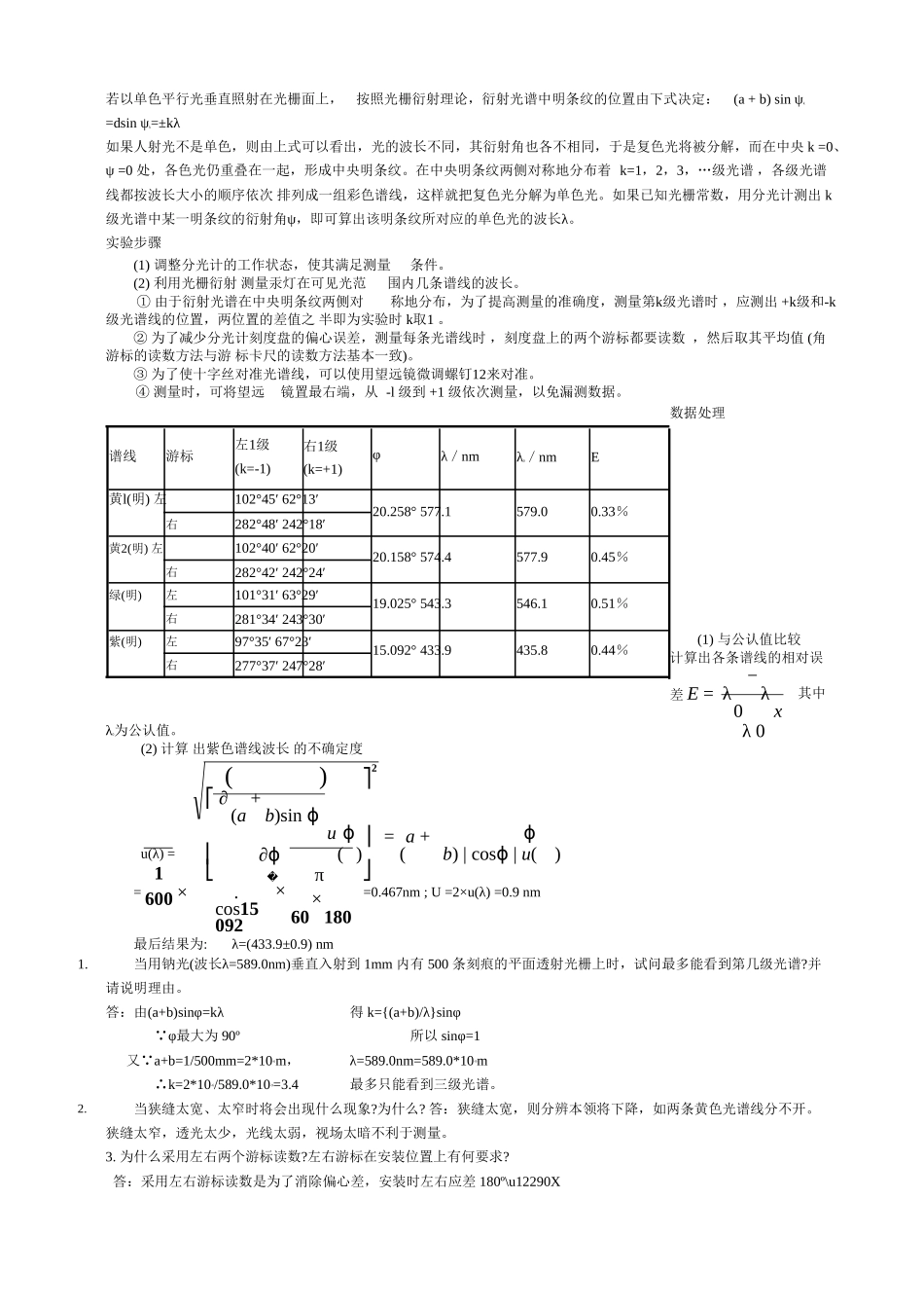
大学物理实验报告答案(最全)(包括实验数据及思考题答案全)1.伏安法测电阻实验目的(1)利用伏安法测电阻。(2)验证欧姆定律。(3)学会间接测量量不确定度的计算;进一步掌握有效数字的概念。U实验方法原理根据欧姆定律,R=,如测得U和I则可计算出R。值得注意的是,本实验待测电阻有两只,I一个阻值相对较大,一个较小,因此测量时必须采用安培表内接和外接两个方式,以减小测量误差。实验装置待测电阻两只,0~5mA电流表1只,0-5V电压表1只,0~50mA电流表1只,0~10V电压表一只,滑线变阻器1只,DF1730SB3A稳压源1台。实验步骤本实验为简单设计性实验,实验线路、数据记录表格和具体实验步骤应由学生自行设计。必要时,可提示学生参照第2章中的第2.4一节的有关内容。分压电路是必须要使用的,并作具体提示。(1)根据相应的电路图对电阻进行测量,记录U值和I值。对每一个电阻测量3次。(2)计算各次测量结果。如多次测量值相差不大,可取其平均值作为测量结果。(3)如果同一电阻多次测量结果相差很大,应分析原因并重新测量。数据处理测量次数U1/VI1/mAR1/Ω测量次数U2/VI2/mAR2/Ω15.42.00270012.0838.054.726.92.60265422.2242.052.938.53.20265632.5047.053.2∆U=Umax×1.5%,得到∆U1=0.15V,UV(1)由(2)由∆I=Imax×1.5%,得到∆I1=0.075mA,∆2=0.075;∆I2=0.75mA;∆U2∆I2u=×1,u==(3)再由uRR(3V+)(3I)3,求得R1910ΩR21Ω;(4)结果表示R1=(2.92±0.09),R×10Ω2=(441)±Ω2.光栅衍射实验目的(1)了解分光计的原理和构造。(2)学会分光计的调节和使用方法。(3)观测汞灯在可见光范围内几条光谱线的波长实验方法原理若以单色平行光垂直照射在光栅面上,按照光栅衍射理论,衍射光谱中明条纹的位置由下式决定:(a+b)sinψk=dsinψk=±kλ如果人射光不是单色,则由上式可以看出,光的波长不同,其衍射角也各不相同,于是复色光将被分解,而在中央k=0、ψ=0处,各色光仍重叠在一起,形成中央明条纹。在中央明条纹两侧对称地分布着k=1,2,3,…级光谱,各级光谱线都按波长大小的顺序依次排列成一组彩色谱线,这样就把复色光分解为单色光。如果已知光栅常数,用分光计测出k级光谱中某一明条纹的衍射角ψ,即可算出该明条纹所对应的单色光的波长λ。实验步骤(1)调整分光计的工作状态,使其满足测量条件。(2)利用光栅衍射测量汞灯在可见光范围内几条谱线的波长。①由于衍射光谱在中央明条纹两侧对称地分布,为了提高测量的准确度,测量第k级光谱时,应测出+k级和-k级光谱线的位置,两位置的差值之半即为实验时k取1。②为了减少分光计刻度盘的偏心误差,测量每条光谱线时,刻度盘上的两个游标都要读数,然后取其平均值(角游标的读数方法与游标卡尺的读数方法基本一致)。③为了使十字丝对准光谱线,可以使用望远镜微调螺钉12来对准。④测量时,可将望远镜置最右端,从-l级到+1级依次测量,以免漏测数据。数据处理谱线游标左1级(k=-1)右1级(k=+1)φλ/nmλ0/nmE黄l(明)左右黄2(明)左右绿(明)左右紫(明)左右102°45′62°13′282°48′242°18′102°40′62°20′282°42′242°24′101°31′63°29′281°34′243°30′97°35′67°23′277°37′247°28′20.258°577.120.158°574.419.025°543.315.092°433.9579.0577.9546.1435.80.33%0.45%0.51%0.44%(1)与公认值比较计算出各条谱线的相对误−λ0为公认值。(2)计算出紫色谱线波长的不确定度()⎤⎡∂+(ab)sinϕ2差E=λλ0xλ0其中uϕ⎥=a+ϕu(λ)=1⎢⎣∂ϕ�π()⎦(b)|cosϕ|u()=600×.cos15092××60180=0.467nm;U=2×u(λ)=0.9nm1.2.最后结果为:λ=(433.9±0.9)nm当用钠光(波长λ=589.0nm)垂直入射到1mm内有500条刻痕的平面透射光栅上时,试问最多能看到第几级光谱?并请说明理由。答:由(a+b)sinφ=kλ得k={(a+b)/λ}sinφ φ最大为90º所以sinφ=1又 a+b=1/500mm=2*10-6m,λ=589.0nm=589.0*10-9m∴k=2*10-6/589.0*10-9=3.4最多只能看到三级光谱。当狭缝太宽、太窄时将会出现什么现象?为什么?答:狭缝太宽,则分辨本领将下降,如两条黄色光谱线分不开。狭缝太窄,透光太少,光线太弱,视场太暗不利于测量。3.为什么采用左右两个游...

1、当您付费下载文档后,您只拥有了使用权限,并不意味着购买了版权,文档只能用于自身使用,不得用于其他商业用途(如 [转卖]进行直接盈利或[编辑后售卖]进行间接盈利)。
2、本站所有内容均由合作方或网友上传,本站不对文档的完整性、权威性及其观点立场正确性做任何保证或承诺!文档内容仅供研究参考,付费前请自行鉴别。
3、如文档内容存在违规,或者侵犯商业秘密、侵犯著作权等,请点击“违规举报”。

碎片内容

大学物理实验报告答案(最全)

确认删除?
VIP
微信客服
  • 扫码咨询
会员Q群
  • 会员专属群点击这里加入QQ群
客服邮箱
回到顶部