电脑桌面
添加小米粒文库到电脑桌面
安装后可以在桌面快捷访问

大学物理实验超声波速测量实验报告VIP免费

大学物理实验超声波速测量实验报告_第1页
1/6
大学物理实验超声波速测量实验报告_第2页
2/6
大学物理实验超声波速测量实验报告_第3页
3/6
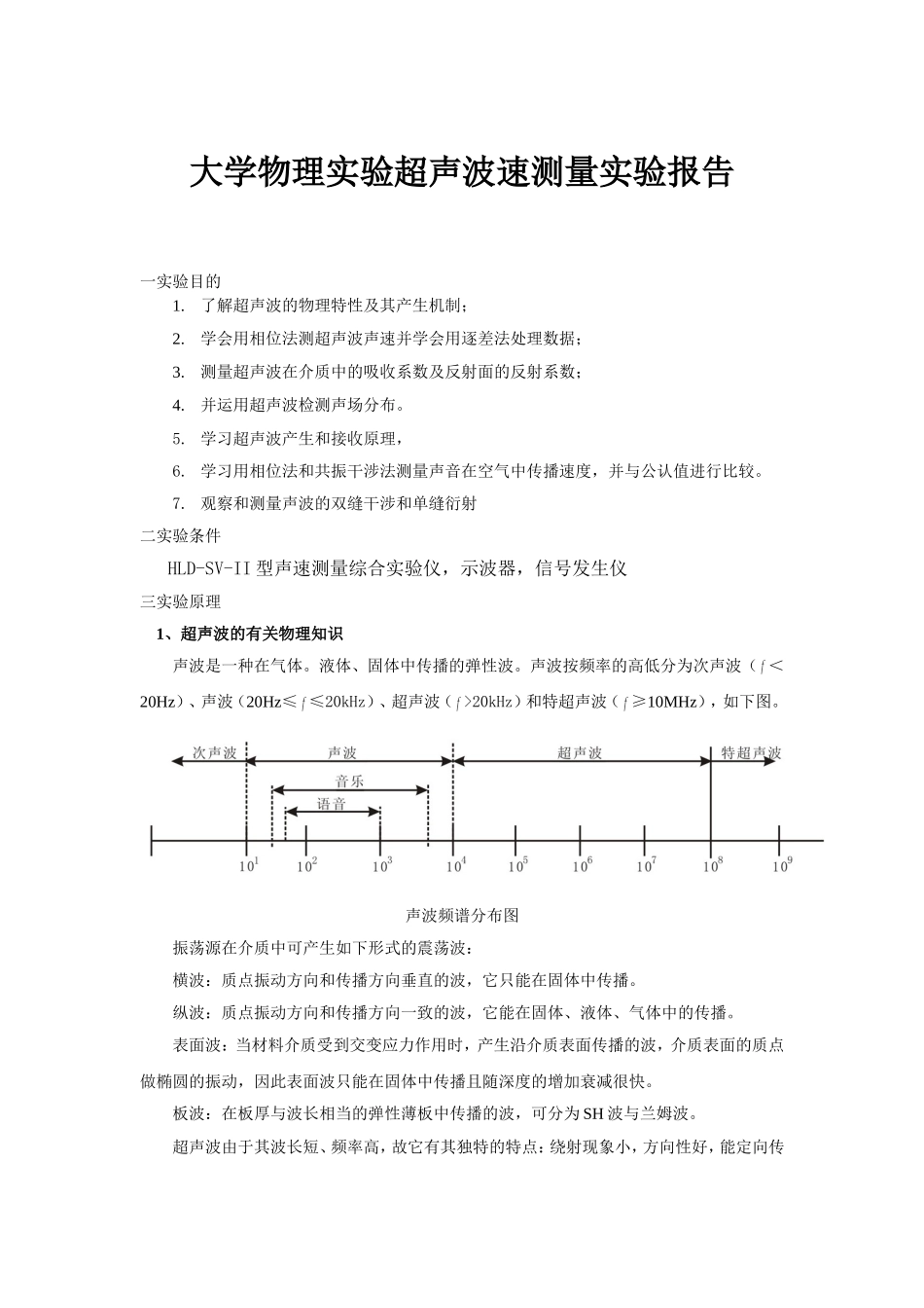
大学物理实验超声波速测量实验报告一实验目的1.了解超声波的物理特性及其产生机制;2.学会用相位法测超声波声速并学会用逐差法处理数据;3.测量超声波在介质中的吸收系数及反射面的反射系数;4.并运用超声波检测声场分布。5.学习超声波产生和接收原理,6.学习用相位法和共振干涉法测量声音在空气中传播速度,并与公认值进行比较。7.观察和测量声波的双缝干涉和单缝衍射二实验条件HLD-SV-II型声速测量综合实验仪,示波器,信号发生仪三实验原理1、超声波的有关物理知识声波是一种在气体。液体、固体中传播的弹性波。声波按频率的高低分为次声波(<20Hz)、声波(20Hz≤≤20kHz)、超声波(>20kHz)和特超声波(≥10MHz),如下图。声波频谱分布图振荡源在介质中可产生如下形式的震荡波:横波:质点振动方向和传播方向垂直的波,它只能在固体中传播。纵波:质点振动方向和传播方向一致的波,它能在固体、液体、气体中的传播。表面波:当材料介质受到交变应力作用时,产生沿介质表面传播的波,介质表面的质点做椭圆的振动,因此表面波只能在固体中传播且随深度的增加衰减很快。板波:在板厚与波长相当的弹性薄板中传播的波,可分为SH波与兰姆波。超声波由于其波长短、频率高,故它有其独特的特点:绕射现象小,方向性好,能定向传播;能量较高,穿透力强,在传播过程中衰减很小,在水中可以比在空气或固体中以更高的频率传的更远,而且在液体里的衰减和吸收是比较低的;能在异质界面产生反射、折射和波形转换。2、理想气体中的声速值声波在理想气体中的传播可认为是绝热过程,因此传播速度可表示为(1)式中R为气体普适常量(R=8.314J/(mol.k)),是气体的绝热指数(气体比定压热容与比定容热容之比),为分子量,为气体的热力学温度,若以摄氏温度t计算,则:代入式(1)得,(2)对于空气介质,0℃时的声速=331.45/s。若同时考虑到空气中的蒸汽的影响,校准后声速公式为:(3)式中为蒸汽的分压强,p为大气压强。3、共振干涉法设有一从发射源发出的一定频率的平面声波,经过空气传播,到达接收器,如果接收面与发射面严格平行,入射波即在接收面上垂直反射,入射波与反射波相干涉形成驻波,反射面处为位移的波节。改变接收器与发射源之间的距离,在一系列特定的距离上,媒质中出现稳定的驻波共振现象。此时,等于半波长的整数倍,驻波的幅度达到极大;同时,在接收面上的声压波腹也相应地达到极大值。不难看出,在移动接收器的过程中,相邻两次达到共振所对应的接收面之间的距离即为半波长。因此,若保持频率不变,通过测量相邻两次接收信号达到极大值时接收面之间的距离(),就可以用计算声速。声压变化与接收器位置的关系:4、相位比较法发射波通过传声媒质到达接收器,所以在同一时刻,发射处的波与接收处的波的相位不同,其相位差可利用示波器的李萨如图形来观察。和角频率、传播时间之间有如下关系:同时有:,(式中T为周期),代入上式可求得声速V。的确定用如下方法:根据当时,得。实验时,通过改变发射器与接收器之间的距离,可观察到相位的变化。而当相位差改变时,相应的距离的改变量即为半个波长。为精确测定波长的值,在实际的操作中要连续测多个相位改变的点的坐标,再用逐差法算出波长的值,根据波长和频率值可求出声速。行波法相位差图:5声速测量及声波的双缝干涉与单丝衍射由于超声波具有波长短,易于定向发射及抗干扰等优点,所以在超声波段进行声速测量是比较方便的。本实验用共振干涉法和相位比较法测量声音在空气中传播的声速;并研究声波双缝干涉,单缝衍射及声波的反射现象,将测量结果与理论计算进行比较,从而对波动学的物理规律和基本概念有更深的理解。6、声波的干涉和衍射双缝干涉实验装置如图1所示。对于不同的角,如果从双缝到接收器的程差是零或波长的整数倍,就会产生相长干涉,因而观察到干涉强度的极大值;当程差是半波长的奇数倍时,干涉强度有极小值。因此,干涉强度出现极大值与极小值的条件如下:极大值:(4)极小值:(5)式中,n为零或整数,d为二个缝中心位置的距离,为声音的波长。r〆da图1衍射效应用超声波也可以观察到,采用1个单缝,如图2所示。当来...

1、当您付费下载文档后,您只拥有了使用权限,并不意味着购买了版权,文档只能用于自身使用,不得用于其他商业用途(如 [转卖]进行直接盈利或[编辑后售卖]进行间接盈利)。
2、本站所有内容均由合作方或网友上传,本站不对文档的完整性、权威性及其观点立场正确性做任何保证或承诺!文档内容仅供研究参考,付费前请自行鉴别。
3、如文档内容存在违规,或者侵犯商业秘密、侵犯著作权等,请点击“违规举报”。

碎片内容

大学物理实验超声波速测量实验报告

您可能关注的文档

确认删除?
VIP
微信客服
  • 扫码咨询
会员Q群
  • 会员专属群点击这里加入QQ群
客服邮箱
回到顶部