电脑桌面
添加小米粒文库到电脑桌面
安装后可以在桌面快捷访问

台资企业iso9000标准-标识VIP免费

台资企业iso9000标准-标识_第1页
1/4
台资企业iso9000标准-标识_第2页
2/4
台资企业iso9000标准-标识_第3页
3/4
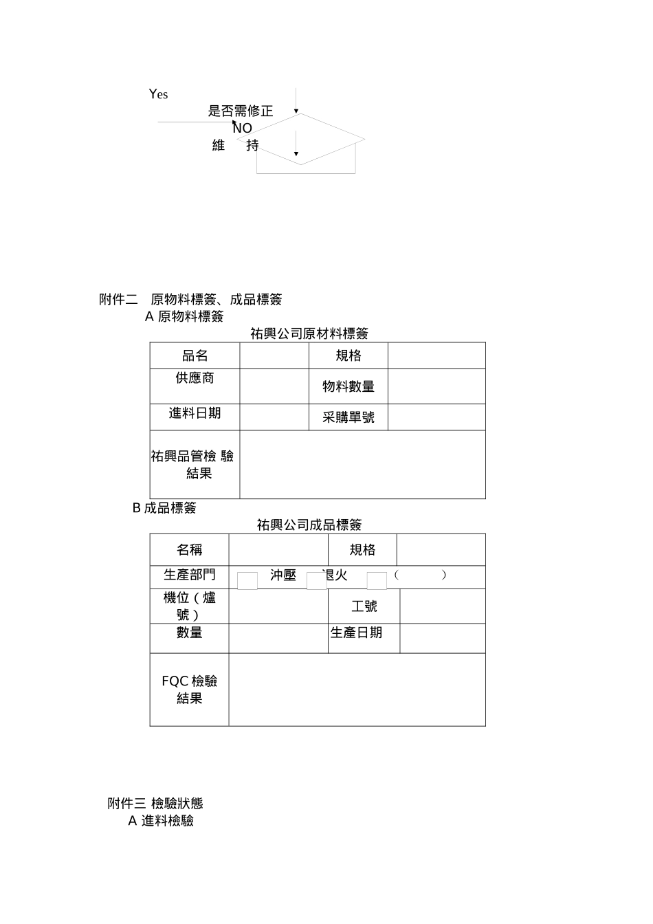
1目的為确保原材料,成品交貨之各項生產階段之産品,以及相應之檢驗狀態均能加以標識与管理,使其品質符合要求,當品質發生异常時,也能很容易的加以追溯處理之。2范圍凡与產品相關之原材料(含輔料)、半成品,成品均适用之。3職責3.1品管部:進料檢驗与標識。3.2生產部:制程標識維護与製程資料記錄。3.3貨倉部:倉儲識別標識与出貨記錄。4定義無5作業內容5.1產品標識与追溯流程圖見附件一5.2原材料的標識与檢驗狀態標識5.2.1對于進料之檢驗,IQC按《進料檢驗管理程序》執行檢驗。5.2.1.1倉管員在進料時依送貨單對照,是否有標簽標識品名、規格、供應商、數量、日期,如無則補貼上原物料標簽。5.2.2進料判定合格品由品管部IQC“于原物料標簽上加蓋PASS”章。5.2.3判定不合格品由IQC“于原物料標簽上加蓋REJECT”章。5.2.4除了標識之外,必須有待驗區、合格區、不合格區之隔离作業,在待驗區中被判定標識為合格品,即由倉管人員依標識入庫。5.2.5被示不合格品,置于不合格區,依照《不合格品管理程序》進行處理。5.3製程中標識5.3.1生產車間向倉庫領料生產時,必須對照領料單據与原材料標識所示物品是否符合。5.3.2制程中作業員,依照《生產過程中檢驗管理程序》,做制程檢驗工作。5.3.3制程中產生不合格品,必須放置于不合格標識箱內,待處理。5.3.4不合格品依照《不合格品管理程序》進行處理。5.3.5產品包裝時,作業員依照生產之產品,檢查包裝箱上所標識規格,是否符合所包裝產品之規格,選用适合于產品標識之相應包裝箱。5.3.6在包裝箱上,必須標識生產日期、机號(或爐號)、工號、材質,以便產品發生异常時進行追溯,如包裝箱上不能反映以上數据時,則使用<成品標簽>由作業員予以標識。5.4成品標識5.4.1生產部將成品擺入待檢區。5.4.2品管人員依《產品入倉質檢報告》對照產品之標識是否符合。5.4.3產品放入待驗區,由品管人員進行終檢。5.4.4合格品由FQC“于成品標簽或外包裝箱上加蓋PASS”章交倉管入庫。5.4.5當檢驗為不合格品時,如為以紙箱包裝標識之產品,由FQC加挂<不合格品>牌,并于牌上簽注檢驗人員及日期,如為以<成品標簽>方式標識之產品,則由FQC“于標簽上加蓋REJECT”章,不合格置于不合格區,依照《不合格品管理程序》進行處理。5.5出貨5.5.1由倉管人員依照發貨部<領貨單>,將要發貨之產品置入待檢區。5.5.2品管部依照《出貨管理程序》實施出貨檢驗。5.5.3檢驗合格,則由品管部于物品上標挂<合格>牌,不合格則標挂<不合格>牌,挂牌上应簽注檢驗人員及日期。依《不合格品管理程序》處理不合格品。5.6追溯5.6.1當產品發生异常現象及客戶投訴時,依照客戶所提供之包裝箱標識,及相應《出貨檢驗報告》、《産品入倉質檢報告》、《机位質檢報告》,生產報告及出入倉單据進行追溯。5.6.2根据5.6.1可追溯到制程過程中作業員、生產机位、生產管理記錄資料,可依照《糾正与預防措施管理程序》進行處理。6相關文件6.1糾正与預防措施管理程序6.2生產過程中檢驗管理程序6,3不合格品管理程序6.4進料檢驗管理程序6.7成品檢驗管理程序6.8出貨管理程序7表單無8附件8.1產品標識与追溯管理程序流程圖8.2原物料標簽、成品標簽8.3檢驗狀態標識附件一產品標識与追溯管理程序流程圖分階段确定標識方法确定追溯項目實施標識檢查標識方法Yes是否需修正NO維持附件二原物料標簽、成品標簽A原物料標簽祐興公司原材料標簽品名規格供應商物料數量進料日期采購單號祐興品管檢驗結果B成品標簽祐興公司成品標簽名稱規格生產部門沖壓退火()機位(爐號)工號數量生產日期FQC檢驗結果附件三檢驗狀態A進料檢驗A1合格章A2不合格章IQCIQC12FEB200012FEB2000PASSREJECTB成品檢驗B1合格章B2不合格章B3不合格挂牌FQCFQC12FEB200012FEB2000PASSREJECTC出貨檢驗C1合格挂牌C2不合格挂牌不合格檢驗員:日期:合格檢驗員:日期:不合格檢驗員:日期:

1、当您付费下载文档后,您只拥有了使用权限,并不意味着购买了版权,文档只能用于自身使用,不得用于其他商业用途(如 [转卖]进行直接盈利或[编辑后售卖]进行间接盈利)。
2、本站所有内容均由合作方或网友上传,本站不对文档的完整性、权威性及其观点立场正确性做任何保证或承诺!文档内容仅供研究参考,付费前请自行鉴别。
3、如文档内容存在违规,或者侵犯商业秘密、侵犯著作权等,请点击“违规举报”。

碎片内容

台资企业iso9000标准-标识

确认删除?
VIP
微信客服
  • 扫码咨询
会员Q群
  • 会员专属群点击这里加入QQ群
客服邮箱
回到顶部