电脑桌面
添加小米粒文库到电脑桌面
安装后可以在桌面快捷访问

高中化学第3讲 化学实验方案的设计及评价(作业)VIP免费

高中化学第3讲 化学实验方案的设计及评价(作业)_第1页
1/11
高中化学第3讲 化学实验方案的设计及评价(作业)_第2页
2/11
高中化学第3讲 化学实验方案的设计及评价(作业)_第3页
3/11
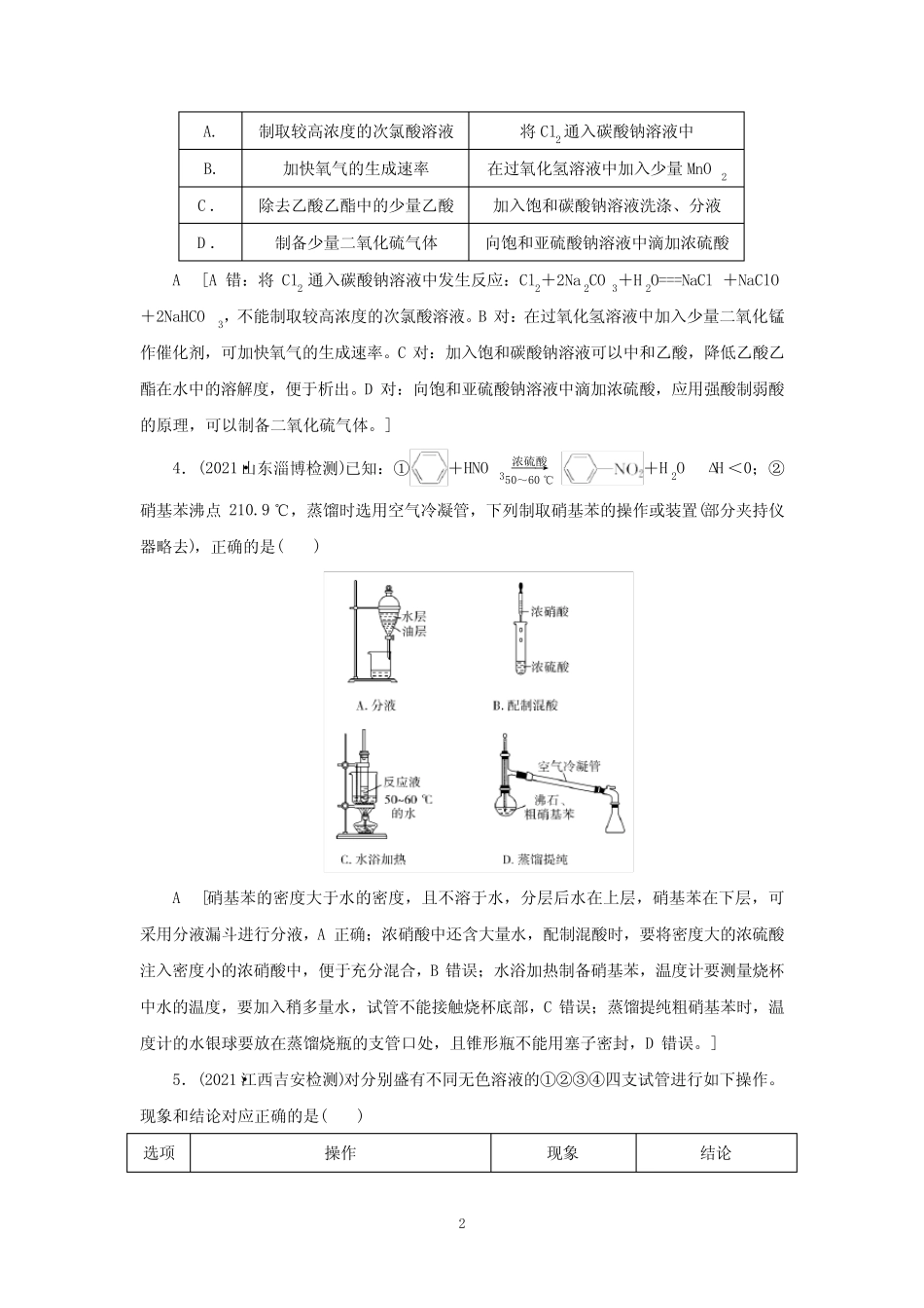
1训练(四十九)化学实验方案的设计及评价1.(2020·山东烟台二模)下列实验操作能达到实验目的的是()实验目的实验操作A制备Fe(OH)3胶体将NaOH浓溶液滴加到饱和FeCl3溶液中B由MgCl2溶液制备无水MgCl2将MgCl2溶液加热蒸干C除去Cu粉中混有的CuO加入稀硝酸溶解,过滤、洗涤、干燥D比较水与乙醇中羟基氢的活泼性分别将少量钠投入盛有水和乙醇的烧杯中D[NaOH浓溶液滴加到饱和FeCl3溶液中生成Fe(OH)3沉淀,而Fe(OH)3胶体的制备是向沸水中滴入饱和氯化铁溶液,加热至溶液出现红褐色,A错误;氯化镁是强酸弱碱盐,MgCl2水解产生的HCl易挥发,将MgCl2溶液加热蒸干生成Mg(OH)2,故由MgCl2溶液制备无水MgCl2要在HCl气流中加热蒸干,B错误;铜与稀硝酸反应,应该用稀盐酸或稀硫酸除去Cu粉中混有的CuO,C错误;分别将少量钠投入盛有水和乙醇的烧杯中,利用反应的现象:反应剧烈的是水,反应平缓的是乙醇,可比较水和乙醇中羟基氢的活泼性,D正确。]2.(2021·福建南安一中检测)下列有关实验的操作正确的是()实验操作A配制稀硫酸先将浓硫酸加入烧杯中,后倒入蒸馏水B排水法收集KMnO4分解产生的O2先熄灭酒精灯,后移出导管C浓盐酸与MnO2反应制备纯净Cl2气体产物先通过浓硫酸,后通过饱和食盐水DCCl4萃取碘水中的I2先从分液漏斗下口放出有机层,后从上口倒出水层D[配制稀硫酸时应将浓硫酸沿烧杯内壁倒入水中,并用玻璃棒不断搅拌,否则由于浓硫酸溶解时放出大量的热,容易引起酸液飞溅伤人,A错误;应先移出导管,后熄灭酒精灯,否则会引起倒吸而使试管炸裂,B错误;操作时应先将气体产物通过饱和食盐水除去HCl,然后通过浓硫酸除去水,否则在通过饱和食盐水时又引入水蒸气,C错误;萃取分液时下层液体从下口放出,上层液体从上口倒出,D正确。]3.(2019·全国卷Ⅲ)下列实验不能达到目的的是()选项目的实验2A.制取较高浓度的次氯酸溶液将Cl2通入碳酸钠溶液中B.加快氧气的生成速率在过氧化氢溶液中加入少量MnO2C.除去乙酸乙酯中的少量乙酸加入饱和碳酸钠溶液洗涤、分液D.制备少量二氧化硫气体向饱和亚硫酸钠溶液中滴加浓硫酸A[A错:将Cl2通入碳酸钠溶液中发生反应:Cl2+2Na2CO3+H2O===NaCl+NaClO+2NaHCO3,不能制取较高浓度的次氯酸溶液。B对:在过氧化氢溶液中加入少量二氧化锰作催化剂,可加快氧气的生成速率。C对:加入饱和碳酸钠溶液可以中和乙酸,降低乙酸乙酯在水中的溶解度,便于析出。D对:向饱和亚硫酸钠溶液中滴加浓硫酸,应用强酸制弱酸的原理,可以制备二氧化硫气体。]4.(2021·山东淄博检测)已知:①+HNO3――→浓硫酸50~60℃+H2OΔH<0;②硝基苯沸点210.9℃,蒸馏时选用空气冷凝管,下列制取硝基苯的操作或装置(部分夹持仪器略去),正确的是()A[硝基苯的密度大于水的密度,且不溶于水,分层后水在上层,硝基苯在下层,可采用分液漏斗进行分液,A正确;浓硝酸中还含大量水,配制混酸时,要将密度大的浓硫酸注入密度小的浓硝酸中,便于充分混合,B错误;水浴加热制备硝基苯,温度计要测量烧杯中水的温度,要加入稍多量水,试管不能接触烧杯底部,C错误;蒸馏提纯粗硝基苯时,温度计的水银球要放在蒸馏烧瓶的支管口处,且锥形瓶不能用塞子密封,D错误。]5.(2021·江西吉安检测)对分别盛有不同无色溶液的①②③④四支试管进行如下操作。现象和结论对应正确的是()选项操作现象结论3A向①中滴加NaOH溶液,加热,将湿润的红色石蕊试纸置于试管口试纸变蓝原溶液中有NH+4B向②中滴入NaHCO3溶液有白色沉淀生成原溶液中有AlO-2C向③中先滴加BaCl2溶液,再滴加HCl溶液生成白色沉淀原溶液中有SO2-4D向④中滴加氯水和CCl4,振荡,静置下层溶液呈橙色原溶液中有I-A[滴加NaOH溶液,加热,石蕊的红色石蕊试纸变蓝,说明反应产生NH3,则原溶液中有NH+4,A正确;滴入NaHCO3溶液,有白色沉淀生成,该沉淀可能是Al(OH)3、BaCO3、CaCO3等,不能确定原溶液中是否含AlO—2,B错误;先滴加BaCl2溶液,后滴加HCl溶液,生成白色沉淀,该沉淀可能是BaSO4或AgCl,则原溶液中可能含有SO2—4或Ag+,C错误;滴加氯水和CCl4,振荡,静置,下层溶液呈橙色,则原溶液中有Br-,D错误。]6.(2019·江苏卷)室...

1、当您付费下载文档后,您只拥有了使用权限,并不意味着购买了版权,文档只能用于自身使用,不得用于其他商业用途(如 [转卖]进行直接盈利或[编辑后售卖]进行间接盈利)。
2、本站所有内容均由合作方或网友上传,本站不对文档的完整性、权威性及其观点立场正确性做任何保证或承诺!文档内容仅供研究参考,付费前请自行鉴别。
3、如文档内容存在违规,或者侵犯商业秘密、侵犯著作权等,请点击“违规举报”。

碎片内容

高中化学第3讲 化学实验方案的设计及评价(作业)

您可能关注的文档

文达天下+ 关注
实名认证
内容提供者

各类试题、文摘、指南、行业规范

确认删除?
VIP
微信客服
  • 扫码咨询
会员Q群
  • 会员专属群点击这里加入QQ群
客服邮箱
回到顶部