电脑桌面
添加小米粒文库到电脑桌面
安装后可以在桌面快捷访问

2020版新高考化学三轮复习非选择题专项练七含解析VIP免费

2020版新高考化学三轮复习非选择题专项练七含解析_第1页
1/8
2020版新高考化学三轮复习非选择题专项练七含解析_第2页
2/8
2020版新高考化学三轮复习非选择题专项练七含解析_第3页
3/8
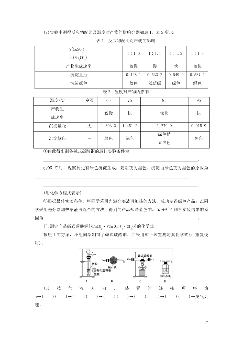
-1-非选择题专项练(七)(建议用时:40分钟)1.亚铁氰化钾{K4[Fe(CN)6]·3H2O}俗称黄血盐,常用于检验Fe3+,也是食盐防结剂。以生产电石的副产物氰熔体[Ca(CN)2和NaCN的混合物]为原料,制备亚铁氰化钾的流程如下:回答下列问题:(1)“浸取”需控制在80℃以下进行,原因是______________________________________________________________________________________________________。(2)用硫酸亚铁晶体配制FeSO4溶液时还需加入__________________________。(3)对“滤液”处理可获得一种实验室常用干燥剂,它的化学式是________。(4)“加热”使HCN气体逸出发生“反应Ⅲ”,生成K4[Fe(CN)6]、二氧化碳和氢气,该反应的化学方程式为_____________________________________________。(5)“反应Ⅲ”后的溶液经蒸发浓缩、冷却结晶、________、________、干燥即得产品。(6)工业上,以石墨为电极,电解亚铁氰化钾溶液可以制备铁氰化钾{K3[Fe(CN)6],可用于检验Fe2+},阳极的电极反应式为______________________________________。(7)设计如图实验探究牺牲阳极的阴极保护法原理。操作现象(i)取铁极附近的溶液于试管中,滴加铁氰化钾溶液无明显现象(ii)在U形管铁极附近滴加铁氰化钾溶液产生蓝色沉淀得出结论:①锌能保护铁;②________________。2.某学习小组欲在实验室探究制备碱式碳酸铜的最佳实验条件,并测定所制得产品的化学式。已知:xCuCO3·yCu(OH)2·zH2O为绿色或暗绿色固体,Cu4SO4(OH)6·2H2O为蓝色固体。Ⅰ.探究制备碱式碳酸铜的最佳实验条件(1)实验需要0.50mol·L-1Na2CO3溶液和0.50mol·L-1CuSO4溶液各500mL,配制上述溶液所使用的玻璃仪器除烧杯和胶头滴管外,还有__________________________。-2-(2)实验中测得反应物配比及温度对产物的影响分别如表1、表2所示:表1反应物配比对产物的影响n(CuSO4)∶n(Na2CO3)1∶1.01∶1.11∶1.21∶1.3产物生成速率较慢慢快较快沉淀量/g0.42810.53320.54900.5371沉淀颜色蓝色浅蓝绿绿色绿色表2温度对产物的影响温度/℃室温65758595产物生成速率-较慢快较快快沉淀量/g无1.30331.45121.27990.9159沉淀颜色-绿色绿色绿色稍显黑色黑色①由此得出制备碱式碳酸铜的最佳实验条件为______________________________________________________________________________________________________。②95℃时,观察到先有绿色沉淀生成,随后变为黑色。沉淀由绿色变为黑色的原因为________________________________________________________________________________________________________________________________________________(用化学方程式表示)。③根据最佳实验条件,甲同学采用先混合溶液再加热的方法,成功制得绿色产品;乙同学采用先分别加热溶液再混合的方法,得到的产品却是蓝色的。试分析乙同学实验结果的原因为________________________________________________________________________。Ⅱ.测定产品碱式碳酸铜[xCuCO3·yCu(OH)2·zH2O]的化学式按照Ⅰ的方案,小组同学制得了碱式碳酸铜,并采用如下装置测定其化学式(可重复使用)。(3)按气流方向,装置的连接顺序为a→()()→()()→()()→()()→()()→尾气处理。-3-(4)根据完整的实验装置进行实验,实验步骤如下:先检查装置的气密性,再装入药品,________(请按正确的顺序填入步骤的标号)。①停止加热,充分冷却②加热C装置一段时间③打开A装置中的活塞通氢气④收集气体并检验纯度⑤关闭A装置中的活塞(5)称取9.55gxCuCO3·yCu(OH)2·zH2O产品,充分反应后,硬质玻璃管中得到4.8g残留物,同时生成2.2g二氧化碳和2.7g水。则该产品的化学式为____________。3.甲烷催化裂解是工业上制备乙炔的方法之一。回答下列问题:(1)已知:CH4(g)+2O2(g)===CO2(g)+2H2O(l)ΔH1=-890kJ·mol-1C2H2(g)+52O2(g)===2CO2(g)+H2O(l)ΔH2=-1300kJ·mol-12H2(g)+O2(g)===2H2O(l)ΔH3=-572kJ·mol-1则2CH4(g)C2H2(g)+3H2(g)ΔH=________kJ·mol-1。(2)某科研小组尝试利用固体表面催化工艺进行CH4的裂解。①若用和分别表示CH4、C2H2、H2和固体催化剂,在固体催化剂表面CH4的裂解过程如图1所...

1、当您付费下载文档后,您只拥有了使用权限,并不意味着购买了版权,文档只能用于自身使用,不得用于其他商业用途(如 [转卖]进行直接盈利或[编辑后售卖]进行间接盈利)。
2、本站所有内容均由合作方或网友上传,本站不对文档的完整性、权威性及其观点立场正确性做任何保证或承诺!文档内容仅供研究参考,付费前请自行鉴别。
3、如文档内容存在违规,或者侵犯商业秘密、侵犯著作权等,请点击“违规举报”。

碎片内容

2020版新高考化学三轮复习非选择题专项练七含解析

您可能关注的文档

文达天下+ 关注
实名认证
内容提供者

各类试题、文摘、指南、行业规范

确认删除?
VIP
微信客服
  • 扫码咨询
会员Q群
  • 会员专属群点击这里加入QQ群
客服邮箱
回到顶部